电脑桌面
添加小米粒文库到电脑桌面
安装后可以在桌面快捷访问

外墙装修工程施工方案

外墙装修工程施工方案_第1页
1/7
外墙装修工程施工方案_第2页
2/7
外墙装修工程施工方案_第3页
3/7
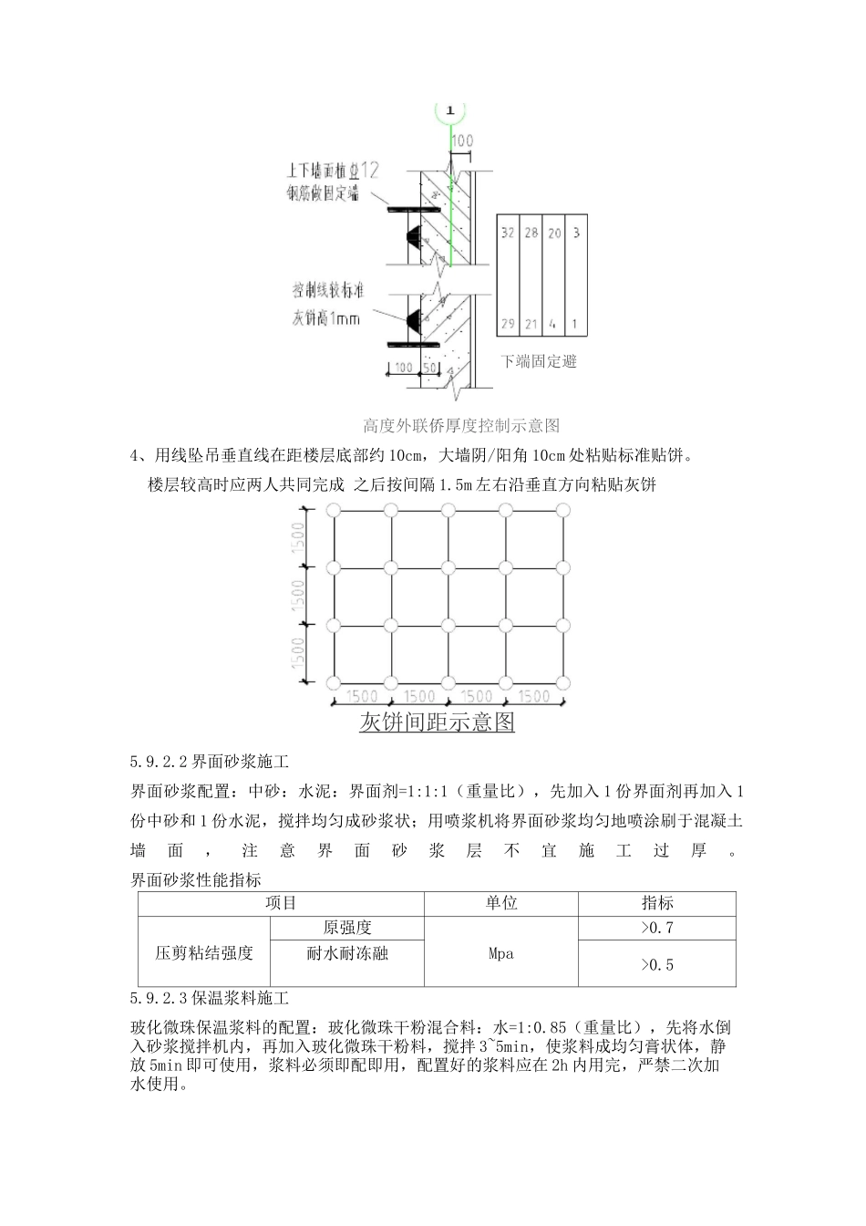
外墙装修工程5.9.1 外墙抹灰施工5.9.1.1 操作流程基层处理 T 浇水湿润基层 T 找规矩、做灰饼、标筋 T 抹底灰、中灰 T 弹分格线、嵌分格条 T 抹面灰 T 起分格条-养护。5.9.1.2 施工要点1、抹灰顺序。外墙抹灰应先上部,后下部,先檐再墙面。高层建筑,应按一定层数划分一个施工段,垂直方向控制用经纬仪来代替垂线,水平方向拉通线。大面积的外墙可分片同时施工,假如一次抹不完,可在阴阳交接处成分格线处间断施工。2、弹分格线、嵌分格条。待中灰干至 6 — 7 成干时,按要求弹出分格线,镶嵌分格条。分格条两侧用素水泥浆(最好掺 l07 胶)与墙面抹成 45。角,横平竖直,接头平直。3、做滴水线。窗台、雨蓬、压顶、格等部位,应先抹立面,后抹顶面,再抹底面。顶面应抹出流水坡度,底面外沿边应做出滴水线槽,滴水线槽一般深度和宽度>10mm。窗台上面的抹灰层应伸入窗框下坎的裁内,堵塞密实。4、拆除分格条。拆除分格条的时间可在面灰抹好之后。若采纳“隔夜条”的罩面层。必须待面层砂浆达到适当强度后方可拆除。5.9.2 外墙保温施工5.9.2. 1 做标志、贴饼1、保温浆料施工前应在墙面做好施工厚度标志,应按下列步骤进行贴饼:每层首先用 2m 杠尺检查墙面平整度,用 2m 托线板检查墙面垂直度。2、在距楼层顶部约 10cm,同时距大墙阴、阳角约 10cm 处,根据大墙角已挂好的钢丝垂直控制线厚度,用水泥砂浆块作为标准贴饼。3、待标准贴饼固定后,在两水平贴饼间拉水平控制线,具本做法为将带小线的小园钉插入标准贴饼,拉直小线,使小线控制比标准贴饼略高 1 mm,在两贴饼之间按1.5m 间隔水平粘贴若干标准贴饼。高度外联侨厚度控制示意图4、用线坠吊垂直线在距楼层底部约 10cm,大墙阴/阳角 10cm 处粘贴标准贴饼。楼层较高时应两人共同完成 之后按间隔 1.5m 左右沿垂直方向粘贴灰饼灰饼间距示意图 5.9.2.2 界面砂浆施工界面砂浆配置:中砂:水泥:界面剂=1:1:1(重量比),先加入 1 份界面剂再加入 1份中砂和 1 份水泥,搅拌均匀成砂浆状;用喷浆机将界面砂浆均匀地喷涂刷于混凝土墙面,注意界面砂浆层不宜施工过厚。界面砂浆性能指标项目单位指标压剪粘结强度原强度Mpa>0.7耐水耐冻融>0.55.9.2.3 保温浆料施工玻化微珠保温浆料的配置:玻化微珠干粉混合料:水=1:0.85(重量比),先将水倒入砂浆搅拌机内,再加入玻化微珠干粉料,搅拌 3~5min,使浆料成均匀膏状体,静放 5min 即可使用,浆料必...

1、当您付费下载文档后,您只拥有了使用权限,并不意味着购买了版权,文档只能用于自身使用,不得用于其他商业用途(如 [转卖]进行直接盈利或[编辑后售卖]进行间接盈利)。
2、本站所有内容均由合作方或网友上传,本站不对文档的完整性、权威性及其观点立场正确性做任何保证或承诺!文档内容仅供研究参考,付费前请自行鉴别。
3、如文档内容存在违规,或者侵犯商业秘密、侵犯著作权等,请点击“违规举报”。

碎片内容

外墙装修工程施工方案

您可能关注的文档

确认删除?
VIP
微信客服
  • 扫码咨询
会员Q群
  • 会员专属群点击这里加入QQ群
客服邮箱
回到顶部