电脑桌面
添加小米粒文库到电脑桌面
安装后可以在桌面快捷访问

外挑平网施工方案已打

外挑平网施工方案已打_第1页
1/9
外挑平网施工方案已打_第2页
2/9
外挑平网施工方案已打_第3页
3/9
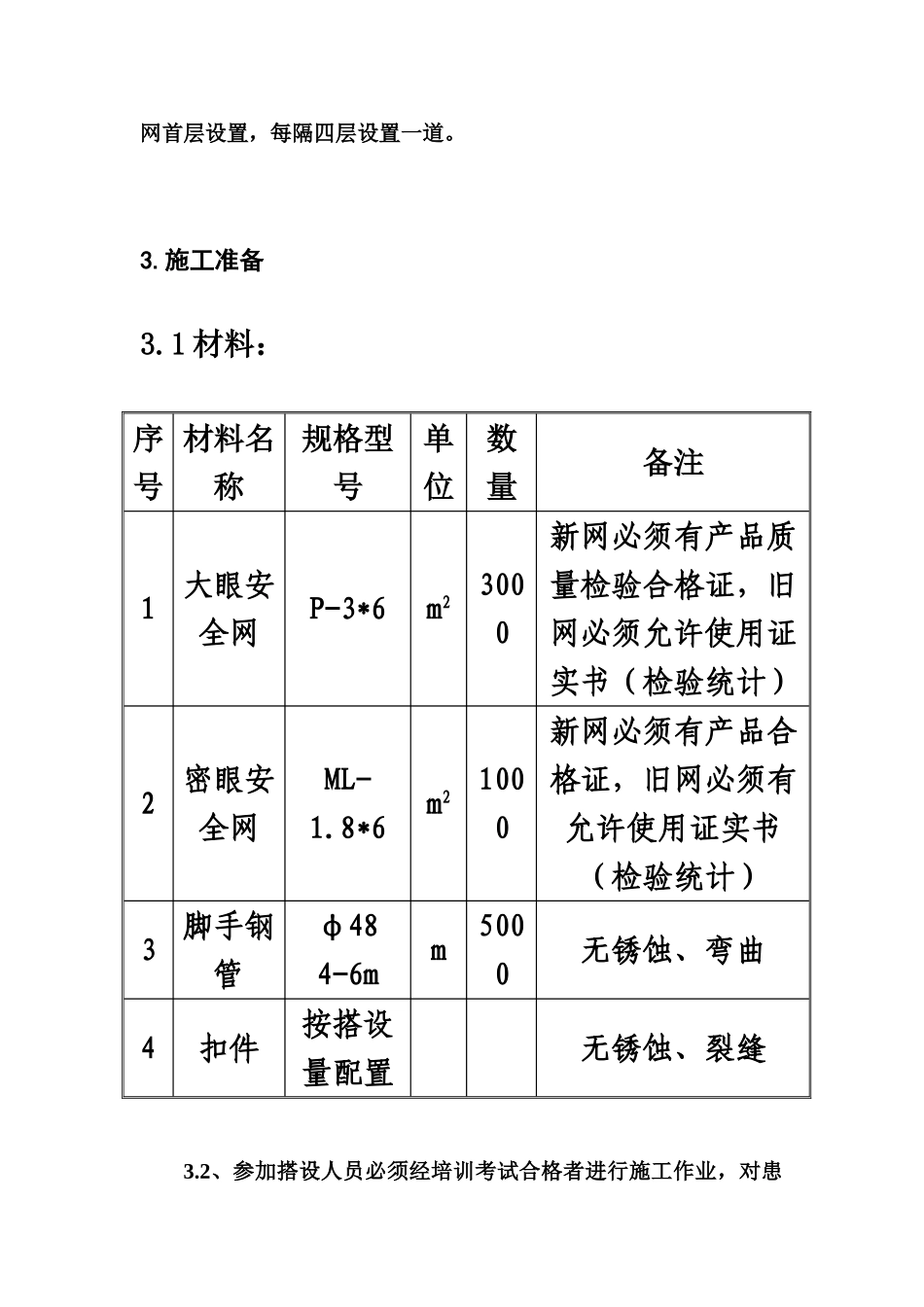
外挑平网施工方案已打外挑平网施工方案1.编制依据:1.1《建筑施工高处作业安全技术法律规范》(JGJ80-91)1.2《安全网》(GB5725-85)1.3 《北京市建筑工程施工现场安全管理标准》2、工程概况:2.1、国瑞城 B3#楼为现浇钢筋混凝土剪力墙结构。地下一层,地上二十四层,工程建筑面积为 26251m2;设计地下一层层高为2.8M,地上层高均为 2.9 m。外墙保温设计为钢丝网架聚苯乙烯芯板。2.2、依照本工程结构形式特点及企业脚手架使用情况,本工程外脚手架施工为外挑架。2.3 依照高层建筑施工安全技术法律规范要求,主体结构施工必须设置外挑安全平网,作为防坠落及下层施工安全防护设施。挑架往上三层开始设 6m 平网,以后每隔四层设 3m 平网,电梯井道内平网首层设置,每隔四层设置一道。3.施工准备3.1 材料:序号材料名称规格型号单位数量备注1大眼安全网P-3*6m23000新网必须有产品质量检验合格证,旧网必须允许使用证实书(检验统计)2密眼安全网ML-1.8*6m21000新网必须有产品合格证,旧网必须有允许使用证实书(检验统计)3脚手钢管φ48 4-6mm5000无锈蚀、弯曲4扣件按搭设量配置无锈蚀、裂缝3.2、参加搭设人员必须经培训考试合格者进行施工作业,对患有高血压、心脏病和酒后等禁止高处作业。3.3、配置好防护用具,安全帽、安全带、工具袋、防滑鞋等。4、施工工艺:预留套管→顺水杆→斜撑(斜拉杆)→第一层大眼安全网→第二层大眼安全网→第三层密眼安全网4.1 穿墙套管预留:第一道 6m 平网,在四层平台面对上 300mm设置,因外挑幅度较大,实行二层支撑进行搭设(即三道水平支座),第一道支座设置在首层,平台面对上 300,也就是第一道穿墙套管位置,第二道留置在二层平台面对上 300mm 处,最上端留置在四层平台面对上 300mm,上、中、下孔位应在同一垂线,允许偏差50mm , 预 留 孔 实 行 φ60 塑 料 管 预 埋 , 水 平 间 距1500mm、1800mm(也可利用外墙大模内穿墙螺杆洞。4.2 平网骨架:考虑建筑物外围阳台部位,斜支撑搭设困难,中间(第二道)最外边顺水杆应同阳台外口平齐,此道穿墙固定实行2500m 长 φ48 钢管外挑 1900mm 作顺水杆固定点,同时靠墙处里外实行顺水杆连接夹紧砼墙固定,而且在墙内侧每根穿墙钢管多加十字扣件一只,实行双道保险,上下道穿墙实行 0.8m 长钢管,墙外侧留 450mm-500mm 长即可,与墙固定方法同中间道,每排外挑钢管设两道顺水杆,靠墙顺水杆既作固定骨架,中间...

1、当您付费下载文档后,您只拥有了使用权限,并不意味着购买了版权,文档只能用于自身使用,不得用于其他商业用途(如 [转卖]进行直接盈利或[编辑后售卖]进行间接盈利)。
2、本站所有内容均由合作方或网友上传,本站不对文档的完整性、权威性及其观点立场正确性做任何保证或承诺!文档内容仅供研究参考,付费前请自行鉴别。
3、如文档内容存在违规,或者侵犯商业秘密、侵犯著作权等,请点击“违规举报”。

碎片内容

外挑平网施工方案已打

您可能关注的文档

确认删除?
VIP
微信客服
  • 扫码咨询
会员Q群
  • 会员专属群点击这里加入QQ群
客服邮箱
回到顶部