电脑桌面
添加小米粒文库到电脑桌面
安装后可以在桌面快捷访问

天然气压缩机岗位安全生产技术操作规程

天然气压缩机岗位安全生产技术操作规程_第1页
1/7
天然气压缩机岗位安全生产技术操作规程_第2页
2/7
天然气压缩机岗位安全生产技术操作规程_第3页
3/7
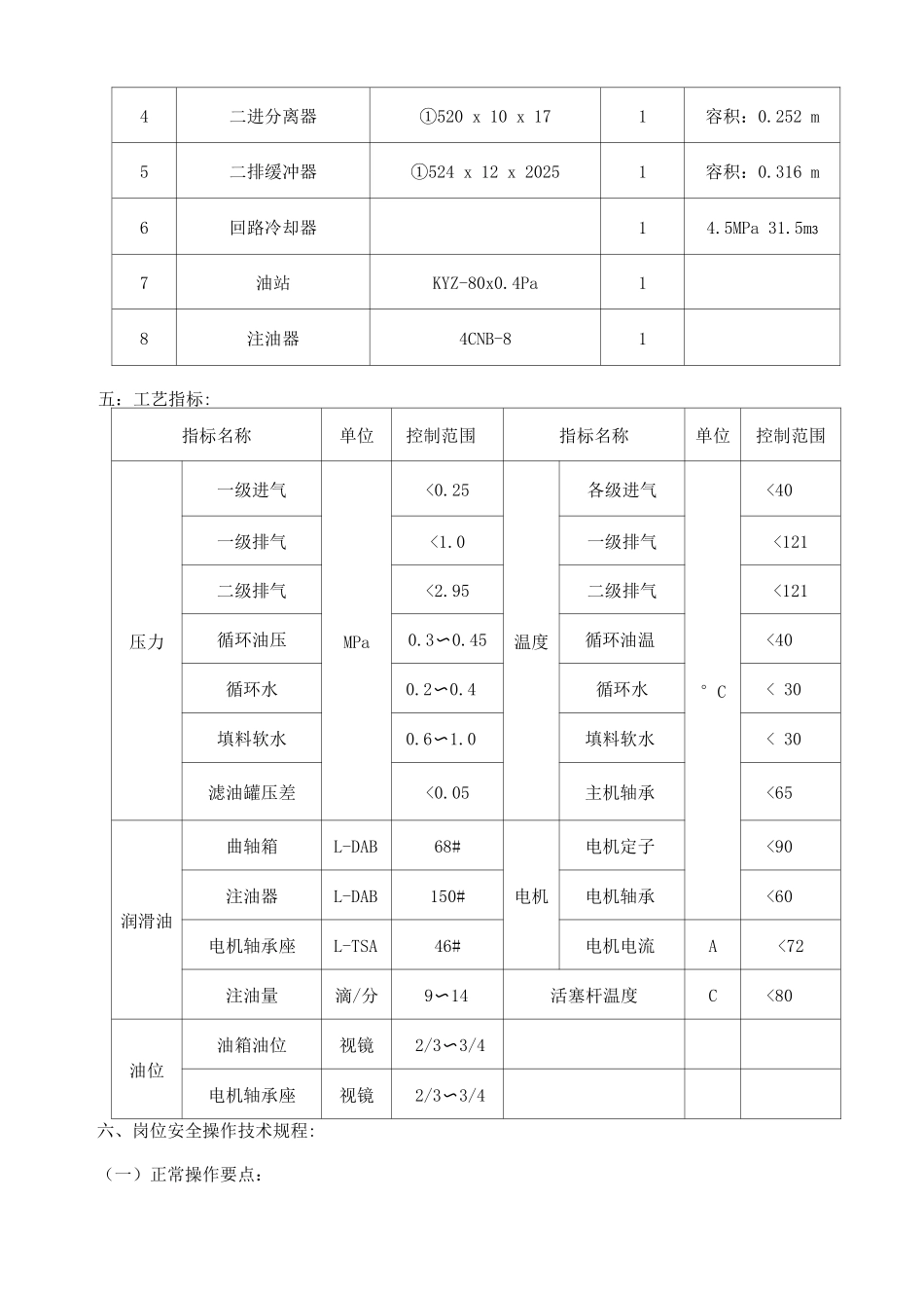
1#天燃气压缩机岗位安全技术操作规程(D- 33.2/2.5 - 29.5 型)一、岗位任务维护好主机正常运行,保证向中控岗位输送合格的气体。二、结构作用及工作原理压缩机的结构是由机身、曲轴、连杆、十字头、活塞等构成,其作用是连接基础与气缸部 分并传递动力。工作原理:由电机带动曲轴、曲轴带动连杆、连杆带动十字头运动,由圆周运动变活塞不 断地作复直线运动,气缸即交替地吸进气体和排出气体,达到压缩加压的目的。三、工艺流程简述:来自天然气公司和配气站输气处脱硫净化后的天然气(P:〜0.6MPa T:〜25C),分别 经自动调压阀 PIC2A、PIC2B 降压后(P: 0.2〜0.25MPa ),经一进大阀进压缩机一进缓冲分离 器,分离掉油水入一级气缸压缩(P: <1.03MPa T: <121C),再入一级排气缓冲罐、水冷却 器、油水分离器,冷却分离掉油水。分离后的气体(T: <40C )进二级吸气缓冲罐,经二级气 缸压缩加压后(P: <2.95MPa T: <121C)入二级排气缓冲罐后,经二出阀向转化供气。 循环油流程:稀油站油箱 T 油泵加压 T 油冷却器 T 油过滤罐 T 主机轴承 -连杆小头、衬套、十字头T 上下滑道 T 机身油池 T 稀油站油箱四、主要设备一览表:序号设备名称规格型号数量备注1天然气压缩机2D16-33. 2-29. 5133. 2 m/min1一进分离器* 720 x 10 x 201容积:0.53 m2一排缓冲器① 620 x 10 x 19831容积:0.48 郁3一级冷却器12.5MPa 31.5m34二进分离器①520 x 10 x 171容积:0.252 m5二排缓冲器①524 x 12 x 20251容积:0.316 m6回路冷却器14.5MPa 31.5m37油站KYZ-80x0.4Pa18注油器4CNB-81五:工艺指标:指标名称单位控制范围指标名称单位控制范围压力一级进气MPa<0.25温度各级进气°C<40一级排气<1.0一级排气<121二级排气<2.95二级排气<121循环油压0.3〜0.45循环油温<40循环水0.2〜0.4循环水< 30填料软水0.6〜1.0填料软水< 30滤油罐压差<0.05主机轴承<65润滑油曲轴箱L-DAB68#电机电机定子<90注油器L-DAB150#电机轴承<60电机轴承座L-TSA46#电机电流A<72注油量滴/分9〜14活塞杆温度C<80油位油箱油位视镜2/3〜3/4电机轴承座视镜2/3〜3/4六、岗位安全操作技术规程:(一)正常操作要点:(1)在正常生产时,用“看、听、摸”的方法来检查各级气缸进出气体温度、压力的变 化,活门是否泄漏;随时倾听压缩机各部位的响声是否正常(如电机的转动声、气阀启闭声、 运动机构撞击声等),电机电流、温度是否正常,各运转部件润...

1、当您付费下载文档后,您只拥有了使用权限,并不意味着购买了版权,文档只能用于自身使用,不得用于其他商业用途(如 [转卖]进行直接盈利或[编辑后售卖]进行间接盈利)。
2、本站所有内容均由合作方或网友上传,本站不对文档的完整性、权威性及其观点立场正确性做任何保证或承诺!文档内容仅供研究参考,付费前请自行鉴别。
3、如文档内容存在违规,或者侵犯商业秘密、侵犯著作权等,请点击“违规举报”。

碎片内容

天然气压缩机岗位安全生产技术操作规程

确认删除?
VIP
微信客服
  • 扫码咨询
会员Q群
  • 会员专属群点击这里加入QQ群
客服邮箱
回到顶部