电脑桌面
添加小米粒文库到电脑桌面
安装后可以在桌面快捷访问

岗位-风险识别表

岗位-风险识别表_第1页
1/4
岗位-风险识别表_第2页
2/4
岗位-风险识别表_第3页
3/4
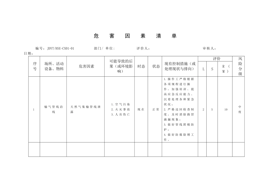
岗位 风险识别表(3 页)Good is good, but better carries it.精益求精,善益求善。风险识别评估表编号: 单位:** 队 顺序号: 岗位: ** 岗 姓名: 张三 填表时间: 2025.6.20风险预想(风险名称)吊装设备,搬迁过程中的事故 风险危害1、吊装时绳套断脱,物体掉下砸人2、物件固定不牢,掉落砸人3、吊物下站人被压、砸4、吊车起重臂下站人或旋转范围内站人5、吊车千斤未垫牢,吊车一侧液压支腿下沉或侧翻;6、吊臂碰挂绷绳、电缆;7、交通事故造成人车损害。8、客货混装挤伤。9、夜晚搬迁,由于视线不清风险陡增!综 合 评 估(影响程度)人员高财产中环境名誉高原因分析:1、绳索不合规格要求;绳索断丝超标。2、物件打摽不牢。3、人员疏忽进入吊物下。4、人员未撤至安全范围。5、千斤下地面松软。6、未认真观察绷绳、电缆位置。7、违反交通规则驾驶。8、客货混装。9、夜晚搬迁。预防措施:1、使用额定载荷大于起吊物的标准绳索进行吊装,先行试吊平衡再起吊;吊装前检查绳索,合格方可使用。2、将物件用铁丝捆绑牢固,才能上路;3、严禁吊物下站人、严禁在吊车旋转范围内站人;4、严禁在动、静物体间站人;5、吊车必须垫牢所有千斤;6、必须认真观察绷绳、电缆所在位置,禁止在高压线下起吊作业;7、司机要照章驾驶,避开交通事故。8、严禁客货混装。9、避开夜晚搬迁。必须搬迁时必须要有足够照明,要有专人勘查道路、桥涵、线缆、狭小路段空间。要有专车带路。关键路段要下车指挥。应急措施: 有人员受伤现场包扎后,立即送医院抢救 保存部门:安全环保科 保存期:3 年危 害 因 素 清 单编号:JDYT/HSE-CX01-01 部门/ 单位: 评价人: 审核人: 日期:序号场所、活动设备、物料危害因素可能导致的后果(或环境影响)时态状态现有控制措施(或处理现状与排向)评价风险分级LSR (M )1输 气 管 线 沿线天 然 气 集 输 管 线 泄露1. 空 气 污 染2. 火 灾 事 故3. 人 员 伤 亡现 在正 常1. 操 作 工 严 格 根 据各 项 规 程 进 行 操作 , 加 强 培 训 、 提高 应 急 反 应 能 力 、沉 着 处 理 各 种 紧 急状 况 ;2. 严 格 巡 回 检 查 制度 , 及 时 消 除 跑 冒滴 漏 现 象 ;3. 做 好 管 线 阴 极 防护 ;4. 做 好 防 腐 除 锈 工作 。2510中度 保存部门:相关部门、单位保存期限:二年L :事故事件发生的可能性。S :评估后果的严重性。R :评价结果。R =L*S 。…-(>?^ ))!

1、当您付费下载文档后,您只拥有了使用权限,并不意味着购买了版权,文档只能用于自身使用,不得用于其他商业用途(如 [转卖]进行直接盈利或[编辑后售卖]进行间接盈利)。
2、本站所有内容均由合作方或网友上传,本站不对文档的完整性、权威性及其观点立场正确性做任何保证或承诺!文档内容仅供研究参考,付费前请自行鉴别。
3、如文档内容存在违规,或者侵犯商业秘密、侵犯著作权等,请点击“违规举报”。

碎片内容

岗位-风险识别表

您可能关注的文档

办公文档专营+ 关注
实名认证
内容提供者

大量办公文档,欢迎选择

确认删除?
微信客服
  • 扫码咨询
会员Q群
  • 会员专属群点击这里加入QQ群