电脑桌面
添加小米粒文库到电脑桌面
安装后可以在桌面快捷访问

工程钢筋方案

工程钢筋方案_第1页
1/36
工程钢筋方案_第2页
2/36
工程钢筋方案_第3页
3/36
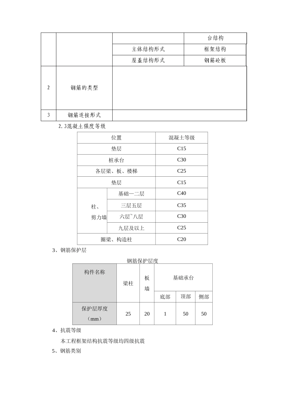
钢筋工程施工方案一.编制依据序号项目内容1234567.工程概况程展示区施工时间紧迫且属于“三边”工程,边设计、边出图、边施工,图纸不全、个别楼信息不齐全。所以工程概况后补齐全。建筑设计概况1项目内容2建筑功能民用建筑3建筑面积总建筑面积m 2高层区商业区商业区3656m 2综合区13 m24建筑层数1#地上18F地下2 层2#地上17F地下2 层商业地上2F地下无2.2 结构概况项目结构形式基础结构形式独立基础和桩基础及承内容位置混凝土等级垫层C15桩承台C30各层梁、板、楼梯C25垫层C15柱、剪力墙基础—二层C40三层五层C35六层~八层C30九层及以上C25圈梁、构造柱C203、钢筋保护层钢筋保护层度构件名称梁柱板墙基础承台底部顶部侧部保护层厚度(mm)2520150504、抗震等级本工程框架结构抗震等级均四级抗震5、钢筋类别HPB3. HRB4HPB3: (|)6 (|)8HRB4:68101214、16、18、20、22、252)锚固长度(抗震锚固长度修正系数取 1.15)钢筋类别混凝土强度等级C40C35C30C25HPB3锚固长度25d28d30d34dHRB4锚固长度29d32d35d40d注:任何情况下受拉钢筋锚固长度不应小于2mm.三、施工准备1、技术准备1)图集以施工图纸为主,未作注释说明的采纳图集进行下料与绑扎。2)充分熟悉图纸、工程法律规范、施工质量检验评定标准及图集,及时发现图纸中的疑点及与现场施工有冲突的地方,提前与设计办理洽商,做好施工前的准备工作。2、材料、机具准备1)、材料员根据专业工长的材料进场计划和现场的堆放场地分期分批资质材料进场。钢筋堆放按钢筋级别及直径分别码放,在钢筋原材堆放区设置五道 10*10*150 的砼墩间距 1 米作为原材堆放地,并挂牌标识。2)、机具准备钢筋机具机具名称台数钢筋切断机4 台钢筋弯曲机2 台无齿锯2 台钢筋弯箍机2 台钢筋调直机2 台螺纹套丝机2 台3)、用于本工程的钢筋原材料必须有出厂质量证明书和试验报告单、出厂合格证并有钢筋炉号标志牌在证件齐全条件下进场,必须分批抽样复检,钢筋原材料进场后应分批、分规格堆放,不得混乱堆放,以便监控使用,每批进入现场的钢筋由材料员、钢筋工长和质检员进行验收,仔细做好清点,复核工作,对进场的各种规格的钢筋,进行取原材料试件送检,试验合格后方可投入使用钢筋检验:同牌号、同规格、同交货状态的钢筋 60t 为一批。3、劳动力准备1)、所有工人进场必须经过技术交底后持证上岗2)、进场工人必须符合国家有关用工规定。3)、钢筋工程劳动力安排(见下表):根据施工组织设计,本...

1、当您付费下载文档后,您只拥有了使用权限,并不意味着购买了版权,文档只能用于自身使用,不得用于其他商业用途(如 [转卖]进行直接盈利或[编辑后售卖]进行间接盈利)。
2、本站所有内容均由合作方或网友上传,本站不对文档的完整性、权威性及其观点立场正确性做任何保证或承诺!文档内容仅供研究参考,付费前请自行鉴别。
3、如文档内容存在违规,或者侵犯商业秘密、侵犯著作权等,请点击“违规举报”。

碎片内容

工程钢筋方案

您可能关注的文档

确认删除?
VIP
微信客服
  • 扫码咨询
会员Q群
  • 会员专属群点击这里加入QQ群
客服邮箱
回到顶部