电脑桌面
添加小米粒文库到电脑桌面
安装后可以在桌面快捷访问

抗滑桩的表格_

抗滑桩的表格__第1页
1/20
抗滑桩的表格__第2页
2/20
抗滑桩的表格__第3页
3/20
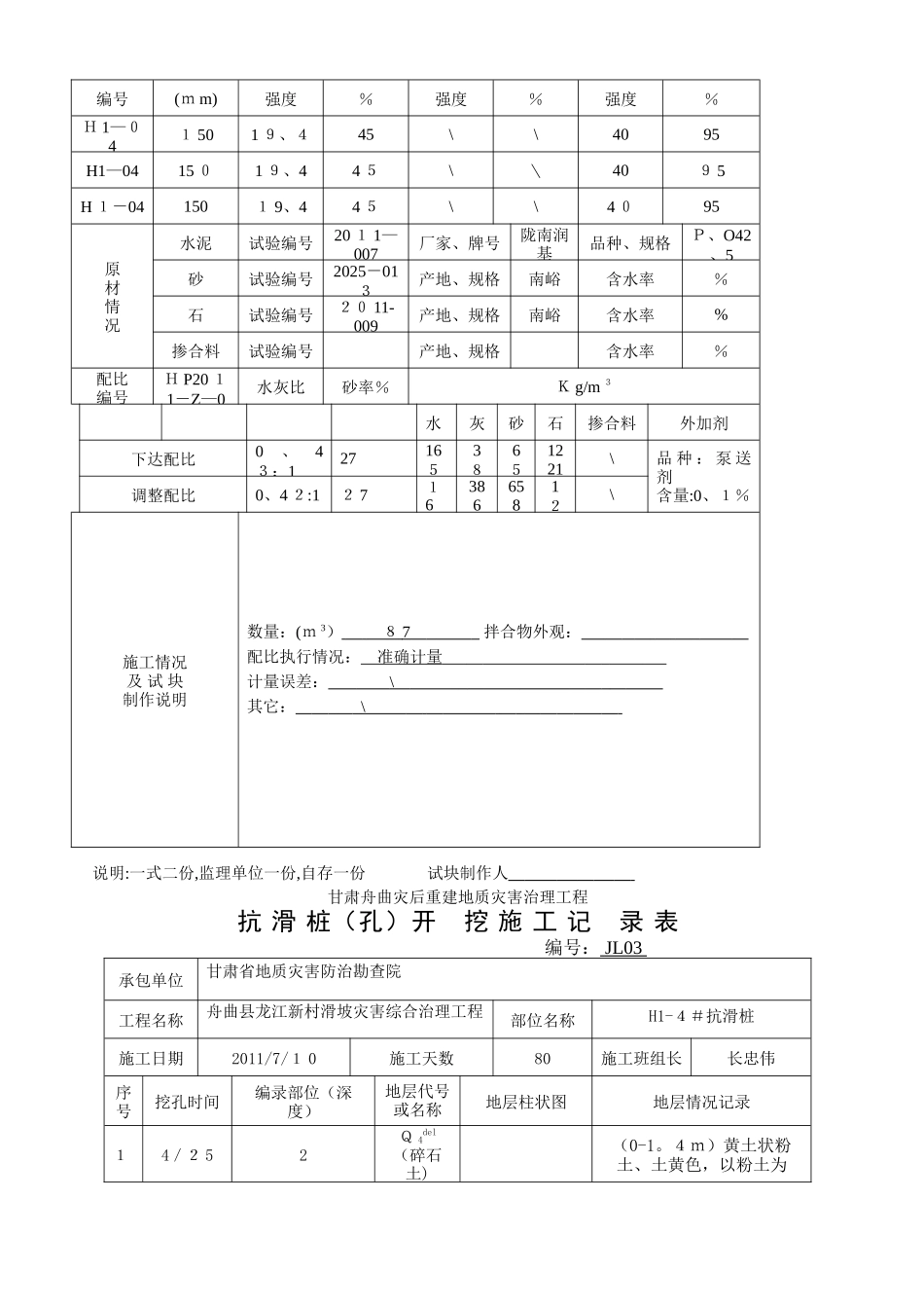
甘肃舟曲灾后重建地质灾害治理工程工序完工、工序开工报验表编号:B Y 0 1工程名称: 舟曲县龙江新村滑坡灾害综合治理工程 承包单位 : 甘肃省地质灾害防治勘查院 致:________甘肃省地质灾害环境讨论所我单位已完成了____H 1滑坡 4# 抗滑桩桩孔开挖 工程,按设计文件及有关法律规范、验评标准进行了自检,质量合格,请予以审查与验收。并申请下道 钢筋制安 开工。 附件:1、原始质量检验记录(包括放线、放样) 2、工序得施工质量检验记录 3、隐蔽工程检查质量检验记录 4、附图 承包单位(章): 项目经理: 日 期: 年 月 日 审查意见:项目监理机构章: 监理工程师: 日 期: 年 月 日 说明:本表由承包单位填写,一式三份,送监理机构审核后,建设、监理及承包单位。甘肃舟曲灾后重建地质灾害治理工程混凝土施工及试块制作记录表 编号 SY22承包单位 甘肃省地质灾害防治勘查院 工程名称 舟曲县龙江新村滑坡害综合治灾理工程 制作时间2011/7/19天气情况晴大气温度18℃施工部位(结构名称)抗滑桩设计强度等级C30试块尺寸( 3 天)达设计( 天)达设计( 28 天)达设计编号(m m)强度%强度%强度%H 1—041 501 9、445\\4095H1—0415 01 9、44 5\\409 5H 1-041501 9、44 5\\4 095原材情况水泥试验编号20 1 1—007厂家、牌号陇南润基品种、规格P、O42、5砂试验编号2025-013产地、规格南峪含水率%石试验编号20 11-009产地、规格南峪含水率%掺合料试验编号产地、规格含水率%配比编号H P20 11-Z—0水灰比砂率%K g/m 3水灰砂石掺合料外加剂下达配比0、43:12716538651221\品 种 : 泵 送剂含量:0、1%调整配比0、4 2:12 71638665812\施工情况及 试 块制作说明数量:(m 3) 8 7 拌合物外观: 配比执行情况: 准确计量 计量误差: \ 其它: \ 说明:一式二份,监理单位一份,自存一份 试块制作人 甘肃舟曲灾后重建地质灾害治理工程抗 滑 桩(孔)开 挖 施 工 记 录 表 编号: JL03 承包单位甘肃省地质灾害防治勘查院工程名称舟曲县龙江新村滑坡灾害综合治理工程部位名称H1-4#抗滑桩施工日期2011/7/1 0施工天数80施工班组长长忠伟序号挖孔时间编录部位(深度)地层代号或名称地层柱状图地层情况记录14/2 52Q 4del(碎石土)(0-1。4m)黄土状粉土、土黄色,以粉土为主,含少量碎石。(1、4—10 m)强风化...

1、当您付费下载文档后,您只拥有了使用权限,并不意味着购买了版权,文档只能用于自身使用,不得用于其他商业用途(如 [转卖]进行直接盈利或[编辑后售卖]进行间接盈利)。
2、本站所有内容均由合作方或网友上传,本站不对文档的完整性、权威性及其观点立场正确性做任何保证或承诺!文档内容仅供研究参考,付费前请自行鉴别。
3、如文档内容存在违规,或者侵犯商业秘密、侵犯著作权等,请点击“违规举报”。

碎片内容

抗滑桩的表格_

您可能关注的文档

人从众+ 关注
实名认证
内容提供者

欢迎光临小店,本店以公文和教育为主,希望符合您的需求。

相关文档

确认删除?
VIP
微信客服
  • 扫码咨询
会员Q群
  • 会员专属群点击这里加入QQ群
客服邮箱
回到顶部