电脑桌面
添加小米粒文库到电脑桌面
安装后可以在桌面快捷访问

护坡工程施工总结

护坡工程施工总结_第1页
1/6
护坡工程施工总结_第2页
2/6
护坡工程施工总结_第3页
3/6
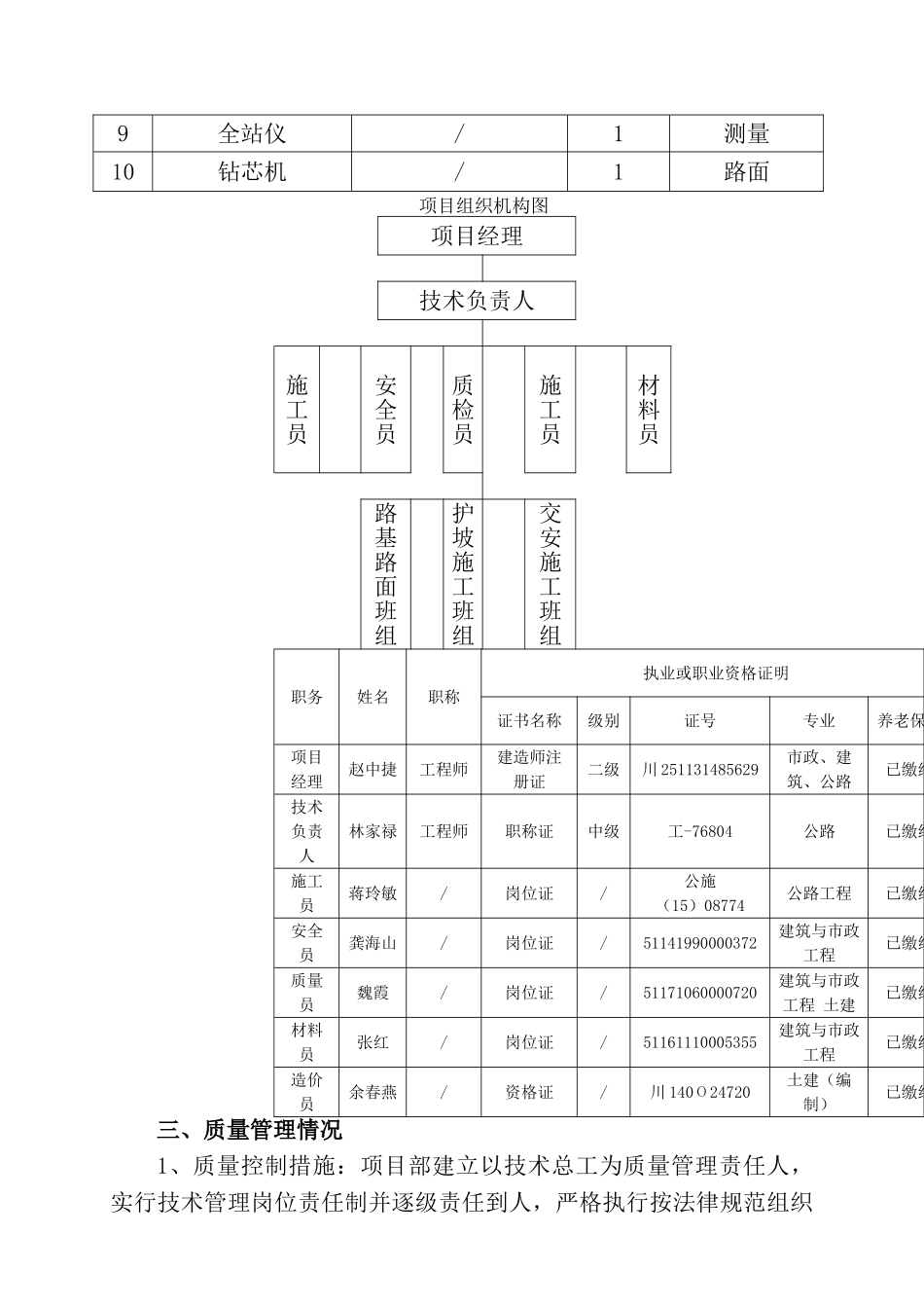
井研县国省道公路地质灾害整治工程施工总结报告一、工程概况井研县国省道公路地质灾害工程分为 5 个标段,其中 K196+380为挂三维植被位于井研县磨池镇 S305 线 K196+339~K196+466 左侧,坡长 127 米,最大坡高 20、1 米,坡角约 47°;K1164+800 为挂网喷浆位于井研县三江镇 G213 线 K1164+728、3~K1164+778、7 右侧,坡长 50、4 米,最大坡高 17 米,坡角约 55°; K183+000 为挂网喷浆位于 井 研 县 三 江 镇S305线K182+924~K183+124左 侧 、K182+942~K183+082 右侧、道路左侧坡长 200 米,最大坡高 20 米,坡角 约 63° ; 右 侧 坡 长 140 米 , 最 大 坡 高 27 、 2 米 , 坡 角 约68° 、 K1178+350 为 挂 三 维 植 被 网 位 于 井 研 县 王 村 镇 G213 线K1178+298、6~K1178+366、6 右侧,坡长 68 米,最大坡高 15、3 米,坡角约 60°;、K1178+500 处挂三维植被网位于井研县王村镇 G213线 K1178+449、2~K1178+544、2,左侧,坡长 95 米,最大坡高 20、4米,坡角约 60°。建设合同工期 2 个月,签约合同总金额 285、747 万元。工程2025 年 11 月 8 日正式开工,2025 年 1 月 28 日全面完工。计量总金额285、747 万元。完成主要工程内容:挖除 20cm 厚旧混凝土路面 18120m2,挖土方23780m3 ; 挖 石 方 12332m3 ; 利 用 石 方 填 筑 2363m3 ; 换 填 砂 砾 石7206m3;浆砌片石边沟/5572m;Φ800 排水管 80m;C15 砼护肩墙5798 、 6m3 ; 20cm 厚碎石垫层 18720m2 ; 30cm 厚水泥稳碎石基层22764m2;5cm 厚 AC-16C 中粒式沥青混凝土面层 22280m2;4cm 厚 AC-13C 细粒式改性沥青混凝土面层 22280m2;Φ150cm 钢筋砼圆管涵 1 道;Φ100cm 钢筋砼圆管涵 10 道;Φ75cm 钢筋砼圆管涵 3 道;普通型波形护栏 848m;加强型波形护栏 528m;单柱型标志牌 9 块;单悬臂型标志 4 块 。 主 要 材 料 消 耗 : 水 泥 3022T , 青 砂 3606m3 , 机 扎 碎 石13029m3,沥青 289、7T,石屑 4356m3,矿粉 170m3。建设单位:井研县公路养护段设计单位:四川恒盛路桥勘察设计有限公司施工单位:四川山江建工集团有限公司监理单位:四川典盛岩土工程有限公司二、机构组成 主要施工机械设备序号设备名称型号规格数量用途1挖掘机ROBEX2202路基2吊车/1白杨树3打夯机60KG2...

1、当您付费下载文档后,您只拥有了使用权限,并不意味着购买了版权,文档只能用于自身使用,不得用于其他商业用途(如 [转卖]进行直接盈利或[编辑后售卖]进行间接盈利)。
2、本站所有内容均由合作方或网友上传,本站不对文档的完整性、权威性及其观点立场正确性做任何保证或承诺!文档内容仅供研究参考,付费前请自行鉴别。
3、如文档内容存在违规,或者侵犯商业秘密、侵犯著作权等,请点击“违规举报”。

碎片内容

护坡工程施工总结

确认删除?
VIP
微信客服
  • 扫码咨询
会员Q群
  • 会员专属群点击这里加入QQ群
客服邮箱
回到顶部