电脑桌面
添加小米粒文库到电脑桌面
安装后可以在桌面快捷访问

拱桥施工方案

拱桥施工方案_第1页
1/17
拱桥施工方案_第2页
2/17
拱桥施工方案_第3页
3/17
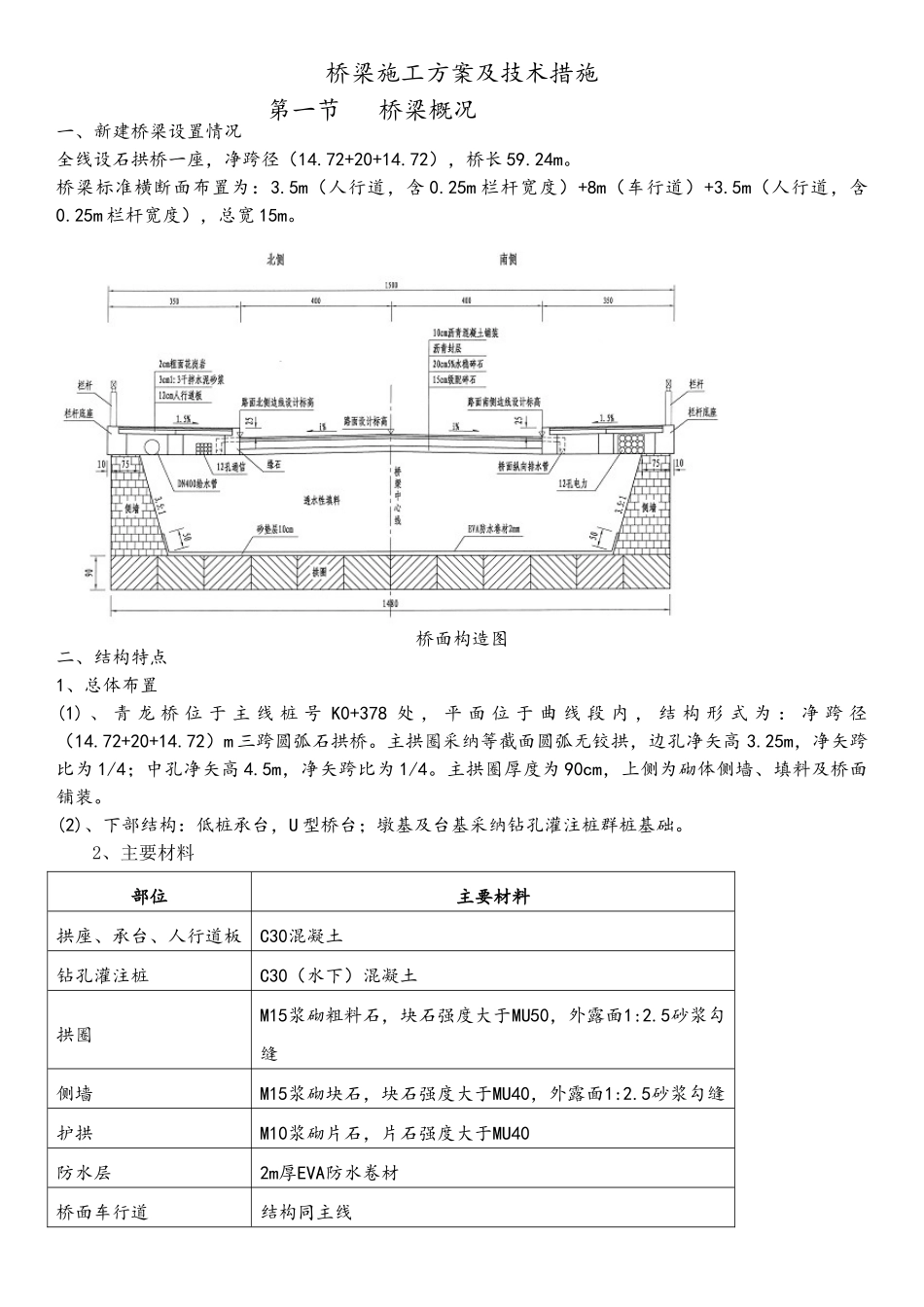
桥梁施工方案及技术措施第一节 桥梁概况一、新建桥梁设置情况全线设石拱桥一座,净跨径(14.72+20+14.72),桥长 59.24m。 桥梁标准横断面布置为:3.5m(人行道,含 0.25m 栏杆宽度)+8m(车行道)+3.5m(人行道,含0.25m 栏杆宽度),总宽 15m。桥面构造图二、结构特点1、总体布置(1) 、 青 龙 桥 位 于 主 线 桩 号 K0+378 处 , 平 面 位 于 曲 线 段 内 , 结 构 形 式 为 : 净 跨 径(14.72+20+14.72)m 三跨圆弧石拱桥。主拱圈采纳等截面圆弧无铰拱,边孔净矢高 3.25m,净矢跨比为 1/4;中孔净矢高 4.5m,净矢跨比为 1/4。主拱圈厚度为 90cm,上侧为砌体侧墙、填料及桥面铺装。(2)、下部结构:低桩承台,U 型桥台;墩基及台基采纳钻孔灌注桩群桩基础。2、主要材料部位主要材料拱座、承台、人行道板C30混凝土钻孔灌注桩C30(水下)混凝土拱圈M15浆砌粗料石,块石强度大于MU50,外露面1:2.5砂浆勾缝侧墙M15浆砌块石,块石强度大于MU40,外露面1:2.5砂浆勾缝护拱M10浆砌片石,片石强度大于MU40防水层2m厚EVA防水卷材桥面车行道结构同主线桥面人行道2cm厚粗面花岗岩+3cm厚1:3干拌水泥砂浆+12cm厚C30钢筋混凝土人行道板第二节施工流程步骤一1、桥梁、桥台基础及承台施工。2、拱座施工步骤二1、搭设支架,并预压。2、砌筑拱圈。3、桥台台身施工。4、护拱及该部分侧墙施工。5、台后填土施工至护拱顶面后合龙主拱圈。步骤三1、拱上建筑施工。2、拆除支架步骤四1、桥面系及其他附属工程施工。第三节 石拱图及拱上结构的砌筑一、概述石拱桥是一种古老的桥型,又是一种充满生机的桥型。石拱桥因其具有外形美观,拱架测量放样应以桥台中心线和桥中心线二个方向的基准进行引测。拱图放样:均须先在放样台上放出拱圈大样,以确定拱块形状尺寸,拱圈分段位置,以及各杆件的位置和尺寸,大样比例采纳 1﹕1。放样平台可选择桥台附近的空地上,三个桥孔的 ½ 的场地,场地按基石和平整。将各排拱石和辐射形缝位置用墨线划在模板上,拱孤实际长度应包括设置预拱度后拱孤的加长和墩台以及拱架施工中的允许误差。拱孤增加的长度可平均摊入各砌筑缝中,但应保持两个半跨的对称和拱顶位置居中。拱圈采纳 M15 浆砌粗石料,块石强度大于 MU50,外露面 1:2.5 砂浆勾缝。主拱圈横向宽度为12.8m,拱圈厚度为 90cm。二、拱圈施工技术测量放样(1)、浇筑 10cm 垫层,用全站仪将桥梁轴线定出,然后轴向每 120c...

1、当您付费下载文档后,您只拥有了使用权限,并不意味着购买了版权,文档只能用于自身使用,不得用于其他商业用途(如 [转卖]进行直接盈利或[编辑后售卖]进行间接盈利)。
2、本站所有内容均由合作方或网友上传,本站不对文档的完整性、权威性及其观点立场正确性做任何保证或承诺!文档内容仅供研究参考,付费前请自行鉴别。
3、如文档内容存在违规,或者侵犯商业秘密、侵犯著作权等,请点击“违规举报”。

碎片内容

拱桥施工方案

文旅传媒+ 关注
实名认证
内容提供者

传播文化,成就未来

确认删除?
VIP
微信客服
  • 扫码咨询
会员Q群
  • 会员专属群点击这里加入QQ群
客服邮箱
回到顶部