电脑桌面
添加小米粒文库到电脑桌面
安装后可以在桌面快捷访问

施工测量方案13

施工测量方案13_第1页
1/6
施工测量方案13_第2页
2/6
施工测量方案13_第3页
3/6
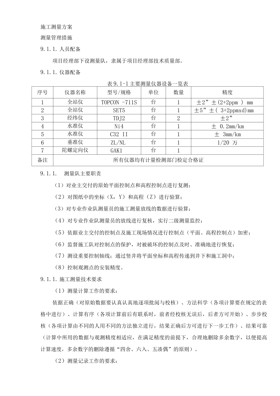
施工测量方案测量管理措施9.1.1. 人员配备项目经理部下设测量队,隶属于项目经理部技术质量部。9.1.1. 仪器配备表 9.1-1 主要测量仪器设备一览表序号仪器名称型号/规格单位数量精度1全站仪TOPCON -711S台1±2”±(2+2ppm ) mm2全站仪SET5台1±5”±( 3+2ppmxd)mm3经纬仪TDJ2台2±2”4水准仪Ni4台1± 0.2mm/km5水准仪C32 II台1± 3mm/km6垂准仪ZL/NL台11/20 万7陀螺定向仪GAK1台1备注所有仪器均有计量检测部门检定合格证9.1.1.测量队主要职责(1)对业主交付的原始平面控制点和高程控制点进行复测;(2)对图纸中的坐标(X,Y)和高程(Z)进行验算;(3)对专业作业队测量员的施工测量放线的数据进行验算;(4)对专业作业队测量员的放线进行复核,实行二级测量监控;(5)依据业主交付的控制点及施工现场情况进行控制点(平面、高程控制点)加密;(6)监督施工队对控制点的保护,对被破坏的控制点及时、准确地进行恢复;(7)测设重要控制轴线;通过竖井将平面坐标和高程传递到井下和施工洞中;(8)控制观测点的安装精度。9.1.1. 施工测量技术要求(1)测量计算工作的要求:依据正确(对原始数据要认真认真地逐项批阅与校核)、方法科学(各项计算要在规定的表格中进行)、计算有序(各项计算前后有联系时,前者经校核无误后,后者方可开始)、步步校核(各项计算由不同的人用不同的方法独立进行,结果正确后方可进行下一步工作)、结果可靠(计算中所用的数据与观测精度相适应,在满足精度的前提下,合理地删除多余数字,以便提高计算速度,多余数字的删除遵循“四舍、六入、五凑偶”的原则)。(2)测量记录工作的要求:原始真实(不允许抄录),数字正确(不允许有涂改现象),内容完整(表头填齐,附有草图和点志记图等),字体工整。(3)工程自始至终保持等精度观测。观测人员、记录人员、仪器、测量方法和测量路线等基本保持不变。(4)测量放线和验线工作必须独立进行。测量放线和验线工作必须满足工程精度要求,严格依据测量法律规范进行。工作积极主动,团结协作,为工程的顺利进行提供保障。(5)测量技术资料的收集与整理:测量人员在执行安全、保密等有关规定的前提下,用好、管好设计图纸和相关资料,同时还要及时收集与整理以下资料:1)交接桩记录单;2)红线桩坐标和水准点通知单;3)工程定位图(车站总平面图和场地地形图);4)设计变更文件和图纸;5)平面控制网与水准点成果表和验收单;6)工程重点部位、主...

1、当您付费下载文档后,您只拥有了使用权限,并不意味着购买了版权,文档只能用于自身使用,不得用于其他商业用途(如 [转卖]进行直接盈利或[编辑后售卖]进行间接盈利)。
2、本站所有内容均由合作方或网友上传,本站不对文档的完整性、权威性及其观点立场正确性做任何保证或承诺!文档内容仅供研究参考,付费前请自行鉴别。
3、如文档内容存在违规,或者侵犯商业秘密、侵犯著作权等,请点击“违规举报”。

碎片内容

施工测量方案13

您可能关注的文档

确认删除?
VIP
微信客服
  • 扫码咨询
会员Q群
  • 会员专属群点击这里加入QQ群
客服邮箱
回到顶部