电脑桌面
添加小米粒文库到电脑桌面
安装后可以在桌面快捷访问

XXX工程施工现场用电专项施工方案VIP免费

XXX工程施工现场用电专项施工方案_第1页
1/6
XXX工程施工现场用电专项施工方案_第2页
2/6
XXX工程施工现场用电专项施工方案_第3页
3/6
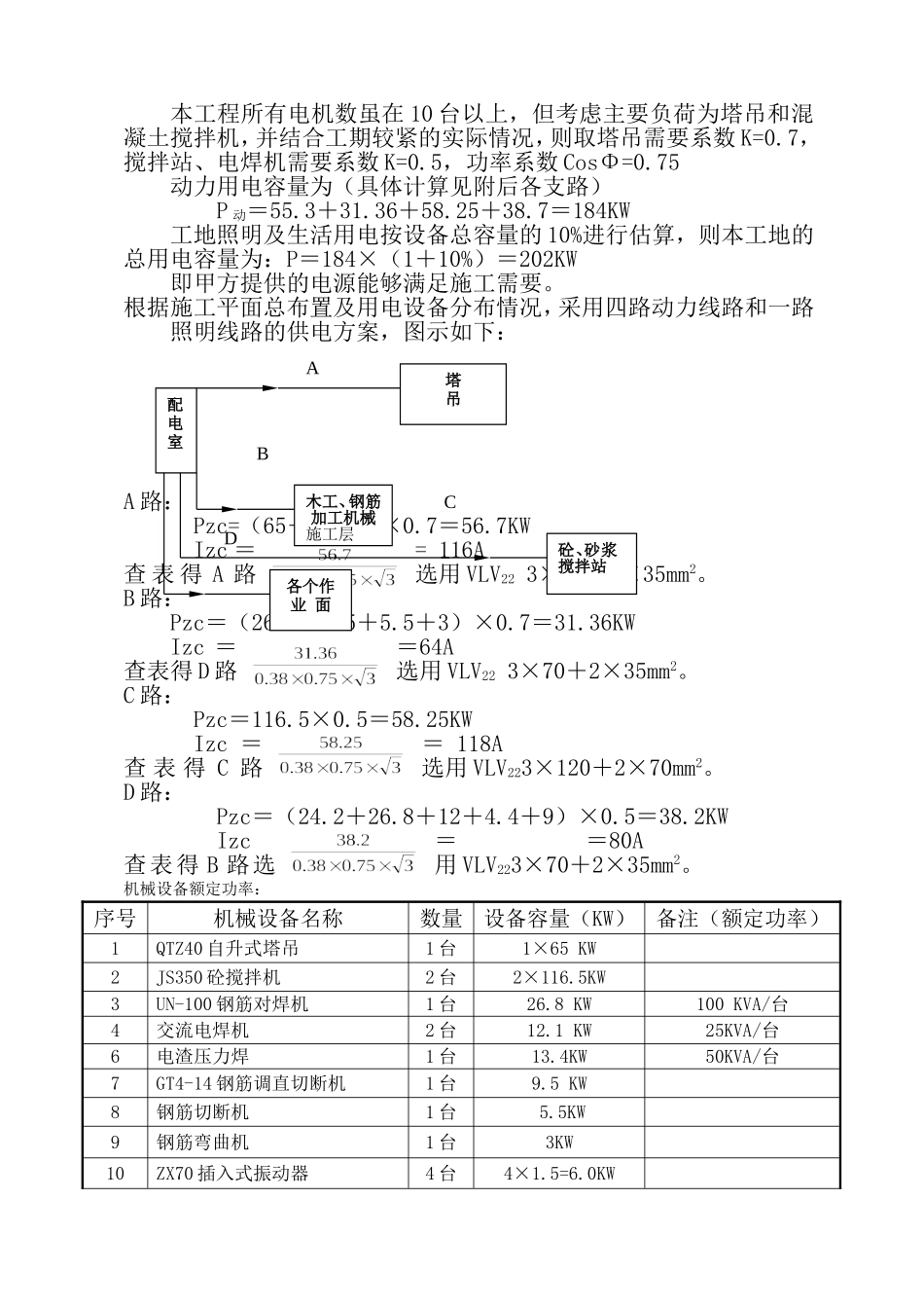
XXX工程施工现场用电专项施工方案施工现场用电专项施工方案一、设计依据1、《建筑工程施工现场供用电安全规范》(GB50194—93)2、《施工现场临时用电安全技术规范》(JGJ46—2005)。3、《电气装置安装工程施工及验收规范汇编》4《施工现场文明安全管理规定》5、《建筑施工安全检查标准》(JGJ59-2011)二、工程概况本工程位于安康市城投佳境住宅小区内。建设单位:安康中心城市建设投资开发有限公司,设计单位:北京国科天创建筑设计院,由陕西润泽建筑监理有限公司承担监理工作,勘察单位:安康市水电建筑勘察院,安康市建设工程质量安全监督中心站监督,安康市兴安地产集团建筑工程安装有限公司承建。地上8层,框架剪力墙结构,建筑面积为7950.1m2,建筑高度为27m,。现场临时用电电源由业主提供一路380V,容量为315KVA的电源。三、负荷计算负荷计算主要是根据现场用电情况计算负荷容量,作为选择变压器导线截面及配电设备的依据。施工现场临时用电平面布置图附后。现场用电设备统计见下表:其中Sn—额定功率(容量)KVA;Jc—与Sn相对应的暂载率CosΦ—功率因数电渣压力焊Pe=1×50××0.6=13.4KW电渣压力焊Pe=1×50××0.6=13.4KW交流电焊机Pe=1×25××0.6=12.1KWABCD本工程所有电机数虽在10台以上,但考虑主要负荷为塔吊和混凝土搅拌机,并结合工期较紧的实际情况,则取塔吊需要系数K=0.7,搅拌站、电焊机需要系数K=0.5,功率系数CosΦ=0.75动力用电容量为(具体计算见附后各支路)P动=55.3+31.36+58.25+38.7=184KW工地照明及生活用电按设备总容量的10%进行估算,则本工地的总用电容量为:P=184×(1+10%)=202KW即甲方提供的电源能够满足施工需要。根据施工平面总布置及用电设备分布情况,采用四路动力线路和一路照明线路的供电方案,图示如下:A路:Pzc=(65+8+8)×0.7=56.7KWIzc==116A查表得A路选用VLV223×70+2×35mm2。B路:Pzc=(26.8+9.5+5.5+3)×0.7=31.36KWIzc==64A查表得D路选用VLV223×70+2×35mm2。C路:Pzc=116.5×0.5=58.25KWIzc==118A查表得C路选用VLV223×120+2×70mm2。D路:Pzc=(24.2+26.8+12+4.4+9)×0.5=38.2KWIzc==80A查表得B路选用VLV223×70+2×35mm2。机械设备额定功率:序号机械设备名称数量设备容量(KW)备注(额定功率)1QTZ40自升式塔吊1台1×65KW2JS350砼搅拌机2台2×116.5KW3UN-100钢筋对焊机1台26.8KW100KVA/台4交流电焊机2台12.1KW25KVA/台6电渣压力焊1台13.4KW50KVA/台7GT4-14钢筋调直切断机1台9.5KW8钢筋切断机1台5.5KW9钢筋弯曲机1台3KW10ZX70插入式振动器4台4×1.5=6.0KW塔吊木工、钢筋加工机械施工层配电室砼、砂浆搅拌站各个作业面11P2-50平板式振动器2台2×2.2=4.4KW12木工电锯1台4KW13木工压刨1台3KW合计269.2KW四、电气选择1、因甲方给定现场电源直接从城市电网进入施工现场配电室,且装有动力电度表及生活用电度表。动力用电经表进入工地配电柜(一级配电),然后分四路再送向二级配电。生活用电流表进入工地配电柜而直接通过二级保护投入使用。2、现场配电室设一套配电柜,供A、B、C、D支路。3、分配电箱装有空气开关及漏电断路器,全部按照三级配电二级保护实施。4、开关箱实行一机一箱一闸加漏电保护的原则。五、工地供电线路实行TN—S保护系统:即三相五线制,配电箱必须采用铁壳标准配电箱,PE线(即保护零线)必须与配电箱及所有用电设备外壳连接,接地电阻应小于4Ω。六、安全用电及电气设备防火措施1.由持证上岗的专职电工负责所有电器设备的操作和维护工作。2.对全体施工人员应进行安全用电常识教育。3.所有配电箱、开关箱应每月进行检查和维修。检查维修人员必须是专业电工。检查维修时必须按规定穿、戴绝缘鞋、手套,必须使用绝缘工具。4.所有配电箱、开关箱在使用过程中必须按照下述操作顺序:1)送电:总箱→分箱→开关箱2)停电:开关箱→分箱→总箱(出现电器故障的紧急情况除外)5.工地所有电器设备,尤其手持电动工具必须装设漏电保护器。6.分配电箱、开关箱必须有锁,有防雨措施。7.电器设备明显部位应设“严禁靠近,以防触电”的标志。8.开关的更换、熔断器熔...

1、当您付费下载文档后,您只拥有了使用权限,并不意味着购买了版权,文档只能用于自身使用,不得用于其他商业用途(如 [转卖]进行直接盈利或[编辑后售卖]进行间接盈利)。
2、本站所有内容均由合作方或网友上传,本站不对文档的完整性、权威性及其观点立场正确性做任何保证或承诺!文档内容仅供研究参考,付费前请自行鉴别。
3、如文档内容存在违规,或者侵犯商业秘密、侵犯著作权等,请点击“违规举报”。

碎片内容

XXX工程施工现场用电专项施工方案

文章天下+ 关注
实名认证
内容提供者

各种文档应有尽有

确认删除?
VIP
微信客服
  • 扫码咨询
会员Q群
  • 会员专属群点击这里加入QQ群
客服邮箱
回到顶部