电脑桌面
添加小米粒文库到电脑桌面
安装后可以在桌面快捷访问

智能电表保护方案以上海唐辉电子有限公司专案为例说开去模板VIP专享

智能电表保护方案以上海唐辉电子有限公司专案为例说开去模板_第1页
1/10
智能电表保护方案以上海唐辉电子有限公司专案为例说开去模板_第2页
2/10
智能电表保护方案以上海唐辉电子有限公司专案为例说开去模板_第3页
3/10
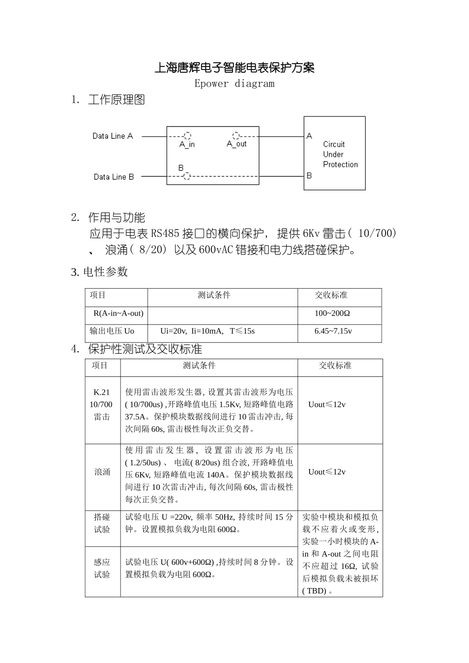
智能电表保护方案以上海唐辉电子有限公司专案为例说开去上海唐辉电子智能电表保护方案Epower diagram1. 工作原理图 2. 作用与功能 应用于电表 RS485 接口的横向保护, 提供 6Kv 雷击( 10/700) 、 浪涌( 8/20) 以及 600vAC 错接和电力线搭碰保护。3. 电性参数项目测试条件交收标准R(A-in~A-out)100~200Ω输出电压 UoUi=20v, Ii=10mA, T≤15s6.45~7.15v4. 保护性测试及交收标准 项目测试条件交收标准K.21 10/700雷击使用雷击波形发生器, 设置其雷击波形为电压( 10/700us) ,开路峰值电压 1.5Kv, 短路峰值电路37.5A。保护模块数据线间进行 10 雷击冲击, 每次间隔 60s, 雷击极性每次正负交替。 Uout≤12v浪涌使 用 雷 击 发 生 器 , 设 置 雷 击 波 形 为 电 压( 1.2/50us) 、 电流( 8/20us) 组合波, 开路峰值电压 6Kv, 短路峰值电流 140A。保护模块数据线间进行 10 次雷击冲击, 每次间隔 60s, 雷击极性每次正负交替。 Uout≤12v搭碰试验试验电压 U =220v, 频率 50Hz, 持续时间 15 分钟。设置模拟负载为电阻 600Ω。实验中模块和模拟负载不应着火或变形, 实验一小时模块的 A-in 和 A-out 之间电阻不应超过 16Ω, 试验后模拟负载未被损坏( TBD) 。感应试验试验电压 U( 600v+600Ω) ,持续时间 8 分钟。设置模拟负载为电阻 600Ω。5. 机械尺寸( 根据客户要求) A=17.6max B=15.7max C=12.2max D=A/2 E=C/2 F=2.6±0.1 G=4.5±0.1 H=5.0±0.1 ΦL=0.64(23AWG) 单位: 毫米6 装配图6.1 PCB 尺寸图6.2 外壳尺寸 壁厚: 0.8max(毫米) A=17.6max B=15.7max C=12.2max7. 测试结果7.1 K.21 10/700 雷击 实时测试中, 在满足输入要求时, 测得输出电压约为 8v。符合性能要求。输出波形见下图: 7.2 浪涌测试 实时测试中, 在模块前端串接一个 200Ω 的电阻, 在满足输入条件时, 测得输出电压在 8.2~8.4v 之间, 符合性能要求。输出波形见下图: 7.3 电力线搭碰测试 7.3.1 搭碰电压试验每个保护器件传输线间测试要求如下: 试验电压: Ua.c.r.m.s=220v,频率 50Hz;持续时间: 15 分钟; 试验次数: K 每位置一次; 220v 搭碰电压试验, 满足输入要求时, 输出端电压值为3.8v, 持续 15 分钟后电压值减为 3.3v。实验一小时后 TVS 管和负载电阻性能良好, 未被损坏。7.3.2 感应电压试验感应电压试验( 600v+600Ω) 。满足其输入条件, 测试其输出端电压值为 2.5v, 3 分钟后减为 2.2v。持续 8 分钟, 其性能测试依旧良好, 符合要求。

1、当您付费下载文档后,您只拥有了使用权限,并不意味着购买了版权,文档只能用于自身使用,不得用于其他商业用途(如 [转卖]进行直接盈利或[编辑后售卖]进行间接盈利)。
2、本站所有内容均由合作方或网友上传,本站不对文档的完整性、权威性及其观点立场正确性做任何保证或承诺!文档内容仅供研究参考,付费前请自行鉴别。
3、如文档内容存在违规,或者侵犯商业秘密、侵犯著作权等,请点击“违规举报”。

碎片内容

智能电表保护方案以上海唐辉电子有限公司专案为例说开去模板

确认删除?
VIP
微信客服
  • 扫码咨询
会员Q群
  • 会员专属群点击这里加入QQ群
客服邮箱
回到顶部