电脑桌面
添加小米粒文库到电脑桌面
安装后可以在桌面快捷访问

木质家具制造行业清洁生产审核案例

木质家具制造行业清洁生产审核案例_第1页
1/28
木质家具制造行业清洁生产审核案例_第2页
2/28
木质家具制造行业清洁生产审核案例_第3页
3/28
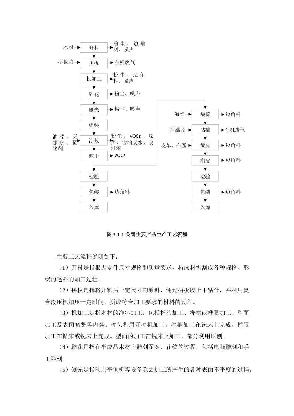
木质家具制造行业清洁生产审核案例1 深圳市某家具企业1.1 企业概况深圳市某家具企业位于坪山新区坑梓家具产业集聚基地,拥有近 1.5 万平米的自建工业园和 100 多名员工,是一家集研发、生产、销售、物流、服务于一体的综合性家具企业。企业的主要产品为木质床、餐台、餐椅、书柜、立柜、茶几和皮沙发等,年产量近万套。1.1.1 企业生产现状主要产品及产量公司产品以木质家具为主,主要产品以餐椅、立柜和沙发为多,近三年的产品产量情况统计如下。表 3-1-1 公司近三年主要产品产量情况表序号产品名称单位数量2025 年2025 年2025 年 1-6 月1沙发套180015005302床套4304001203餐台套8127123204餐椅套4200352016005书柜套2308151006立柜套18009111507茶几套1500918450总计套1077287763270成品率%959596工业产值万元430035001200主要生产工艺公司以木制家具生产为主,主要产品的生产工艺流程如下图所示。开料拼板雕花刨光组装涂装机加工晾干检验包装裁棉裁皮扪皮入库贴棉检验包装入库木材拼板胶粉 尘 、 边 角料、噪声粉尘、噪声粉尘、噪声粉尘、 VOCs 、噪声、含油废水、废油渣VOCs粉 尘 、 边 角料、噪声海绵皮革、布匹海绵胶边角料边角料边角料边角料边角料有机废气油 漆 、 天那 水 、 固化剂有机废气图 3-1-1 公司主要产品生产工艺流程主要工艺流程说明如下:(1)开料是指根据零件尺寸规格和质量要求,将成材锯割成各种规格、形状的毛料的加工过程。(2)拼板是指将开料后一定尺寸的原料,通过拼板胶上下粘合,并利用复合液压机加压一定时间,拼成符合加工要求的材料的过程。(3)机加工是指木材的净料加工,包括榫头加工、榫槽或榫眼加工、型面加工及表面修整等内容。榫头利用开榫机加工。榫槽加工在铣床上完成。榫眼加工在钻床或铣床上完成。型面的加工在铣床上加工,部分利用压刨。(4)雕花是指在半成品木材上雕刻图案、花纹的过程,包括电脑雕刻和手工雕刻。(5)刨光是指利用平刨机等设备除去加工所产生的各种表面不平度的过程。(6)组装是指将加工好的零件组装成为部件,如将木材拼接成面板框架。零件组装成部件后,有的部件需进行进一步的加工,对可能存在的一些误差进行修整。(7)涂装包括调油、底油、油磨和面油,是指根据不同装饰要求对半成品表面进行涂装加工的过程,以起到保护与装饰作用。(8)晾干是指将涂装后的产品进行自然风干的过程。(9)包装是指将加工完成的产品用特定材料进行包装出货...

1、当您付费下载文档后,您只拥有了使用权限,并不意味着购买了版权,文档只能用于自身使用,不得用于其他商业用途(如 [转卖]进行直接盈利或[编辑后售卖]进行间接盈利)。
2、本站所有内容均由合作方或网友上传,本站不对文档的完整性、权威性及其观点立场正确性做任何保证或承诺!文档内容仅供研究参考,付费前请自行鉴别。
3、如文档内容存在违规,或者侵犯商业秘密、侵犯著作权等,请点击“违规举报”。

碎片内容

木质家具制造行业清洁生产审核案例

确认删除?
VIP
微信客服
  • 扫码咨询
会员Q群
  • 会员专属群点击这里加入QQ群
客服邮箱
回到顶部