电脑桌面
添加小米粒文库到电脑桌面
安装后可以在桌面快捷访问

机房UPS设计方案

机房UPS设计方案_第1页
1/15
机房UPS设计方案_第2页
2/15
机房UPS设计方案_第3页
3/15
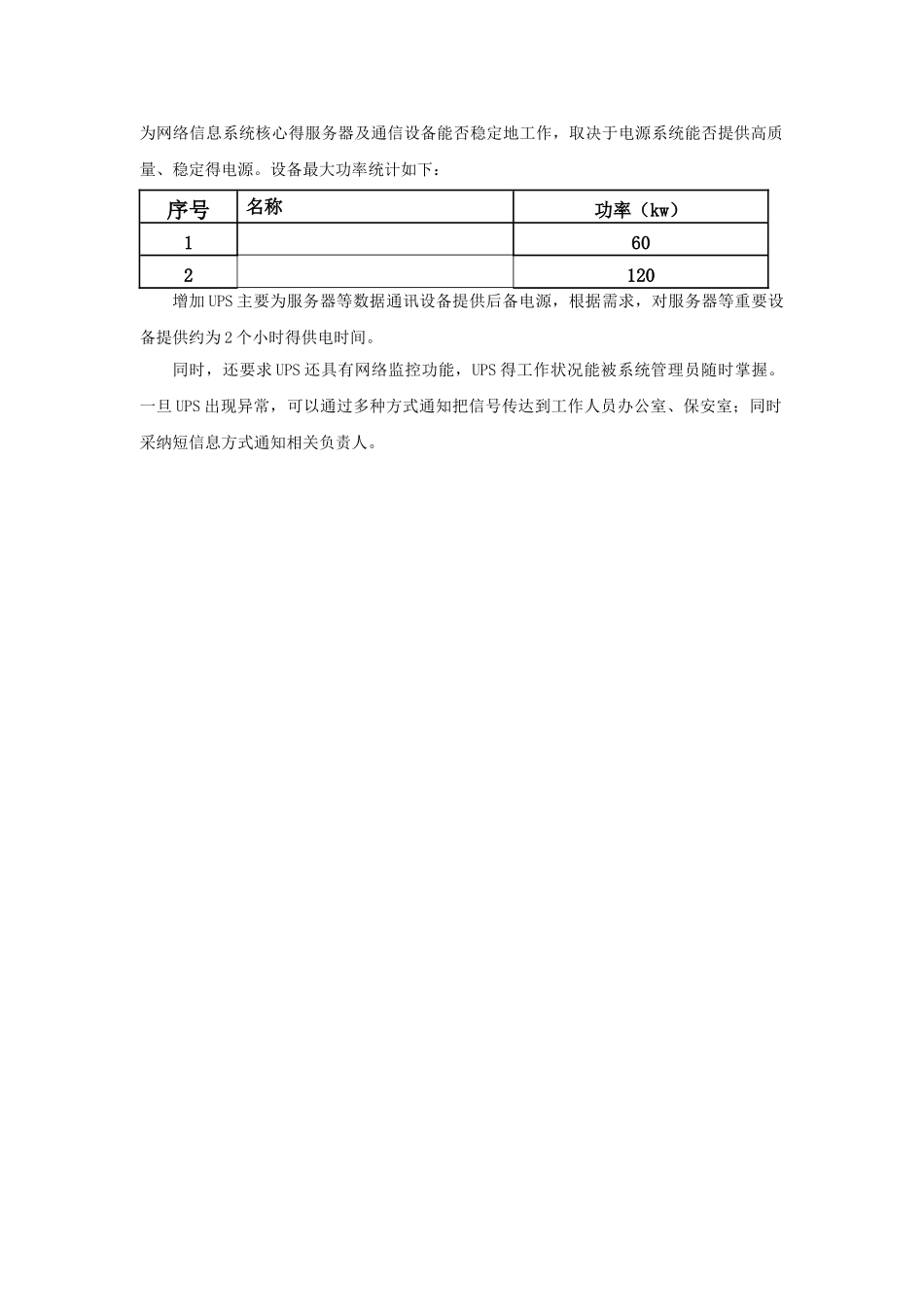
xxx 机房 UPS设计方案2025 年 XX 月 XX 日目录一、系统需求..................................................................................................................................3二、 UPS 设计概述 .......................................................................................................................... 3 三、 UPS 系统设计 .......................................................................................................................... 4 四、施工安装 ................................................................................................................................ 12 五、售后服务 ................................................................................................................................ 14 一、系统需求为保证信息系统得安全,UPS 间得建设尤为重要。由于供电系统中不可避开得存在如供电中断、电压浪涌、电压陷落、波形畸变、频率漂移、持续过压、持续低压、瞬间过电压与噪声干扰等情况,这些情况中得任一出现必将造成整个供电系统得不稳定,尤其就是对通信网络信息设备轻则工作出错、通信失败,重则设备损坏、数据丢失、系统崩溃。作为网络信息系统核心得服务器及通信设备能否稳定地工作,取决于电源系统能否提供高质量、稳定得电源。设备最大功率统计如下:序号名称功率(kw)1602120增加 UPS 主要为服务器等数据通讯设备提供后备电源,根据需求,对服务器等重要设备提供约为 2 个小时得供电时间。同时,还要求 UPS 还具有网络监控功能,UPS 得工作状况能被系统管理员随时掌握。一旦 UPS 出现异常,可以通过多种方式通知把信号传达到工作人员办公室、保安室;同时采纳短信息方式通知相关负责人。二、UPS 设计概述2、1、编制目得本文件用来描述 xxxx 机房电源解决方案,主要对保证监控中心服务器设备、网络设备及视频设备得用电安全。对 UPS 设计进行了总体说明,并作为甲方、监理、专家监督施工得依据。2、2、编制依据1、《通信用不间断电源-UPS》YD/T 1095-2000 国家信息产业部2、《信息技术设备不间断电源通用技术条件》GB/T 147153、《不间断电源设备》GB/T7260-19874、《通信电源设备安装设计法律规范》YD5040-972、3、设计原则1、高可靠性:这就是系统设计最重...

1、当您付费下载文档后,您只拥有了使用权限,并不意味着购买了版权,文档只能用于自身使用,不得用于其他商业用途(如 [转卖]进行直接盈利或[编辑后售卖]进行间接盈利)。
2、本站所有内容均由合作方或网友上传,本站不对文档的完整性、权威性及其观点立场正确性做任何保证或承诺!文档内容仅供研究参考,付费前请自行鉴别。
3、如文档内容存在违规,或者侵犯商业秘密、侵犯著作权等,请点击“违规举报”。

碎片内容

机房UPS设计方案

确认删除?
VIP
微信客服
  • 扫码咨询
会员Q群
  • 会员专属群点击这里加入QQ群
客服邮箱
回到顶部