电脑桌面
添加小米粒文库到电脑桌面
安装后可以在桌面快捷访问

机械设备计划表

机械设备计划表_第1页
1/4
机械设备计划表_第2页
2/4
机械设备计划表_第3页
3/4
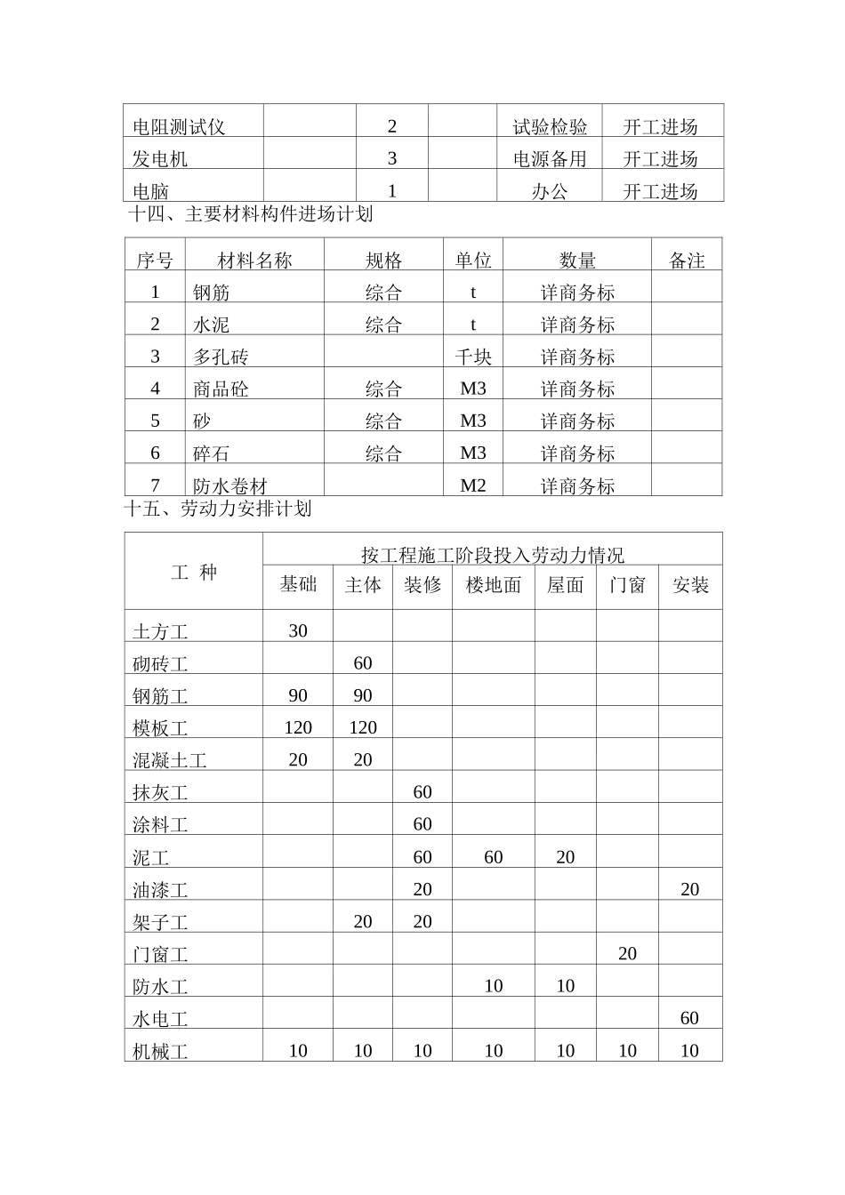
十三、主要机械设备进场计划设备名称型号规数量功率用途进场时间反铲挖掘机PC-2390土方工程开工进场装载机ZL50 型2150土方工程开工进场振动压路机Y6-9/16280土方工程开工进场自卸汽车LA3160P204.5T土方工程开工进场快速冲击夯HC7053土方工程开工进场蛙式打夯机HW-6052.1土方工程开工进场黄河平板车JN4622150场外运输开工进场载重汽车290场外运输开工进场卷扬机三木塔201t桩基础施开工进场活动安全盖板20桩基础施开工进场鼓风机VY9-7510桩基础施开工进场履带式起重机QY20TA2322桩基础施开工进场手推车40水平运输开工进场塔吊4208357垂直运输基础完工后施工电梯SCDT-10335垂直运输基础完工后快速井架SML-15A115垂直运输基础完工后泥浆泵LS-30103排水机械开工进场潜水泵JQB-2-1101.5排水机械开工进场钢筋切割机GQ40-123钢筋工程开工进场钢筋弯箍机GJ7/4024钢筋工程开工进场压力焊机UNI-1215钢筋工程开工进场沟通电焊机BX1-3223.4钢筋工程开工进场直流电焊机BX1-3223.4钢筋工程开工进场砼输送泵HBT70237砼机械砼施工时商品砼运输车三菱824砼机械砼施工时砼搅拌机JZC35057.5砼机械开工进场砂浆搅拌机HJ255砂浆机械开工进场插入振动器ZX-60101.5振捣开工进场平板振动器PZ-5051振捣开工进场木工电刨Y521模板工程开工进场木工电锯J521模板工程开工进场电锤DH2250.74安装工程主体完工后割管机21.5安装工程主体完工后套丝机S2-122安装工程主体完工后弯管机21.5安装工程主体完工后火灾探测器3安装工程主体完工后沟通稳压器3安装工程主体完工后直流稳压器3安装工程主体完工后数字储器3安装工程主体完工后自动稳压器3安装工程主体完工后台式洗床KT-39323.3安装工程主体完工后立式洗床KT-30326安装工程主体完工后弯槽机KT343A21.5安装工程主体完工后冲床KT-373A26.6安装工程主体完工后双头切割机KT-383215.5门窗工程主体完工后打胶机KT-36310门窗工程主体完工后吸盘机120M4-610门窗工程主体完工后铝料锣榫机KT313A26.6门窗工程主体完工后铝质开料机床KT-32321.5门窗工程主体完工后经纬仪DJ63测量放样开工进场水准仪FA-323测量放样开工进场标尺、标杆若干测量放样开工进场水准视距尺若干测量放样开工进场水平尺卷尺若干测量放样开工进场砼试压模6试验检验开工进场砂浆试压模6试验检验开工进场坍落度仪1试验检验开工进场万用表2试验检验开工进场电阻测试仪2试验检验开工进场发电机3电源备用开工进场电脑1办公开工进场十四、主要材料构件进场计划序号材料名称规格单...

1、当您付费下载文档后,您只拥有了使用权限,并不意味着购买了版权,文档只能用于自身使用,不得用于其他商业用途(如 [转卖]进行直接盈利或[编辑后售卖]进行间接盈利)。
2、本站所有内容均由合作方或网友上传,本站不对文档的完整性、权威性及其观点立场正确性做任何保证或承诺!文档内容仅供研究参考,付费前请自行鉴别。
3、如文档内容存在违规,或者侵犯商业秘密、侵犯著作权等,请点击“违规举报”。

碎片内容

机械设备计划表

确认删除?
VIP
微信客服
  • 扫码咨询
会员Q群
  • 会员专属群点击这里加入QQ群
客服邮箱
回到顶部