电脑桌面
添加小米粒文库到电脑桌面
安装后可以在桌面快捷访问

桥式起重机维护检修规程

桥式起重机维护检修规程_第1页
1/13
桥式起重机维护检修规程_第2页
2/13
桥式起重机维护检修规程_第3页
3/13
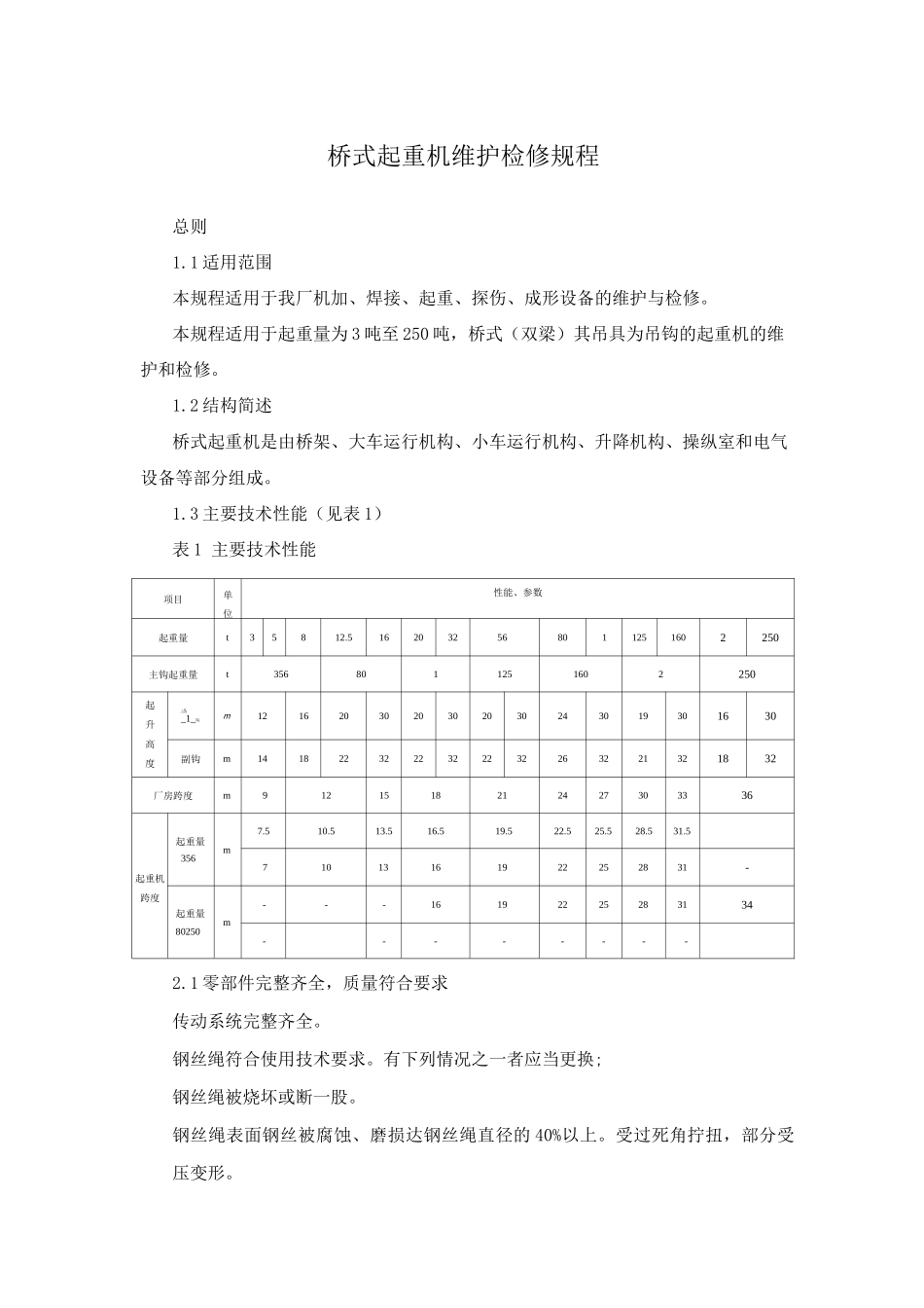
桥式起重机维护检修规程总则1.1 适用范围本规程适用于我厂机加、焊接、起重、探伤、成形设备的维护与检修。本规程适用于起重量为 3 吨至 250 吨,桥式(双梁)其吊具为吊钩的起重机的维护和检修。1.2 结构简述桥式起重机是由桥架、大车运行机构、小车运行机构、升降机构、操纵室和电气设备等部分组成。1.3 主要技术性能(见表 1)表 1 主要技术性能项目单位性能、参数起重量t35812.5162032568011251602250主钩起重量t3568011251602250起升高度+ 丛 _1_钩m1216203020302030243019301630副钩m1418223222322232263221321832厂房跨度m9121518212427303336起重机跨度起重量356m7.510.513.516.519.522.525.528.531.571013161922252831-起重量80250m---16192225283134--------2.1 零部件完整齐全,质量符合要求传动系统完整齐全。钢丝绳符合使用技术要求。有下列情况之一者应当更换;钢丝绳被烧坏或断一股。钢丝绳表面钢丝被腐蚀、磨损达钢丝绳直径的 40%以上。受过死角拧扭,部分受压变形。钢丝绳在一个捻距内的断丝根数达表 2 所列数据值时。表 2 一个捻距内断丝根数钢丝绳结构6 x 19+1 互捻制的6 x 37+1 互捻制的6 x 67+1 互捻制的18 x 19+1 互捻制的安全系数6以下122236366以上14162630384038402.1.3 吊钩、吊环符合使用技术要求。有下列情况者应当更换:a.表面由裂纹、破。b. 危险断面及钩颈由永久变形。c. 挂绳处断面磨损超过原高度 10%。d. 吊钩衬套磨损超过原厚度的 50%,心轴(销子)磨损超过其直径的 35%。2.1.4 滑轮、卷筒符合使用技术要求。有下列情况者应更换:a. 轮辐板与轮缘有裂纹,卷筒的圆柱面有裂纹。b. 轴磨损达直径的 35%,滑轮槽壁磨损达原厚度的 20%,磨损壁达原厚度 1520%。2.1.5 制动装置齐全,能制住额定负荷的 1.25 倍。2.1.6 润滑装置齐全,效果良好。2.1.7 电气装置齐全、有效;安全装置灵敏可靠。2.1.8 主、副梁的下绕、上拱、旁边等变形均不得超过有关技术规定:LKLKLK下绕< 7 ;上拱》10;旁弯< 20 (LK 为起重机跨度。单位 m)。2.2 设备运转正常、性能良好,起重能力达到设计要求起重能力应达到设计要求,并符合劳动部门的有关规定。传动系统灵敏可靠,无异常窜动、冲击、振动、噪声等现象。操作系统灵敏可靠,调速正常。制动装置安全可靠,动作灵活;电气联锁齐全有效;各限制开关工作正常。车轮与轨道接触良好,无严重啃轨现象。2.3 技术资料齐全、准确、...

1、当您付费下载文档后,您只拥有了使用权限,并不意味着购买了版权,文档只能用于自身使用,不得用于其他商业用途(如 [转卖]进行直接盈利或[编辑后售卖]进行间接盈利)。
2、本站所有内容均由合作方或网友上传,本站不对文档的完整性、权威性及其观点立场正确性做任何保证或承诺!文档内容仅供研究参考,付费前请自行鉴别。
3、如文档内容存在违规,或者侵犯商业秘密、侵犯著作权等,请点击“违规举报”。

碎片内容

桥式起重机维护检修规程

您可能关注的文档

不二商店+ 关注
实名认证
内容提供者

我是你的不二选择

确认删除?
VIP
微信客服
  • 扫码咨询
会员Q群
  • 会员专属群点击这里加入QQ群
客服邮箱
回到顶部