电脑桌面
添加小米粒文库到电脑桌面
安装后可以在桌面快捷访问

桥梁施工用电方案

桥梁施工用电方案_第1页
1/8
桥梁施工用电方案_第2页
2/8
桥梁施工用电方案_第3页
3/8
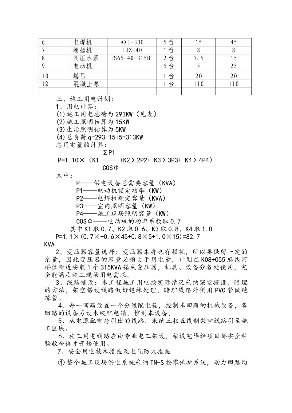
贵安新区北斗湖路(一期)道路工程 (K5+801~K11+602.199)桥梁施工临时用电方案审批:审核:编制:中国第四冶金建设有限责任公司贵安新区北斗湖道路建设项目第 2 标段项目经理部二零一四年一月跨麻线河大桥施工临时用电方案一、工程概况北斗湖路(一期)道路工程全线位于平坝县马场镇及高峰镇区域,终点在高峰镇新农村。道路整体呈东西走向,东起于已建成黔中路,终点位于新农村,与现状猫弯线相接。道路全长 11.602km,第二合同段工程范围为 K5+801~K11+602.199.本合同段有桥梁 1 座,根据实际情况和施工段地理条件因素,计划在 K08+055 麻线河大桥段单独安装一台 315KVA 变压器 o5Dar2X。C2x0AS2。二、主要机具、设备一览表序号机 械 ( 设备)型 号规 格数 量额 定 功 率(KW)总功率(KW)1空压机3 台15452砂 轮 切 割机1 台553砼 插 入 式振动器ZX-5010 台1104钢 筋 切 断机GJ5-401 台555钢 筋 弯 曲机WJ40-11 台556电焊机AXJ-3005 台15457卷扬机JJZ-401 台888高压水泵IS65-40-315B2 台7.5159电动机5 台52510塔吊1 台202012混凝土泵1 台110110三、施工用电计划:1、用电计算:(1)施工用电总荷为 293KW(见表)(2)施工照明估算为 15KW(3)生活照明估算为 5KW(4)总负荷 q=293+15+5=313KW总用电量的计算: ΣP1 P=1.10×(K1 —— +K2Σ2P2+ K3Σ3P3+ K4Σ4P4) COSΦ式中:P——供电设备总需要容量(KVA) P1——电动机额定功率(KW) P2——电焊机额定容量(KVA) P3——室内照明容量(KW) P4——施工现场照明容量(KW) COSΦ——电动机的功率系数取 0.7 其中 K1 取 0.7、K2 取 0.6、K3 取 0.8、K4 取 1.0P=1.1×(0.7×+0.6×45+0.8×5+1.0×15)=82.7 KVAwOcXYXj。WdLjbvq。2、变压器容量选择:变压器本身也有损耗,所以要保留一定的余量,因此变压器的容量必须大于用电量,计划在 K08+055 麻线河桥位附近安装 1 个 315KVA 箱式变压器,机具、设备分各处使用,完全能满足施工现场用电需求。ffSyfKh。vKNfIkP。3、线路铺设:本工程施工用电按实际情况采纳架空搭设、暗埋的方法,架空搭设线路做好绝缘处理,暗埋线路外侧用 PVC 管做绝缘管。klFewRU。dc2gH9u。4、每一回路设置一个分级配电箱,控制本回路的机械设备,各回路的设备另设未级配电箱,控制本设备。5、从电源配电房引出的线路,采纳三相五线制架空线路引至施工区域。6、施工用电线路应由专业电工架设...

1、当您付费下载文档后,您只拥有了使用权限,并不意味着购买了版权,文档只能用于自身使用,不得用于其他商业用途(如 [转卖]进行直接盈利或[编辑后售卖]进行间接盈利)。
2、本站所有内容均由合作方或网友上传,本站不对文档的完整性、权威性及其观点立场正确性做任何保证或承诺!文档内容仅供研究参考,付费前请自行鉴别。
3、如文档内容存在违规,或者侵犯商业秘密、侵犯著作权等,请点击“违规举报”。

碎片内容

桥梁施工用电方案

确认删除?
VIP
微信客服
  • 扫码咨询
会员Q群
  • 会员专属群点击这里加入QQ群
客服邮箱
回到顶部