电脑桌面
添加小米粒文库到电脑桌面
安装后可以在桌面快捷访问

植筋施工方案

植筋施工方案_第1页
1/8
植筋施工方案_第2页
2/8
植筋施工方案_第3页
3/8
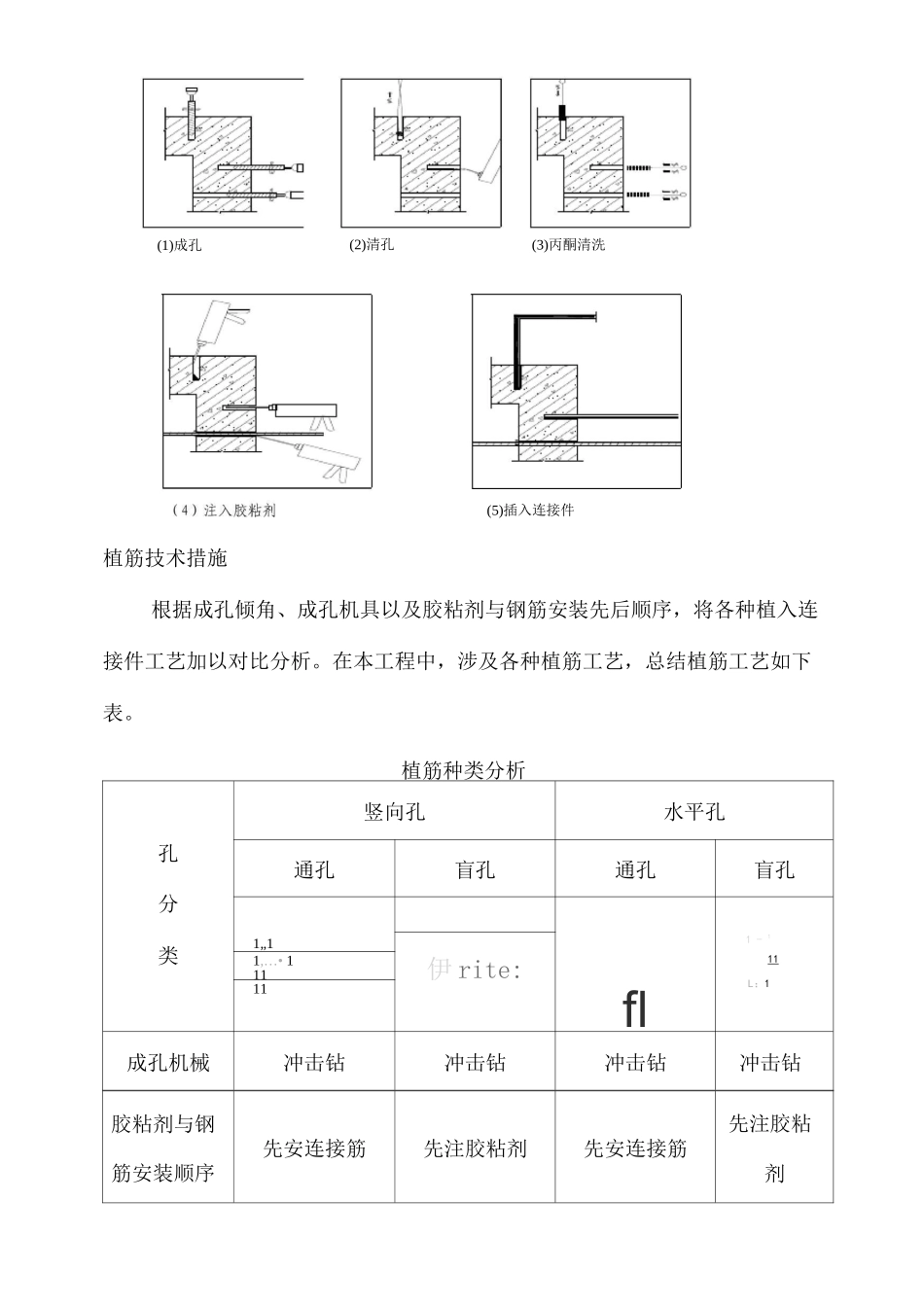
植筋施工方案5.3.3. 1 植筋工程内容墙体采纳板墙加固时新增混凝土内钢筋的生根,需要在原有结构内植入水平或竖向钢筋,植入的钢筋直径为巾 8,巾 10,巾 14,巾 16 等规格。植筋方法穿楼板植筋:巾 16 采纳 M15 水泥砂浆。砖墙体植筋:巾 8、巾 10 采纳 M15 水泥砂浆。巾 14 植筋胶植筋钢筋直径与植筋孔经过我公司多年的工程实践,总结处切实可靠的钢筋成孔施工工艺及图纸要求,曾经在北京多处工程实践过。现列表如下:植筋技术参数表钢筋规格8101416钻孔直径12141822钻孔深度120150210240钻孔植筋工艺原理植筋技术系植入连接件技术的一个分支,是今年国内新兴的一个连接技术。通过成孔机械(水钻、冲击钻、风钻等)在砖石、混凝土、钢筋混凝土等质地坚硬的基底上成孔,通过胶粘剂(化学结构胶、CGM、水泥砂浆等)将处理完的钢筋、锚栓、型钢等高强材料与基底结构牢固连接。一般工艺原理见下图:植筋技术措施根据成孔倾角、成孔机具以及胶粘剂与钢筋安装先后顺序,将各种植入连接件工艺加以对比分析。在本工程中,涉及各种植筋工艺,总结植筋工艺如下表。植筋种类分析竖向孔水平孔孔分通孔盲孔通孔盲孔类1„1n1 - 11,…• 111伊 rite:1111flL:1成孔机械冲击钻冲击钻冲击钻冲击钻胶粘剂与钢筋安装顺序先安连接筋先注胶粘剂先安连接筋先注胶粘剂(2)清孔(3)丙酮清洗(1)成孔(5)插入连接件注:胶粘剂为结构胶。植筋工艺流程:放初始定位线-确定原结构钢筋位置并做标记-放钻孔位置十字交叉线-验线-冲击钻并钻孔-清孔与孔洞临时保护—植筋前打磨、清洗钢筋—插入钢筋后注入胶粘剂—养护—验收。(1 )施工准备:施工员针对工程的关键部位编制好技术交底,向班组讲明具体要求,并由技术工人做好示范操作。根据工程需要,应提前做好材料的供应、检验、保管工作。在采购锚固胶时,应有产品合格证书,必要时根据设计要求对胶的抗压强度、粘接强度、耐老化性能、固化时间等进行核验。(2 )钻孔:使用电锤成孔,防止破坏原结构的整体性能,严禁使用风动凿岩机钻空;为保证钢筋与墙面垂直,在钻孔时,应实行有效措施,使钻头与墙面垂直;(3)清孔统一清孔,采纳压缩空气,将空洞内灰渣吹扫洁净,孔洞内要保持干燥,如孔壁沾油污,可用丙酮擦洗洁净;反复彻底清洁孔壁三次以上,不要留下尘土或泥浆。将孔内的灰尘清除洁净后,用棉纱塞好,以防杂物掉入;验孔,邀请设计、甲方、监理部门对孔的深度及孔的直径进行校验,并真填写报验单,经检查合格...

1、当您付费下载文档后,您只拥有了使用权限,并不意味着购买了版权,文档只能用于自身使用,不得用于其他商业用途(如 [转卖]进行直接盈利或[编辑后售卖]进行间接盈利)。
2、本站所有内容均由合作方或网友上传,本站不对文档的完整性、权威性及其观点立场正确性做任何保证或承诺!文档内容仅供研究参考,付费前请自行鉴别。
3、如文档内容存在违规,或者侵犯商业秘密、侵犯著作权等,请点击“违规举报”。

碎片内容

植筋施工方案

确认删除?
VIP
微信客服
  • 扫码咨询
会员Q群
  • 会员专属群点击这里加入QQ群
客服邮箱
回到顶部