电脑桌面
添加小米粒文库到电脑桌面
安装后可以在桌面快捷访问

汽车电器实训指导书

汽车电器实训指导书_第1页
1/17
汽车电器实训指导书_第2页
2/17
汽车电器实训指导书_第3页
3/17
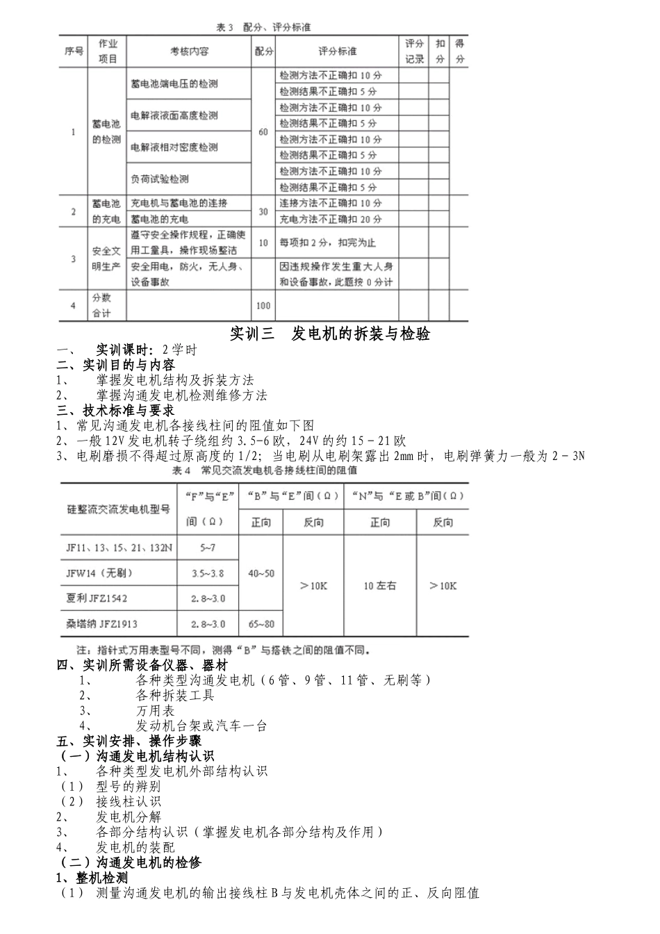
《汽车电器构造与检修》实训指导书 实训一、汽车电器常用检测工具及电器中间连接装置检测方法一、实训课时:1 学时二、实训目的与内容:1、熟悉万用表、试灯、汽车万用表、跨接线的使用操作方法;2、熟悉汽车电器电路中间装置的检测方法;3、了解汽车常规电器的类型;三、技术标准及要求:四、实训所需的仪器设备、器材1、万用表;2、跨接线;3、试灯4、汽车线束5、开关6、熔断器7、继电器8、插接器五、实训安排及操作步骤(一)万用表的使用(二)试灯的使用(三)跨接线的使用(四)开关的检查(五)保险的检查(六)继电器的检查(七)熟悉汽车电器的主要元件(常规电器)六、注意事项1、测电阻时不能带电测量;不能有并联支路七、实训考核要求1、能熟练使用汽车电器常用测量工具;2、能对汽车电器的中间连接装置进行检测;八、考核时间:15 分钟九、配分、评分标准序号 考核内容 配分 评分标准 考核记录 扣分 得分 1 正确使用万用表 20 测试方法正确 20 分 2 检测开关的好坏30 检测方法正确 20 分 检测结果正确 10 分3 检查保险的好坏 10 能正确推断保险的好坏 10分 4 检查继电器的好坏25 检查方法正确 15 分 检测结果正确 10 分 5安全文明生产15安全操作,正确使用工量具,操作现场干净 15 分6 分数总计 100 实训二 蓄电池技术状况检测及充电一、实训课时:1 学时二、实训目的与内容1、掌握蓄电池的使用及维护2、掌握蓄电池的结构3、掌握蓄电池的技术状态检测4、掌握蓄电池的充电方法三、技术标准与要求表 2 蓄电池测量电压与放电程度的关系四、实训所需的仪器设备、器材1 、 蓄电池(普通、免维护、解剖蓄电池)2 、 密度计、吸液器、万用表、温度计3 、 高率放电计4 、 蓄电池补充液5、充电机五、实训安排及操作步骤(一)蓄电池的使用及维护1、蓄电池的储存2、蓄电池的拆装(连接正负极的顺序;蓄电池的跨接)3、蓄电池的维护(二)蓄电池的结构认识(三)蓄电池的技术状态检测1、外部检查2、蓄电池静止电动势(开路电压)的检查(推断放电程度)3、蓄电池电解液液面高度检查4、蓄电池电解液密度检查5、蓄电池负荷的检查(1)高率放电计测试(利用高率放电计检查的目的)(2)就车测试(正常蓄电池的电压)(四)蓄电池的充电(掌握蓄电池充电时电压、电流的选取;充足电的特征)六、注意事项1、不得向蓄电池中添加自来水、井水、河水代替蒸馏水2、蓄电池大电流放电和添加蒸馏水后,...

1、当您付费下载文档后,您只拥有了使用权限,并不意味着购买了版权,文档只能用于自身使用,不得用于其他商业用途(如 [转卖]进行直接盈利或[编辑后售卖]进行间接盈利)。
2、本站所有内容均由合作方或网友上传,本站不对文档的完整性、权威性及其观点立场正确性做任何保证或承诺!文档内容仅供研究参考,付费前请自行鉴别。
3、如文档内容存在违规,或者侵犯商业秘密、侵犯著作权等,请点击“违规举报”。

碎片内容

汽车电器实训指导书

确认删除?
VIP
微信客服
  • 扫码咨询
会员Q群
  • 会员专属群点击这里加入QQ群
客服邮箱
回到顶部