电脑桌面
添加小米粒文库到电脑桌面
安装后可以在桌面快捷访问

烟囱工程基础钢筋安装工程质量标准及检验方法

烟囱工程基础钢筋安装工程质量标准及检验方法_第1页
1/2
烟囱工程基础钢筋安装工程质量标准及检验方法_第2页
2/2
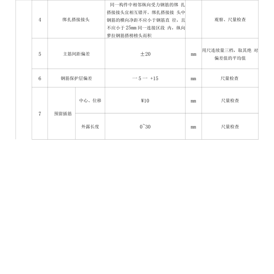
烟囱工程基础钢筋安装工程质量标准及检验方法1 检查数量:逐项检查,凡有允许偏差的项目,其抽查数均不小于 10 处。2 质量标准和检验方法:钢筋安装工程(烟囱基础)质量标准和检验方法类别序号检验项目质量标准单位检验方法及器具主控项目1受力钢筋的品种、级别、 规格和数量必须符合设计要求观察、尺量检查2纵向受力钢筋的连接方式应符合设计要求观察检查3机械连接和焊接接头的力 学性能应符合附录 C 的规定检查产品合格证、试验报 告4绑扎完的钢筋应牢固,不允许变形,缺、松扣数不 超过 20%观察、手摇动、点数检查-般项 目1接头位置和数量宜设在受力较小处。(1)同一纵向受力钢筋不宜设置两 个或两个以上接头。(2)接头末端至钢筋弯起点距离不 应小于钢筋直径的 10 倍观察、尺量检查2接头外观质量应符合本部分附录 C 的规定3受力钢筋机械连接或焊接 接头设置接头宜相互错开;纵向受力钢筋的接 头面积百分率应符合设计要求及现行 有关标准的规定观察、尺量检查4绑扎搭接接头同一构件中相邻纵向受力钢筋的绑 扎搭接接头宜相互错开。绑扎搭接接 头中钢筋的横向净距不应小于钢筋直 径,且不应小于 25mm 同一连接区段 内,纵向萝拉钢筋搭榜榜头而积观察、尺量检查5主筋间距偏差±20mm用尺连续量三档,取其绝 对偏差值的平均值6钢筋保护层偏差一 5 一 +15mm尺量检查7预留插筋中心、位移W10mm尺量检查外露长度0~30mm尺量检查

1、当您付费下载文档后,您只拥有了使用权限,并不意味着购买了版权,文档只能用于自身使用,不得用于其他商业用途(如 [转卖]进行直接盈利或[编辑后售卖]进行间接盈利)。
2、本站所有内容均由合作方或网友上传,本站不对文档的完整性、权威性及其观点立场正确性做任何保证或承诺!文档内容仅供研究参考,付费前请自行鉴别。
3、如文档内容存在违规,或者侵犯商业秘密、侵犯著作权等,请点击“违规举报”。

碎片内容

烟囱工程基础钢筋安装工程质量标准及检验方法

确认删除?
VIP
微信客服
  • 扫码咨询
会员Q群
  • 会员专属群点击这里加入QQ群
客服邮箱
回到顶部