电脑桌面
添加小米粒文库到电脑桌面
安装后可以在桌面快捷访问

爆破开挖施工方法及技术措施

爆破开挖施工方法及技术措施_第1页
1/8
爆破开挖施工方法及技术措施_第2页
2/8
爆破开挖施工方法及技术措施_第3页
3/8
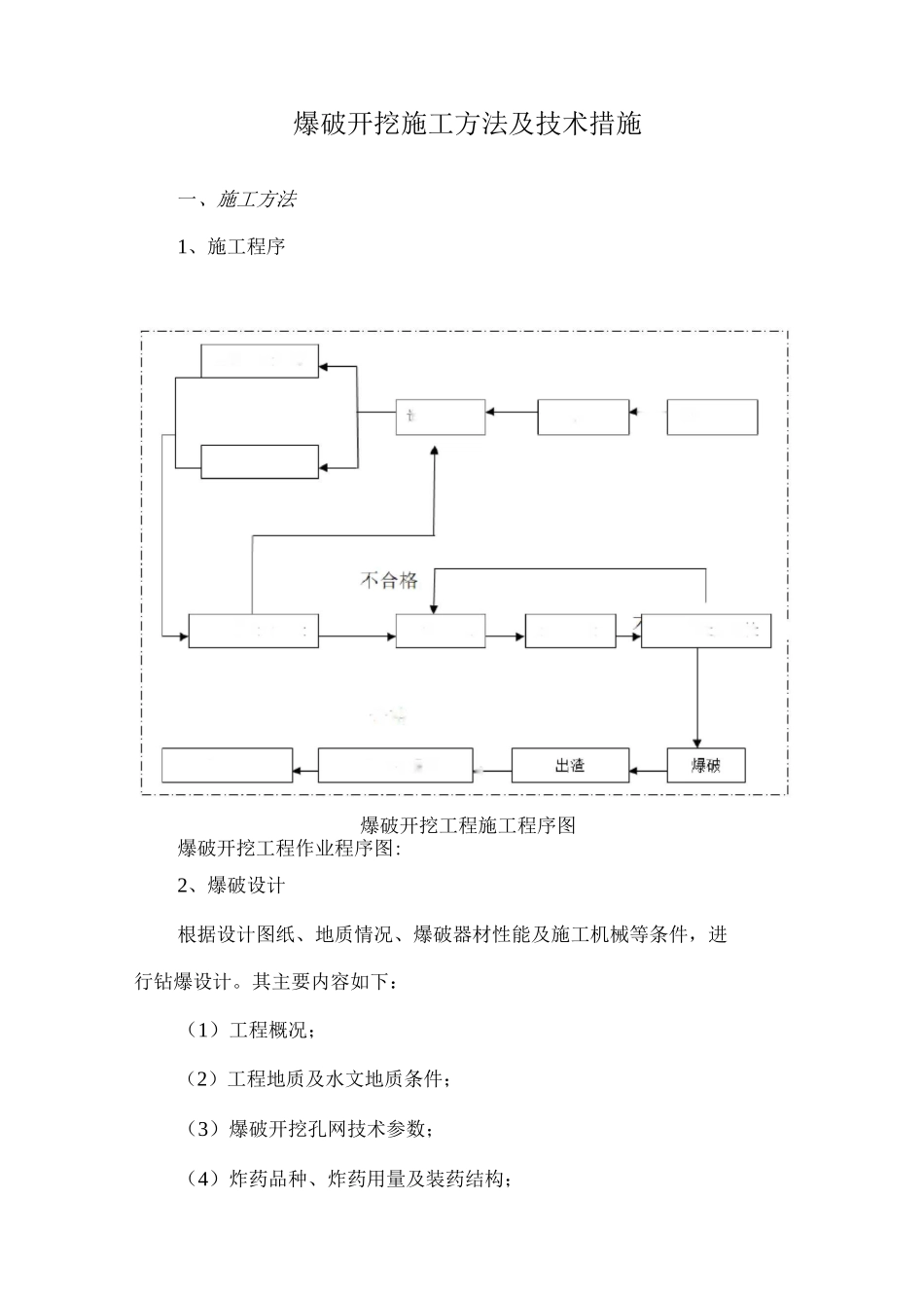
爆破开挖施工方法及技术措施一、施工方法1、施工程序爆破开挖工程作业程序图:2、爆破设计根据设计图纸、地质情况、爆破器材性能及施工机械等条件,进行钻爆设计。其主要内容如下:(1)工程概况;(2)工程地质及水文地质条件;(3)爆破开挖孔网技术参数;(4)炸药品种、炸药用量及装药结构;.宣孔施工爆破开挖工程施工程序图合格4测量检查控粉开挖断面测量检查开挖面处理专职质枪员裳用i专职质杓员复衿作业队自检浏量放样一爆破设计炮工自检装药、联网(5) 起爆网路;(6) 爆破安全控制及监测;(7) 爆破对环境影响的安全评价;(8) 爆破孔平面布置图及剖面图;(9) 绘制下列图表:(10) 爆破孔装药结构图;(11) 起爆网路设计图;(12) 爆破器材用量表。3、工作面清理爆破清渣后,进入下一层炮块造孔前,必须将工作面清理相对平 整,浮渣清除洁净,便于钻孔设备就位,以保证钻孔施工质量。工作 面平整度要求不大于 50cm,满足机械作业便利,钻孔孔周边 50cm 要求人工扒渣至基岩满足测量放样与标识以及开钻要求。4、钻孔放样由测量队、作业队技术员按批准的爆破设计图放出孔位,主爆孔 要求放出每排炮孔方位角,孔斜,采纳红油漆在孔位旁标出孔号,测 量实测孔高程,计算各孔的实际孔深,交钻孔人员,并在工作面标 识几个高程;预裂孔要放出每个孔的钻孔孔位、钻孔方位,方位点要 求标识在稳定基岩上或架设的稳定钢管上,质量部跟踪检查记录。预 裂孔逐孔放样后,测量队提交钻孔资料,包括单孔编号、单孔深、单 孔倾角,并进行现场交底。5、钻孔施工(1)钻孔人员严格按测量放样的孔位、孔斜及提供的钻孔深度 施工,要求主爆孔孔位平面挪动范围不超过±10cm,孔深误差不超过 ±20cm,预裂孔孔位允许在轮廓方向左右挪动范围不超过±5cm,孔深 不超过±10cm,钻孔角度(孔斜)偏差不超过允许误差范围。钻孔施 工按钻机定位、量测钻孔角度、钻孔、检查、孔保护、记录钻孔深 度顺序进行。钻孔施工应有交接班记录。(2)对于潜孔钻造预裂孔,钻机采纳架管固定,反复调整钻机 满足开钻条件,定位后,用样架尺、自制量角器测量钻杆角度,开孔 0.3 0.5 1m 时分别校正钻孔角度,此时采纳低风压、慢进尺行进。 钻进 1m 后,再加大风压,正常钻进。钻孔过程中跟踪作好钻孔记录, 掌握岩石地质情况,每钻完一个孔后,用风吹净孔内积渣及岩粉,孔 保护,卸下钻杆、钻头,量测实际孔深并记录后才能进行下一孔的 施工。若当班未钻完...

1、当您付费下载文档后,您只拥有了使用权限,并不意味着购买了版权,文档只能用于自身使用,不得用于其他商业用途(如 [转卖]进行直接盈利或[编辑后售卖]进行间接盈利)。
2、本站所有内容均由合作方或网友上传,本站不对文档的完整性、权威性及其观点立场正确性做任何保证或承诺!文档内容仅供研究参考,付费前请自行鉴别。
3、如文档内容存在违规,或者侵犯商业秘密、侵犯著作权等,请点击“违规举报”。

碎片内容

爆破开挖施工方法及技术措施

确认删除?
VIP
微信客服
  • 扫码咨询
会员Q群
  • 会员专属群点击这里加入QQ群
客服邮箱
回到顶部