电脑桌面
添加小米粒文库到电脑桌面
安装后可以在桌面快捷访问

生产经营单位安全培训记录模板

生产经营单位安全培训记录模板_第1页
1/9
生产经营单位安全培训记录模板_第2页
2/9
生产经营单位安全培训记录模板_第3页
3/9
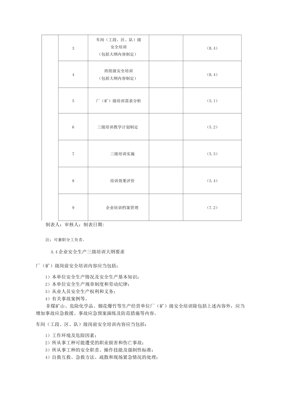
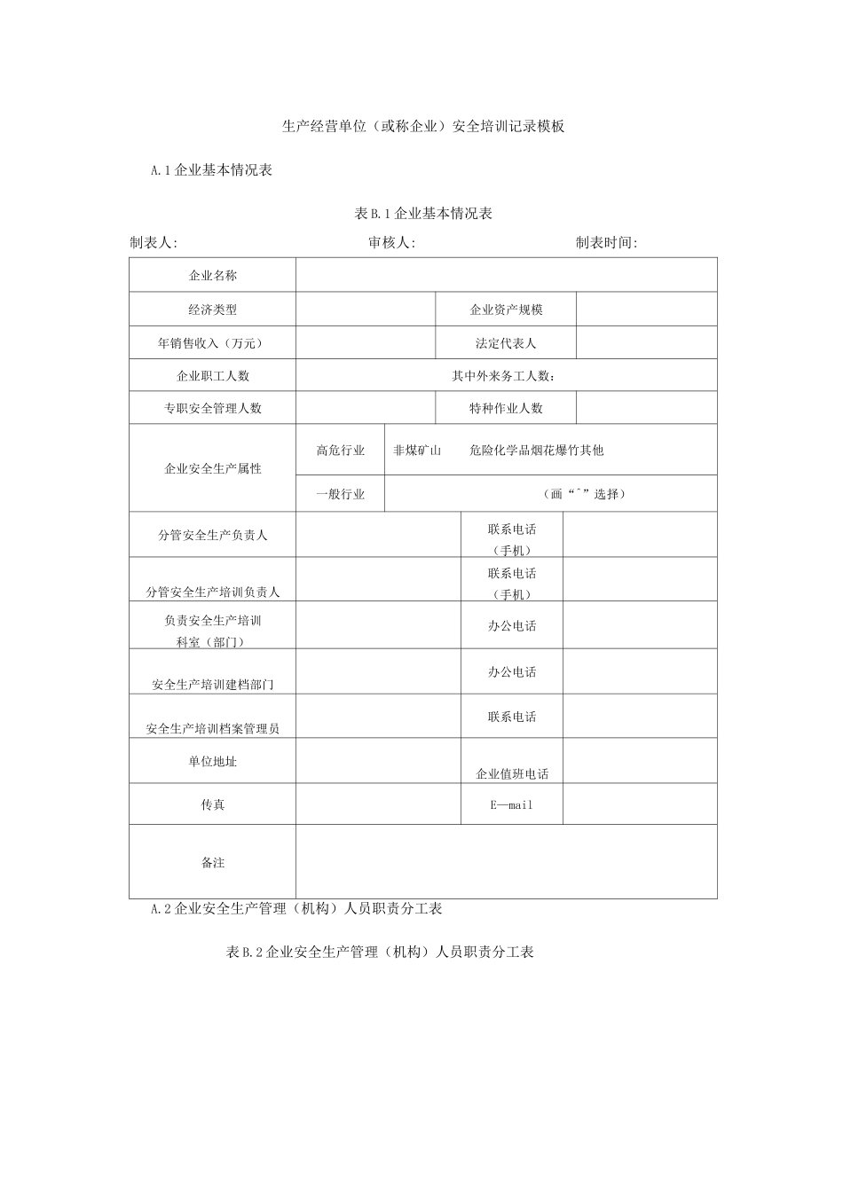
生产经营单位(或称企业)安全培训记录模板A.1 企业基本情况表表 B.1 企业基本情况表企业名称经济类型企业资产规模年销售收入(万元)法定代表人企业职工人数其中外来务工人数:专职安全管理人数特种作业人数企业安全生产属性高危行业非煤矿山危险化学品烟花爆竹其他一般行业(画“^”选择)分管安全生产负责人联系电话(手机)分管安全生产培训负责人联系电话(手机)负责安全生产培训科室(部门)办公电话安全生产培训建档部门办公电话安全生产培训档案管理员联系电话单位地址企业值班电话传真E—mail备注A.2 企业安全生产管理(机构)人员职责分工表表 B.2 企业安全生产管理(机构)人员职责分工表制表人:审核人:制表时间:制表人:审核人:制表日期:注:人员数量栏可根据需要扩容。专职安全管理人数要求,参见《山东省安全生产条例》第十二条。A.3 企业安全培训管理(机构)人员职责分工表表 B.3 企业安全培训管理(机构)人员职责分工表分项工作分项责任人参照本标准条文序1企业安全生产培训(主管)2厂(矿)级安全培训(包括大纲内容制定)(B.4)3车间(工段、区、队)级安全培训(包括大纲内容制定)(B.4)4班组级安全培训(包括大纲内容制定)(B.4)5厂(矿)级培训需求分析(5.1)6三级培训教学计划制定(5.2)7三级培训实施(5.3)8培训效果评价(5.4)9企业培训档案管理(7.2)制表人:审核人:制表日期:注:可兼职分工负责。A.4 企业安全生产三级培训大纲要求厂(矿)级岗前安全培训内容应当包括:1)本单位安全生产情况及安全生产基本知识;2)本单位安全生产规章制度和劳动纪律;3)从业人员安全生产权利和义务;4)有关事故案例等。非煤矿山、危险化学品、烟花爆竹等生产经营单位厂(矿)级安全培训除包括上述内容外,应当增加事故应急救援、事故应急预案演练及防范措施等内容。车间(工段、区、队)级岗前安全培训内容应当包括:1)工作环境及危险因素;2)所从事工种可能遭受的职业损害和伤亡事故;3)所从事工种的安全职责、操作技能及强制性标准;4)自救互救、急救方法、疏散和现场紧急情况的处理;5)安全设备设施、个人防护用品的使用和维护;6)本车间(工段、区、队)安全生产状况及规章制度;7)预防事故和职业危害的措施及应注意的安全事项;8)有关事故案例;9)其他需要培训的内容。班组级岗前安全培训内容应当包括:1)岗位安全操作规程;2)岗位之间工作衔接配合的安全与职业卫生事项;3)有关事故案例...

1、当您付费下载文档后,您只拥有了使用权限,并不意味着购买了版权,文档只能用于自身使用,不得用于其他商业用途(如 [转卖]进行直接盈利或[编辑后售卖]进行间接盈利)。
2、本站所有内容均由合作方或网友上传,本站不对文档的完整性、权威性及其观点立场正确性做任何保证或承诺!文档内容仅供研究参考,付费前请自行鉴别。
3、如文档内容存在违规,或者侵犯商业秘密、侵犯著作权等,请点击“违规举报”。

碎片内容

生产经营单位安全培训记录模板

您可能关注的文档

确认删除?
VIP
微信客服
  • 扫码咨询
会员Q群
  • 会员专属群点击这里加入QQ群
客服邮箱
回到顶部