电脑桌面
添加小米粒文库到电脑桌面
安装后可以在桌面快捷访问

盘柜安装施工组织设计及对策

盘柜安装施工组织设计及对策_第1页
1/16
盘柜安装施工组织设计及对策_第2页
2/16
盘柜安装施工组织设计及对策_第3页
3/16
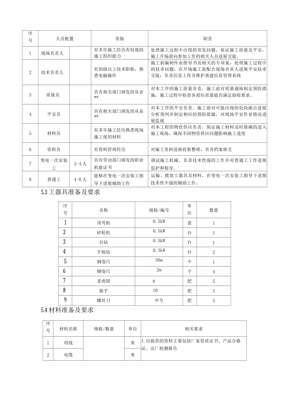
***220kV 变电站扩建变压器工程盘柜安装施工案技术平安质量***220kV 变电站扩建变压器工程施工工程部目录一、工程概述二、编制依据三、适用围四、标准化作业流程图五、准备阶段六、作业阶段七、质量控制措施一、工程概况:二、编制依据1、"电气装置安装工程盘、柜及二次回路接线施工及验收规"〔GB 50171-2025〕2、"电气装置安装工程质量检验及评定规程"〔DL/T5161.1〜17-2〕3、"电网公司电力平安工作规程〔电网建立局部〕"〔试行〕4、"电网公司电力平安工作规程〔变电局部〕"〔 2025 年版〕5、”电网公司输变电工程标准工艺”〔 2025 年版〕6、”电网公司电网工程施工平安风险识别、评估及预控措施管理方法”〔国网〔基建/3〕176-2025〕7、8、”电网公司输变电工程典型施工法”〔 2025 年版〕9、本工程强制性条文实施方案、质量通病防治措施。10、本工程施工组织设计;本工程的设计图纸、文件及设计变更。三、适用围1、使用说明:作业过程中除格执行本指导书外,还应满足、行业有关法规和工程技术标准。2、适用围:本作业指导书适用于各电压盘柜安装作业,仅用于***220kV 变电站扩建变压器工程盘柜安装施工作业。四、标准化作业流程图*—1柜 O 收>五、准备阶段5.1 技术准备1、施工案上报审核。2、组织作业人员学习盘柜安装施工案并实行平安技术交底制度,使全体作业人员熟悉作业容、作业标准、平安风险。3、作业人员应经过应急培训。4、根据现场工作时间和工作容填写平安作业票。5.2 人员准备及要求序号人员配置资格职责1现场负责人有多年施工经历有较强的施工组织能力处理施工过程中出现的突发问题,保证施工质量及平安,施工开场前向参加工作的相关人员进展交底。2技术负责人有初级以上技术职称,熟悉电脑操作施工前编制作业指导书及相关的专项案,处理施工过程中的技术问题,在开场施工前配合现场负责人进展平安技术交底;负责信息上传及维护基建信息管理系统3质量员具有相关部门颁发的从业**对本工序的施工质量负责,施工前对质量通病制定预防措施,施工过程中检查各部位质量能否满足验收要求。4平安员具有相关部门颁发的从业**对本工序的平安负责,施工前对可能出现的危险源点进展分析预判并制定相应的预防措施,对现场平安作业情况进展监视5材料员有多年施工经历熟悉现场施工使用材料对本工程的物资供应负责,保证施工材料及时准确的进入施工现场,确保不因物资供应问题影响施工进度6资料员有资料管理经历对施工资料进展收集...

1、当您付费下载文档后,您只拥有了使用权限,并不意味着购买了版权,文档只能用于自身使用,不得用于其他商业用途(如 [转卖]进行直接盈利或[编辑后售卖]进行间接盈利)。
2、本站所有内容均由合作方或网友上传,本站不对文档的完整性、权威性及其观点立场正确性做任何保证或承诺!文档内容仅供研究参考,付费前请自行鉴别。
3、如文档内容存在违规,或者侵犯商业秘密、侵犯著作权等,请点击“违规举报”。

碎片内容

盘柜安装施工组织设计及对策

您可能关注的文档

一帆文传+ 关注
实名认证
内容提供者

欢迎光临店铺,各类公文供您挑选。

确认删除?
VIP
微信客服
  • 扫码咨询
会员Q群
  • 会员专属群点击这里加入QQ群
客服邮箱
回到顶部