电脑桌面
添加小米粒文库到电脑桌面
安装后可以在桌面快捷访问

箱型梁H型钢制作工艺

箱型梁H型钢制作工艺_第1页
1/7
箱型梁H型钢制作工艺_第2页
2/7
箱型梁H型钢制作工艺_第3页
3/7
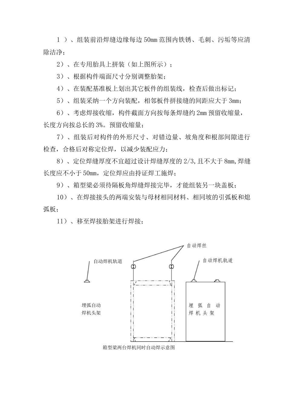
箱型梁 H 型钢制作工艺(1)、下料1、根据批准的深化设计加工图,用数控装置制作样板,样板检查合格后划线;2、下料要根据先大后小、大中套小的原则合理配料套裁,并预留焊接收缩余量和切割加工余量;3、用等离子数控切割机、多头直条/数控切割机切割板材;4、清除割边缘上的熔瘤和飞溅物;5、需拼接的钢板接为全溶透焊缝,在对接接焊接完毕,外观处理、变形矫正后进行超声波探伤检查,抽检率为每条焊缝的 20%且不少于2mm,合格后焊缝磨平,以备拼装;6、检查板件宽度、长度、对角线和加工边直线度,合格后统一编号、合理堆放备拼装;(2)、箱型梁拼装1 )、组装前沿焊缝边缘每边 50mm 范围内铁锈、毛刺、污垢等应清除洁净;2)、在专用胎具上拼装(如上图所示);3)、根据构件端面尺寸分别调整胎架;4)、在装配基准板上划出其它板件的组装线,检查后做出标记;5)、组装采纳一个方向装配,相邻板件拼接缝的间距应大于 3mm;6)、考虑焊接收缩,构件截面方向按每条焊缝约 2mm 预留收缩量,长度方向按总长的 3%。预留收缩量;7)、组装后对构件的外形尺寸、对错边量、坡角度和根部间隙进行检查,合格后对称定位焊,以减少装配应力;8)、定位焊缝厚度不宜超过设计焊缝厚度的 2/3,且不大于 8mm,焊缝长度应不小于 50mm,定位焊应由持证焊工施焊;9)、箱型梁必须待隔板角焊缝焊接完毕,才能组装另一块盖板;10)、在焊接接头的两端安装与母材相同材料、相同坡的引弧板和熄弧板;11)、移至焊接胎架进行焊接;箱型梁两台焊机同时自动焊示意图埋弧自动焊机头架自动焊机轨道(3)、箱型梁拼装节点1、箱梁内隔板节点B2X4X16X20纵隔板5t=14mm横隔板5t=14mm ,间 距@20mm横隔板t=14mm 川能止间距@20mm 纵隔板t=14mm产20HB2X4X16X20B20X4X16X20B20X4X16X202、箱梁转角节点52纵隔板t=14mm/ /横隔板t=14mmB20X4X16X20(3)、焊接 H 型钢制作工艺过程1、焊接“H 型钢”的焊缝有四条。其焊接过程如下:1)、清理钢板及坡;用气割机清理。2)、定位点焊:用① 4 焊条把翼缘板和腹板按图纸要求点焊。3)、打底:在胎具和专用卡具上,校正尺寸无误后施焊,先用① 4焊条4)、施焊:两台自动焊机在腹板的两侧同时按同一方向焊至终点,第一遍在离开第一点起点处 50mm 处起焊,要求每一遍起焊点和上一遍起焊点错开 50mm。一端焊完第一遍后焊另一端的第一遍,如此循环往复。5)、第一遍焊完后都要仔细清渣,经过检验得出焊缝焊至厚度为10mm ...

1、当您付费下载文档后,您只拥有了使用权限,并不意味着购买了版权,文档只能用于自身使用,不得用于其他商业用途(如 [转卖]进行直接盈利或[编辑后售卖]进行间接盈利)。
2、本站所有内容均由合作方或网友上传,本站不对文档的完整性、权威性及其观点立场正确性做任何保证或承诺!文档内容仅供研究参考,付费前请自行鉴别。
3、如文档内容存在违规,或者侵犯商业秘密、侵犯著作权等,请点击“违规举报”。

碎片内容

箱型梁H型钢制作工艺

确认删除?
VIP
微信客服
  • 扫码咨询
会员Q群
  • 会员专属群点击这里加入QQ群
客服邮箱
回到顶部