电脑桌面
添加小米粒文库到电脑桌面
安装后可以在桌面快捷访问

脱销钢结构安装施工组织设计方案x修改后

脱销钢结构安装施工组织设计方案x修改后_第1页
1/19
脱销钢结构安装施工组织设计方案x修改后_第2页
2/19
脱销钢结构安装施工组织设计方案x修改后_第3页
3/19
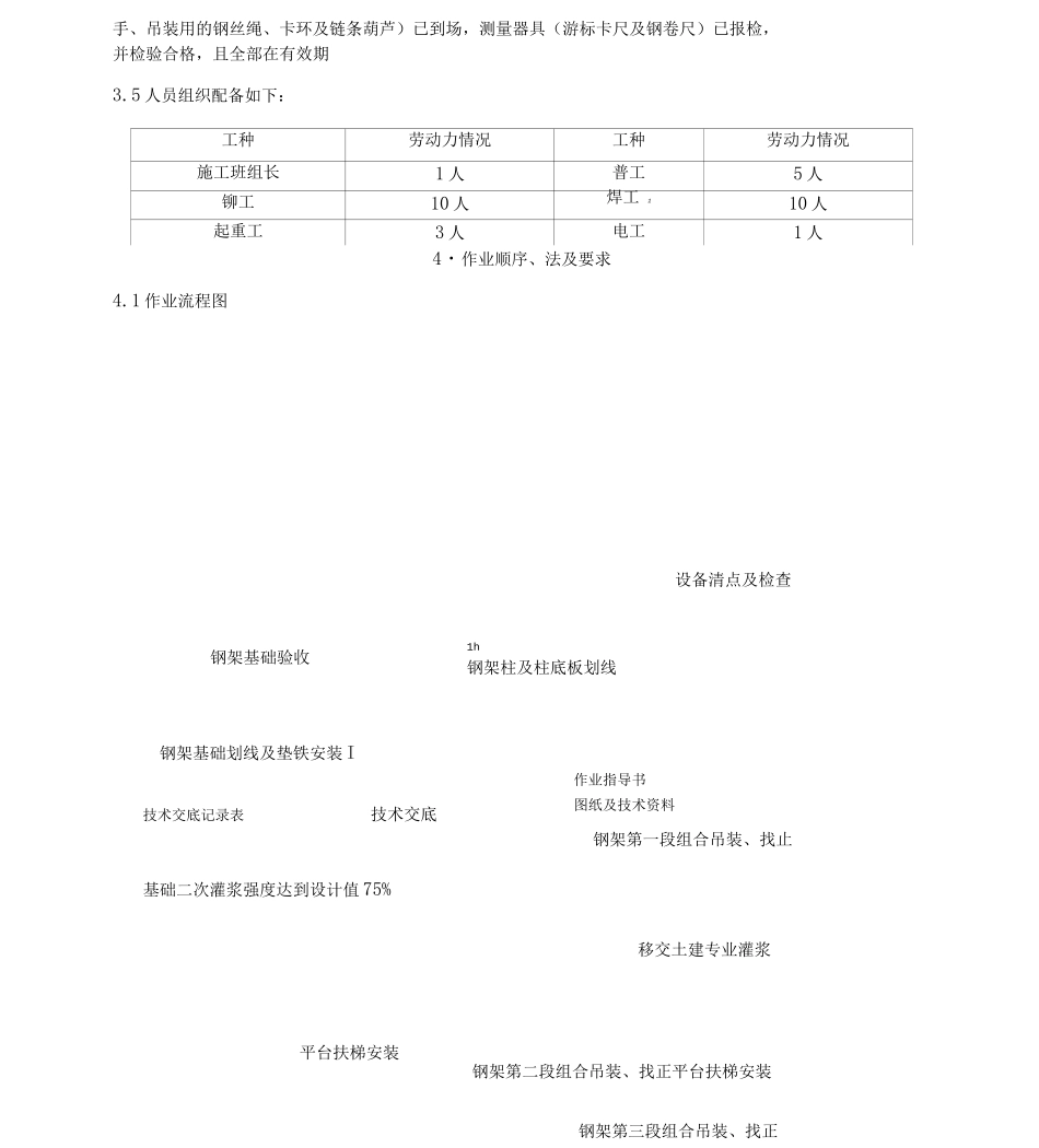
1 编制依据1.1 国电克拉玛依 2 X 350MW 热电联产烟气脱硝工程施工组织设计1.2 国电克拉玛依 2 X 350MW 热电联产烟气脱硝工程烟道图纸(TX049S-T0333 ) 1.3《电力建设安全工作规程(第一部分:火力发电厂)》(DL/T59.1-22) 1.4《电力建设施工技术规》(锅炉机组 DL5190.2 —2025)1.5《电力建设施工质量验收及评价规程》(第 2 部分:锅炉机组 DL/T5210.2-29) 1.6《电力建设施工质量验收及评价规程》(第 7 部分:焊接 DL /T5210.7-2025) 1.7《焊接工艺评定规程》(DL/T868-24 ) 1.8《火力发电厂焊接技术规程》DLT869-241.9《火力发电工程建设标准强制性条文执行表格(第 3 部分锅炉分册)》 1.10《钢结构工程施工质量验收规》(GB50205-21)1.11 中国国电集团公司《火电机组洁净化安装管理规定》1.12《钢结构用扭剪型高强度螺栓连接副技术条件》(GB/T3633 —1995)1.13《中国国电集团公司工程精细化管理资料汇编》2. 工程概况国电克拉玛依 2 X 350MW 热电联产烟气脱硝工程 SCR 钢结构构架为全钢结构桁架体系,由 立柱、横梁、垂直支撑、水平支撑、各层平台楼梯组成。SCR 钢架纵向为五排,分别为 B0 轴、B5.5 轴、B18.7 轴、B31.9 轴、B37.4 轴,长度为 37.4 米;横向为 3 列,分 别为 K5 轴、K6轴、K7 轴,长度为 16.7 米。SCR 钢架平面由八一层框架组成,高度分别为: 8.562 米层、 12.6 米层、18.905 米层、25.25 米层、33.2 米层、36.45 米层、39.05 米层、42.05 米层、45.05 米层、49.05 米层、54.55 米层。钢结构采纳 10・9 级扭剪型高强螺栓连接付,部分次要节点采纳焊 接连接。3. 施工前准备3.1 图纸会审完毕,施工作业指导书报监理业主审核完毕,并对施工班组人员进行技术及安全交底完 毕。3.2 施工人员进场考试合格,并已进行三级安全教育完毕。特别工种如焊接、塔吊操作人员、指挥等 施工人员持证上岗。焊接项目与考核项目相符合。3.3 钢架安装用塔吊安装完成,并且质量技术监督局验收合格。3.4 施工必备工器具(水准仪、电动扳手、力矩扳手、螺栓初紧枪、50 米钢卷尺、活动扳手、吊装用的钢丝绳、卡环及链条葫芦)已到场,测量器具(游标卡尺及钢卷尺)已报检,并检验合格,且全部在有效期3.5 人员组织配备如下:工种劳动力情况工种劳动力情况施工班组长1 人普工5 人铆工10 人焊工 110 人起重工3 人电工1 人4・作业顺序、法及要求4....

1、当您付费下载文档后,您只拥有了使用权限,并不意味着购买了版权,文档只能用于自身使用,不得用于其他商业用途(如 [转卖]进行直接盈利或[编辑后售卖]进行间接盈利)。
2、本站所有内容均由合作方或网友上传,本站不对文档的完整性、权威性及其观点立场正确性做任何保证或承诺!文档内容仅供研究参考,付费前请自行鉴别。
3、如文档内容存在违规,或者侵犯商业秘密、侵犯著作权等,请点击“违规举报”。

碎片内容

脱销钢结构安装施工组织设计方案x修改后

您可能关注的文档

确认删除?
VIP
微信客服
  • 扫码咨询
会员Q群
  • 会员专属群点击这里加入QQ群
客服邮箱
回到顶部