电脑桌面
添加小米粒文库到电脑桌面
安装后可以在桌面快捷访问

节能评估报告项目摘要表图表格式

节能评估报告项目摘要表图表格式_第1页
1/7
节能评估报告项目摘要表图表格式_第2页
2/7
节能评估报告项目摘要表图表格式_第3页
3/7
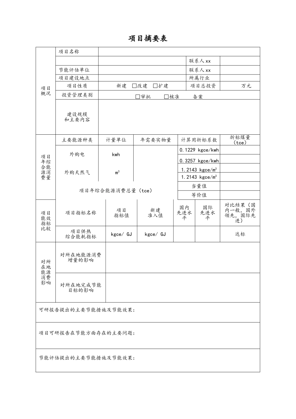
项目摘要表项目概况项目名称联系人 xx节能评估单位联系人 xx项目建设地点所属行业项目性质新建 □改建 □扩建 项目总投资万元投资管理类别 □审批 □核准 备案建设规模和主要内容项目年综合能源消费量主要能源种类计量单位年需要实物量计算用折标系数折标煤量(tce)外购电kwh0.1229 kgce/kwh0.3257 kgce/kwh外购天然气m31.2143 kgce/m31.2143 kgce/m3项目年综合能源消费总量(tce)当量值等价值项目能效指标比较项目指标名称项目指标值新建准入值国内先进水平国际先进水平对比结果(国内一般,国外领先,国际先进)项目供热综合能耗指标kgce/ GJkgce/ GJ达标对所在地能源消费影响对所在地能源消费增量的影响对所在地完成节能目标的影响可研报告提出的主要节能措施及节能效果:项目可研报告在节能方面存在的主要问题:节能评估提出的主要节能措施及节能效果:附表一 主要耗能设备表 序号设备名称单位数量总装机容量(kw)年耗电量(kwh)年耗天然气(m3)1MOCVD 蓝光外延片机台12844838402MOCVD 红光外延片机台6422419203活化炉台2281612804烤盘炉台614806405Hall 测试仪台10.528806EL 光谱仪台10.528807PL 光谱仪台10.634568X-ray 衍射仪台10.846089一般烤箱台6126912010电子束蒸发台台1263456011曝光机台63.62073612涂胶机台216336288013磨片机台34.52592014激光划片机台67543200015剥片机台17.54320016ICP 刻蚀机台710.56048017Pecvd 镀膜机台72112096018台阶仪台34.52592019去胶机台37.54320020探针台台3095184021分选机台717.510080022合金炉台432023全自动广用银浆贴片机台50158640024自动焊线焊接机台5010057600025半自动焊线机台10020026扩晶机台1003017280027点胶机台2507543200028固晶恒温箱台15030029编带机台42011520030切脚机台695184031半自动测试机台121152032自动测试机台512.57200033灯具生产线条2038034供气系统套2189720035尾气处理系统套2158100036净化水制冷机台24524300037净化、空调系统套26032400038燃气锅炉套312668040039实验设备套12010800040供水系统套23039960041其它设备309720042照明86598043变压器13198744线路损耗335417合计附表二 项目年能源消费统计表项目能源购进、消费、库存项目名称:山西太师国际物流园(一期)项目能源名称计量单位代码年 初库存量1 至本季购进量1 至本季消费量期 末库存量采纳折标系数参考折标系数实物量金额(千元)合计1.工业生 产消 费2.非工业生产消 费...

1、当您付费下载文档后,您只拥有了使用权限,并不意味着购买了版权,文档只能用于自身使用,不得用于其他商业用途(如 [转卖]进行直接盈利或[编辑后售卖]进行间接盈利)。
2、本站所有内容均由合作方或网友上传,本站不对文档的完整性、权威性及其观点立场正确性做任何保证或承诺!文档内容仅供研究参考,付费前请自行鉴别。
3、如文档内容存在违规,或者侵犯商业秘密、侵犯著作权等,请点击“违规举报”。

碎片内容

节能评估报告项目摘要表图表格式

确认删除?
VIP
微信客服
  • 扫码咨询
会员Q群
  • 会员专属群点击这里加入QQ群
客服邮箱
回到顶部