电脑桌面
添加小米粒文库到电脑桌面
安装后可以在桌面快捷访问

螺旋钻灌注桩工程技术交底

螺旋钻灌注桩工程技术交底_第1页
1/17
螺旋钻灌注桩工程技术交底_第2页
2/17
螺旋钻灌注桩工程技术交底_第3页
3/17
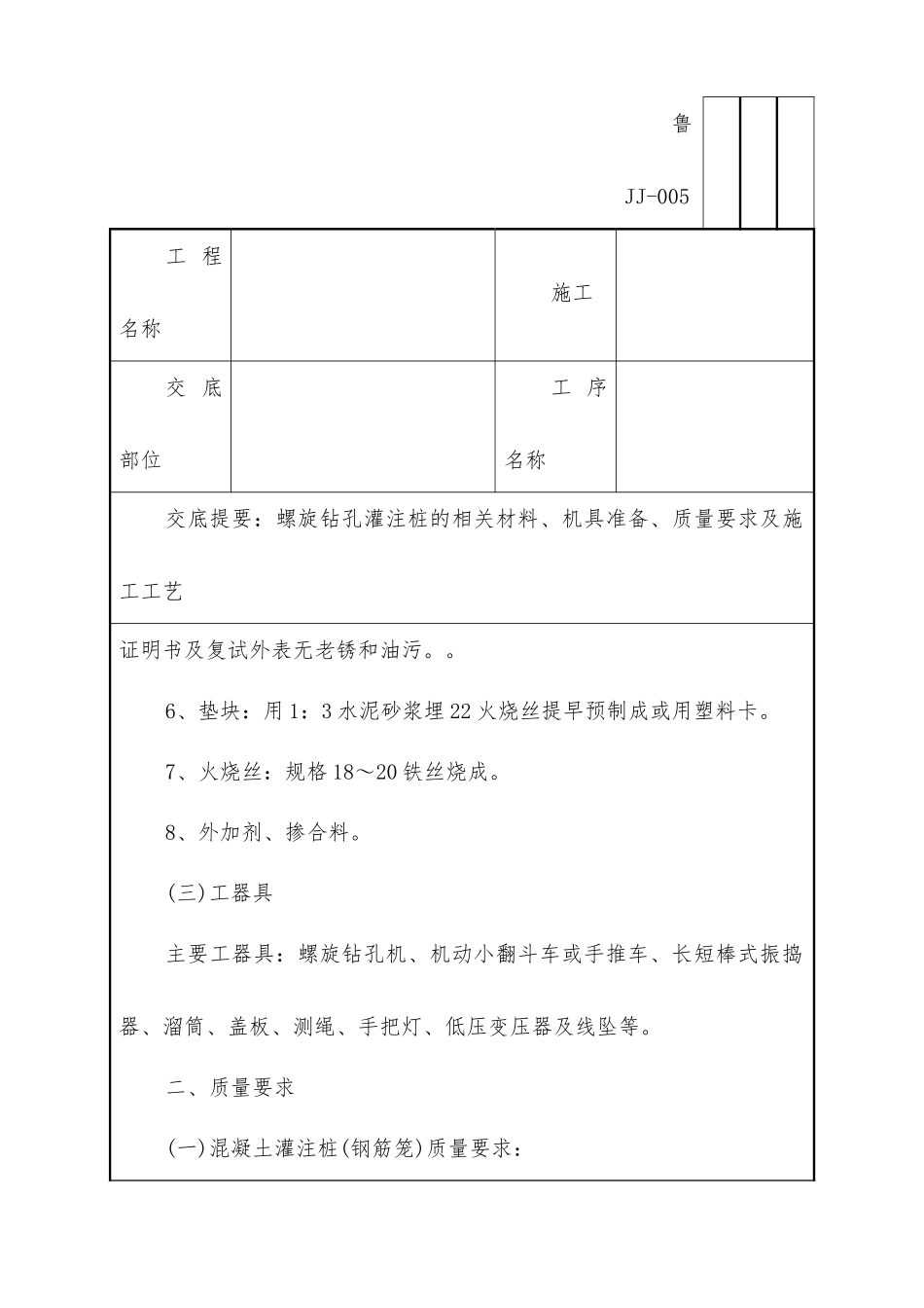
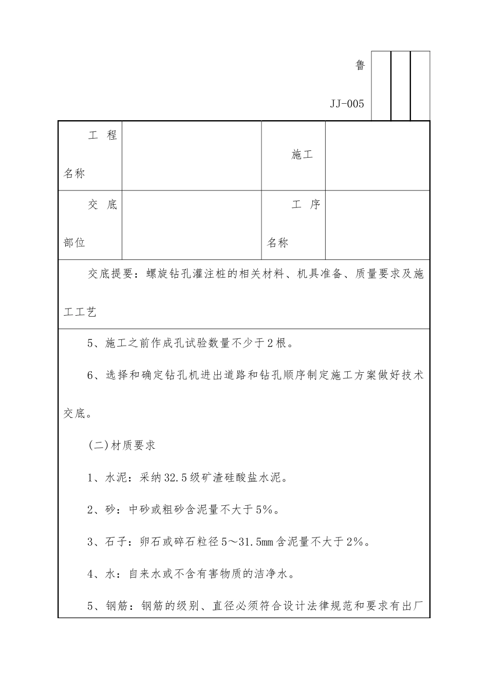
鲁JJ-005工 程名称施工交 底部位工 序名称交底提要:螺旋钻孔灌注桩的相关材料、机具准备、质量要求及施工工艺交底内容:螺旋钻灌注桩一、施工准备(一)作业条件1、地上、地下障碍物都处理完毕到达“三通一平〞。施工用临时设施准备就绪。2、场地标高一般为承台梁的上皮标高并经过夯实或碾压。3、分段制作好钢筋笼其长度以 5~8m 为宜。4、据图纸放轴线及桩位点抄上程度标高木橛并经过预检签字。鲁JJ-005工 程名称施工交 底部位工 序名称交底提要:螺旋钻孔灌注桩的相关材料、机具准备、质量要求及施工工艺5、施工之前作成孔试验数量不少于 2 根。6、选择和确定钻孔机进出道路和钻孔顺序制定施工方案做好技术交底。(二)材质要求1、水泥:采纳 32.5 级矿渣硅酸盐水泥。2、砂:中砂或粗砂含泥量不大于 5%。3、石子:卵石或碎石粒径 5~31.5mm 含泥量不大于 2%。4、水:自来水或不含有害物质的洁净水。5、钢筋:钢筋的级别、直径必须符合设计法律规范和要求有出厂鲁JJ-005工 程名称施工交 底部位工 序名称交底提要:螺旋钻孔灌注桩的相关材料、机具准备、质量要求及施工工艺证明书及复试外表无老锈和油污。。6、垫块:用 1:3 水泥砂浆埋 22 火烧丝提早预制成或用塑料卡。7、火烧丝:规格 18~20 铁丝烧成。8、外加剂、掺合料。(三)工器具主要工器具:螺旋钻孔机、机动小翻斗车或手推车、长短棒式振捣器、溜筒、盖板、测绳、手把灯、低压变压器及线坠等。二、质量要求(一)混凝土灌注桩(钢筋笼)质量要求:鲁JJ-005工 程名称施工交 底部位工 序名称交底提要:螺旋钻孔灌注桩的相关材料、机具准备、质量要求及施工工艺1、主控工程(1)主筋问距:±1Omm。尺量检查。(2)长度:±1OOmm。尺量检查。2、一般工程(1)钢筋材质检验符合设计法律规范和要求检查合格证及检验。(2)箍筋间距:±20mm。尺量检查。(3)直径:±1Omm。尺量检查。(二)螺旋钻孔灌注桩的质量要求1、主控工程鲁JJ-005工 程名称施工交 底部位工 序名称交底提要:螺旋钻孔灌注桩的相关材料、机具准备、质量要求及施工工艺1)灌注桩的原材料和混凝土强度必须符合设计法律规范和要求和施工的有关规定。2)成孔深度必须符合设计法律规范和要求。以摩擦力为主的桩沉渣厚度严禁大于 300mm;以端承力为主的桩沉渣厚度严禁大于 100mm。3)实际浇筑的混凝土量严禁小于计算体积。2、一般工程:1)浇筑混凝土后的桩顶标高及浮浆的处理必须符合设计法律规范和要求和施工的有关...

1、当您付费下载文档后,您只拥有了使用权限,并不意味着购买了版权,文档只能用于自身使用,不得用于其他商业用途(如 [转卖]进行直接盈利或[编辑后售卖]进行间接盈利)。
2、本站所有内容均由合作方或网友上传,本站不对文档的完整性、权威性及其观点立场正确性做任何保证或承诺!文档内容仅供研究参考,付费前请自行鉴别。
3、如文档内容存在违规,或者侵犯商业秘密、侵犯著作权等,请点击“违规举报”。

碎片内容

螺旋钻灌注桩工程技术交底

确认删除?
VIP
微信客服
  • 扫码咨询
会员Q群
  • 会员专属群点击这里加入QQ群
客服邮箱
回到顶部