电脑桌面
添加小米粒文库到电脑桌面
安装后可以在桌面快捷访问

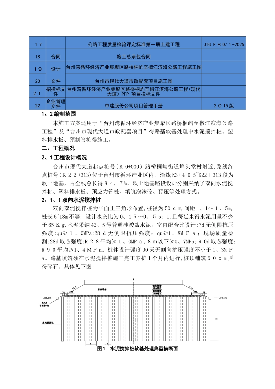
软基处理施工方案

软基处理施工方案_第1页
1/27
软基处理施工方案_第2页
2/27
软基处理施工方案_第3页
3/27
目 录一、编制依据、编制范围............................................................................................11 、 1 编制依据 ............................................... Error: Reference source not found 1 、 2 编制范围 ﻩ Error: Reference source not found 二、工程概况 ﻩ Error: Reference source not found 2 、 1 工程设计概况 ﻩ Error: Reference source not found 2 、 2 工程地形地貌、地质、水文、气候等情况 ﻩ Error: Reference source not found三、施工安排 ....................................................... Error: Reference source not found 3 、1 分项工程目标 ....................................... Error: Reference source not found 3、 2 施工管理组织机构 : ﻩ Error: Reference source not found 3、 3 施工段落任务安排与划分 ﻩ Error: Reference source not found 四、施工进度计划 ﻩ Error: Reference source not found 五、施工准备与资源配置计划 ........................... Error: Reference source not found 5 、 1 施工准备 ﻩ Error: Reference source not found 5 、 2 资源配置计划 ﻩ Error: Reference source not found 六、施工工艺及标准 ........................................... Error: Reference source not found 6 、 1 双向水泥搅拌桩 ................................... Error: Reference source not found 6 、 2 塑料排水板 ﻩ Error: Reference source not found 6 、3 PHC 预制管桩 ﻩ Error: Reference source not found 七、进度保证措施 ﻩ Error: Reference source not found 7 、 1 进度目标 ................................................ Error: Reference source not found 7 、 2 进度控制方法与措施 ............................ Error: Reference source not found 八、质量保证措施 ﻩ Error: Reference source not found 8 、 1 质量目标 ................................................ Error: Reference source not found 8 、2 质量保证措施 ....................................... Er...

1、当您付费下载文档后,您只拥有了使用权限,并不意味着购买了版权,文档只能用于自身使用,不得用于其他商业用途(如 [转卖]进行直接盈利或[编辑后售卖]进行间接盈利)。
2、本站所有内容均由合作方或网友上传,本站不对文档的完整性、权威性及其观点立场正确性做任何保证或承诺!文档内容仅供研究参考,付费前请自行鉴别。
3、如文档内容存在违规,或者侵犯商业秘密、侵犯著作权等,请点击“违规举报”。

碎片内容

软基处理施工方案

确认删除?
VIP
微信客服
  • 扫码咨询
会员Q群
  • 会员专属群点击这里加入QQ群
客服邮箱
回到顶部