电脑桌面
添加小米粒文库到电脑桌面
安装后可以在桌面快捷访问

金属玻璃釉电阻器规格书VIP免费

金属玻璃釉电阻器规格书_第1页
1/12
金属玻璃釉电阻器规格书_第2页
2/12
金属玻璃釉电阻器规格书_第3页
3/12
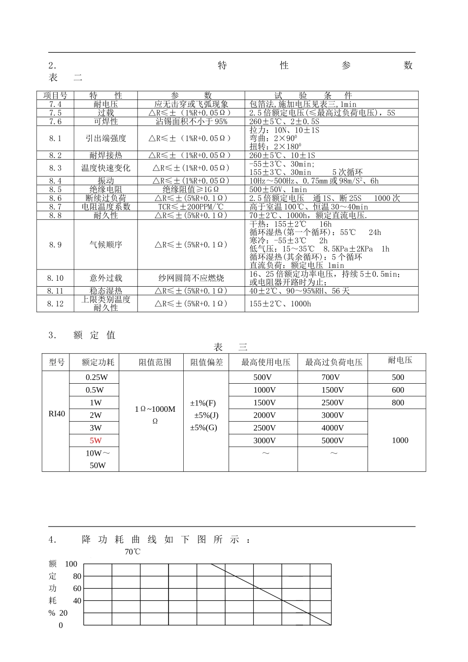
引言1.范围本规格书规定了本公司的RI40型玻璃釉电阻器的质量标准和验收规则。2.引用标准GB/T5729-94电子设备用固定电阻器第一部分:总规范GB5730-85电子设备用固定电阻器第二部分:分规范低功率非线绕固定电阻器SJ2867-88电子元器件详细规范低功率非线绕固定电阻器RI40型玻璃釉膜固定电阻器评定水平E1.标志说明:1.1本电阻器采用色标法,色标的基本色码如下表:1.2本电阻器标准品采用四带色标法表一如图示:图一颜色数字一数字二倍率允许偏差偏差代码黑00100棕11101±1%F红22102±2%G橙33103黄44104绿55105±0.5%D蓝66106紫77107灰88108白99109金10-1±5%J银10-2±10%K无色±20%M2.特性参数表二3.额定值表三型号额定功耗阻值范围阻值偏差最高使用电压最高过负荷电压耐电压RI400.25W1Ω~1000MΩ±1%(F)±5%(J)±5%(G)500V700V5000.5W1000V1500V6001W1500V2500V8002W2000V3000V10003W2500V4000V5W3000V5000V10W~50W~~4.降功耗曲线如下图所示:70℃额100定80功60耗40%200项目号特性参数试验条件7.4耐电压应无击穿或飞弧现象包箔法,施加电压见表三,1min7.5过载△R≤±(1%R+0.05Ω)2.5倍额定电压(≤最高过负荷电压),5S7.6可焊性沾锡面积不小于95%260±5℃、2±0.5S8.1引出端强度△R≤±(1%R+0.05Ω)拉力:10N、10±1S弯曲:2×900扭转:2×18008.2耐焊接热△R≤±(1%R+0.05Ω)260±5℃、10±1S8.3温度快速变化△R≤±(1%R+0.05Ω)-55±3℃、30min;155±3℃、30min5次循环8.4振动△R≤±(1%R+0.05Ω)10Hz~500Hz、0.75mm或98m/S2、6h8.5绝缘电阻绝缘阻值≥1GΩ500±50V、1min8.6断续过负荷△R≤±(5%R+0.1Ω)2.5倍额定电压通1S、断25S1000次8.7电阻温度系数TCR≤±200PPM/℃高于室温100℃、恒温30~40min8.8耐久性△R≤±(5%R+0.1Ω)70±2℃、1000h,额定直流电压.8.9气候顺序△R≤±(5%R+0.1Ω)干热:155±2℃16h循环湿热(第一个循环):55℃24h寒冷:-55±3℃2h低气压:15~35℃8.5KPa±2KPa1h循环湿热(其余循环):5个循环直流负荷:额定电压1min8.10意外过载纱网圆筒不应燃烧16、25倍额定功率电压,持续5±0.5min;或电阻器开路时为止;8.11稳态湿热△R≤±(5%R+0.1Ω)40±2℃、90~95%RH、56天8.12上限类别温度耐久性△R≤±(5%R+0.1Ω)155±2℃、1000h-55020406080100120140155环境温度(℃)图二5.涂装规格5.1涂料涂至端子线最多2mm。5.2端面未涂装部分最多为端面直径的一半,即1/2D。涂料涂至端子线上空白处表示端面未涂装部分图三图四6.外形尺寸:如下图所示(单位mm)图五表四型号功率L±1ΦD±0.5lφd±0.05备注RI400.25W7.02.426±20.60.5W9.03.41W12.04.20.82W15.05.83W16.56.95W24.08.310W~50W~~~6.1编带规格:如下图示(单位mm)图六表五6.2可以根据用户要求直引线散装或成型(打扁、双波、直弯)图(七)高架打扁成型图(八)双波成型图(九)高架不打扁成型型号功率WP±0.5L±1ΦD±0.5φdl1-l2(max)RI400.25W52±1572.40.61.00.5W93.40.61.07.电气性能及测试规范7.1试验环境:除非另有规定,所有试验和测量都应在IEC68-1第⒌3条的标准试验大气候条件下进行:温度:15~35℃;相对湿度:45%~75%;气压:86~106KPa。7.2外观与外形尺寸电阻器表面应平整光洁、漆层无气泡、脱落、厚薄均匀,色标清晰、正确、应标有标称阻值(色标),阻值允许偏差(色标)。电阻器的所有尺寸都应符合规格书上的规定值。7.3电阻值电阻器在⒎1所述环境下测量的阻值与其标称阻值比较,差值必须在允许偏差范围内。7.4耐电压1.试验电压:交流(40-60Hz),其交流有效值见表三。2.试验方法:包箔法(详见GB/T5729-94第4.6.1条);试验电压应加在两个电极之间——电阻器的两个引出端连接在一起作为一个电极,金属箔作为另一电极,其试验电压应以大约100V/S的速率从零升到规定值,在达到规定值后应保持60±5S。3.要求:应无击穿或飞弧现象。7.5过载1.在电阻器的引出端上施加2.5倍额定电压(不高于最高过负荷电压),持续时间:5S,试验后在标准试验大气条件下恢复1~2h。2.要求:电阻器无可见损伤,试验前后阻值变化△R≤±(1%R+0.05Ω)。7.6可焊性1.试验方法:按IEC68-2-20(1968)...

1、当您付费下载文档后,您只拥有了使用权限,并不意味着购买了版权,文档只能用于自身使用,不得用于其他商业用途(如 [转卖]进行直接盈利或[编辑后售卖]进行间接盈利)。
2、本站所有内容均由合作方或网友上传,本站不对文档的完整性、权威性及其观点立场正确性做任何保证或承诺!文档内容仅供研究参考,付费前请自行鉴别。
3、如文档内容存在违规,或者侵犯商业秘密、侵犯著作权等,请点击“违规举报”。

碎片内容

金属玻璃釉电阻器规格书

文章天下+ 关注
实名认证
内容提供者

各种文档应有尽有

相关文档

确认删除?
VIP
微信客服
  • 扫码咨询
会员Q群
  • 会员专属群点击这里加入QQ群
客服邮箱
回到顶部