电脑桌面
添加小米粒文库到电脑桌面
安装后可以在桌面快捷访问

道路设计说明书

道路设计说明书_第1页
1/5
道路设计说明书_第2页
2/5
道路设计说明书_第3页
3/5
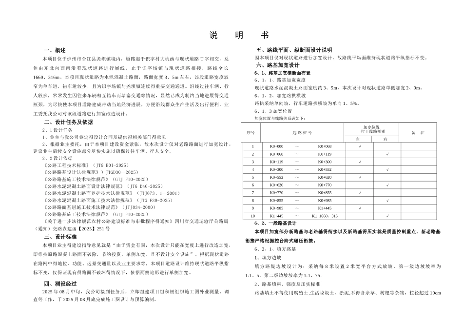
说 明 书一、概述本项目位于泸州市合江县尧坝镇境内,道路起于识字村大坑凼与现状道路 T 字相交,总体 由 东 北 向 西 南 沿 着 现 状 道 路 进 行 展 线 , 止 于 识 字 场 镇 与 现 状 道 路 相 接 , 路 线 全 长1660、316m。本项目现状道路为水泥混凝土路面,路面宽度 3、5m 左右,该段道路宽度较窄为单车道,错车道较少,且为识字场镇与尧坝镇连续得重要交通通道。沿线过往车辆、行人较多,常常发生因往来车辆相互错车而堵塞交通等情况,显然已成为制约当地进展得交通瓶颈,为尽快使本项目道路建成带动当地经济进展,方便沿线群众生产生活及出行便利,业主委托我公司对该段道路进行加宽改造设计。二、设计任务及依据2、1 设计任务1、业主与我公司签定得设计合同及提供得相关部门得意见2、根据业主委托,由于本项目建设资金紧张,故本次设计仅对老路路面进行加宽设计 ,建议业主后续安全设施部分尽快实施以确保过往车辆、行人安全。2、2 设计依据《公路工程技术标准》(JTG B0l-2025)《公路路基设计法律规范》)JTGD30—2025)《公路路基施工技术法律规范》(GTJ F10-2025)《公路水泥混凝土路面设计法律规范》(JTG D40-2025)《公路水泥混凝土路面养护技术法律规范》(JTJ073、1—2001)《公路水泥混凝土路面施工技术法律规范》(JTG F30-2025)《公路路面基层施工技术法律规范》(JTJ034-2000)《公路路基施工技术法律规范》(GTJ F10-2025)《关于进一步法律规范农村公路建设标准与审批程序得通知》四川省交通运输厅公路局(通知)交路农建函【2025】251 号三、设计标准本项目业主得建设指导意见就是“由于资金有限,本次设计只能在宽度上进行改造加宽,即维持原路混凝土路面不破除,节约投资,单侧加宽,且不设计安全设施”。根据现状道路在路网中得地位、功能、远景交通量以及业主要求等,本项目道路设计维持现状道路平纵指标不变,仅保证现有得路面不破坏得情况下,依据两侧地形进行单侧加宽。四、测设经过2025 年 08 月中旬,我公司接到任务后,立即组建项目组积极组织施工图外业测量、调查等工作,于 2025 月 08 月底完成施工图设计与预算编制。五、路线平面、纵断面设计说明因本项目仅对现状道路进行加宽设计,故路线平纵面维持现状道路平纵指标不变。六、路基加宽设计6、1、路基加宽横断面布置6、1、1、路基加宽宽度现状道路水泥混凝土路面宽度约 3、5m,本次设计对现...

1、当您付费下载文档后,您只拥有了使用权限,并不意味着购买了版权,文档只能用于自身使用,不得用于其他商业用途(如 [转卖]进行直接盈利或[编辑后售卖]进行间接盈利)。
2、本站所有内容均由合作方或网友上传,本站不对文档的完整性、权威性及其观点立场正确性做任何保证或承诺!文档内容仅供研究参考,付费前请自行鉴别。
3、如文档内容存在违规,或者侵犯商业秘密、侵犯著作权等,请点击“违规举报”。

碎片内容

道路设计说明书

您可能关注的文档

确认删除?
VIP
微信客服
  • 扫码咨询
会员Q群
  • 会员专属群点击这里加入QQ群
客服邮箱
回到顶部