电脑桌面
添加小米粒文库到电脑桌面
安装后可以在桌面快捷访问

钢筋工程施工专项方案

钢筋工程施工专项方案_第1页
1/30
钢筋工程施工专项方案_第2页
2/30
钢筋工程施工专项方案_第3页
3/30
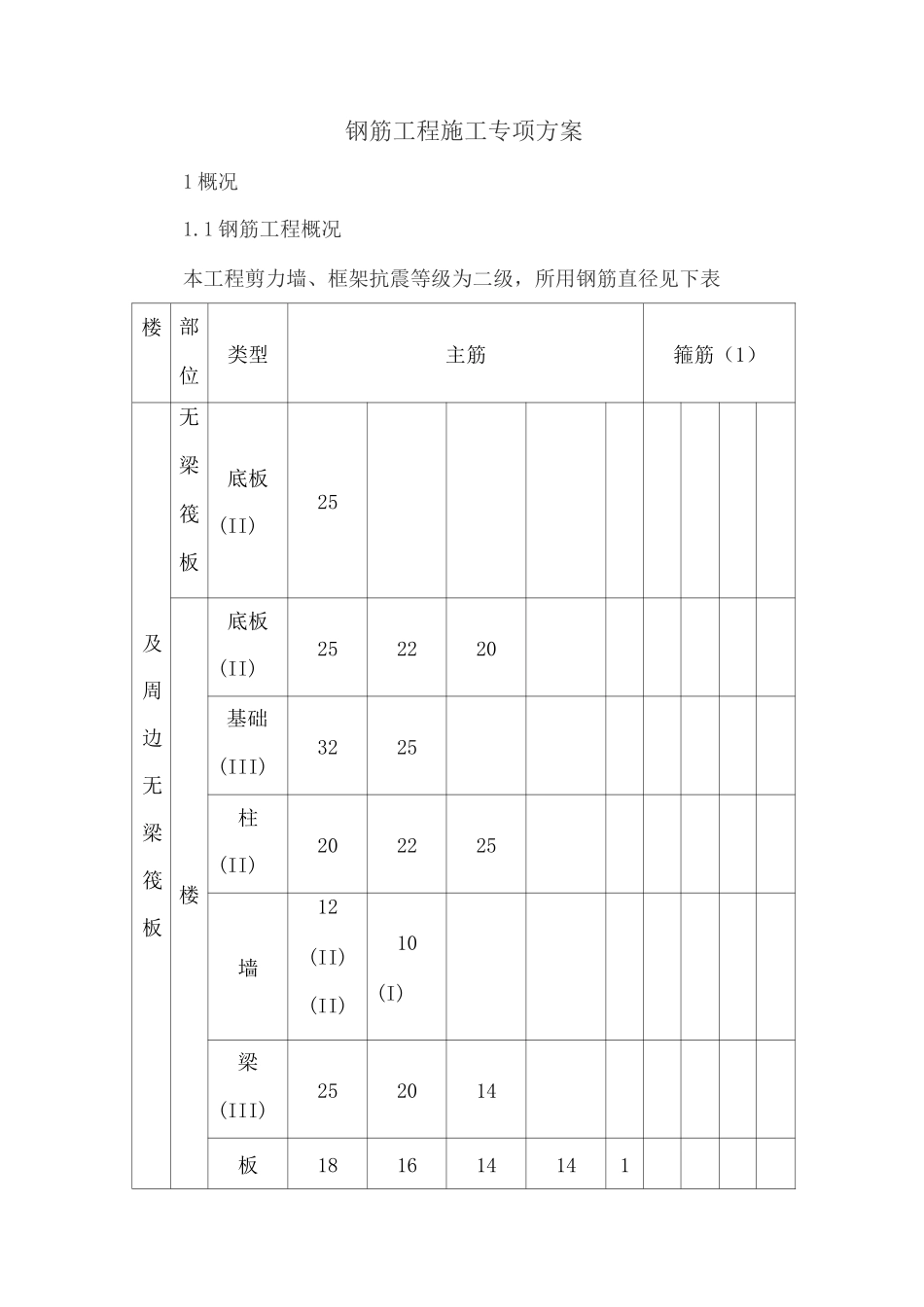
钢筋工程施工专项方案1 概况1.1 钢筋工程概况本工程剪力墙、框架抗震等级为二级,所用钢筋直径见下表楼部位类型主筋箍筋(1)及周边无梁筏板无梁筏板底板(II)25楼底板(II)252220基础(III)3225柱(II)202225墙12(II)(II)10(I)梁(III)252014板181614141(III)0无X梁筏底板(II)3225号权楼及底板(II)3216141210周边 X基础(III)28252220无梁号楼柱(II)25(I)20(I)14(I)25(II)12108筏板墙12(II)10(I)梁25(I)20(I)14(I)25(II)1081.2 钢筋工程承包方式总包:钢筋分包:1.3 施工条件加工场地布置在现场南侧,见总平面布置(图略),相关二级电箱布置到加工场,见临电布置图(图略)。1.4 生活条件总包方负责提供分包方工人居住、生活场地,交通电分包方自行负责。2、施工总体安排2.1 施工准备测量准备根据平面控制网,在防水保护层上放出轴线和基础梁、墙、柱位置线;底板上层钢筋绑扎完成后施工场地测量人员必须组织测放墙、柱插筋位置线(每跨至少两点用红油漆标注)。顶板砼浇注完成,支设竖向模板前,在板上放出该层平面控制轴线。待竖向钢筋绑扎完成后,在每层竖向钢筋上部标出标高控制点。机具准备(1)剥肋滚压直螺纹机械连接机具1)钢筋剥肋滚压直螺纹机高峰期钢筋施工时至少保证 10 台钢筋剥肋流压直螺纹机。其技术参数如下表所求:设备型号GHG50 型GHG40 型滚丝头型号50 型40 型可加工钢筋范围25~5016~40整机质量(kg)65902)限位挡铁;对钢筋的夹持位置进行限位,型号划分与钢筋规格相同。3)螺纹环规用于检验钢筋丝头的专用量具。4)力矩扳手力矩扳手的精度为±5%。5)辅助机具砂轮切割机:用于钢筋端面平头。用于检验钢筋丝头的专用量具。(2)冷挤压机械连接机具1)钢筋压接器 YJQ-32(3 台)用于挤压钢筋接头。2)辅助机具包括模具、检测工具(卡板、测深尺)。2.2 施工手续现场所有钢筋工必须具备上岗证,焊工必须具备合格证(在使用期内)。剔钢筋机械接头施工的人员必须进行技术培训,经考核合格后方可执证上岗。未经培训的人员严禁操作设备。2.3 材料进场计划材料进场计划随工程进度施工前仔细阅图纸(包括与建筑图对应情况)、方案、相关安全质量法律规范,做到图纸上问题提前与设计联系解决,配筋及施工中重点突出。2.5 管理人员及劳务人员培训项目技术部按规定对项目相前部门及分包进行方案、措施交底包括书面和头);每周二下午 1:30 利用简短时间,由分包管理层向其钢筋操作层进行方案、措施交底(包括书面和头)...

1、当您付费下载文档后,您只拥有了使用权限,并不意味着购买了版权,文档只能用于自身使用,不得用于其他商业用途(如 [转卖]进行直接盈利或[编辑后售卖]进行间接盈利)。
2、本站所有内容均由合作方或网友上传,本站不对文档的完整性、权威性及其观点立场正确性做任何保证或承诺!文档内容仅供研究参考,付费前请自行鉴别。
3、如文档内容存在违规,或者侵犯商业秘密、侵犯著作权等,请点击“违规举报”。

碎片内容

钢筋工程施工专项方案

您可能关注的文档

确认删除?
VIP
微信客服
  • 扫码咨询
会员Q群
  • 会员专属群点击这里加入QQ群
客服邮箱
回到顶部