电脑桌面
添加小米粒文库到电脑桌面
安装后可以在桌面快捷访问

钢筋镦粗直螺纹套筒连接施工方法

钢筋镦粗直螺纹套筒连接施工方法_第1页
1/5
钢筋镦粗直螺纹套筒连接施工方法_第2页
2/5
钢筋镦粗直螺纹套筒连接施工方法_第3页
3/5
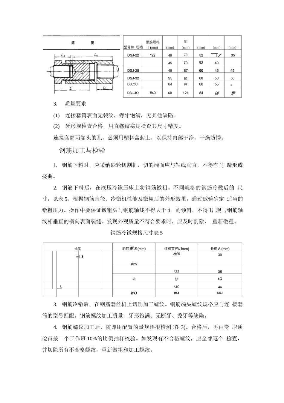
钢筋镦粗直螺纹套筒连接施工方法钢筋镦粗直螺纹套筒连接是先将钢筋端头镦粗,再切削成直螺纹,然后用带 直螺纹的套筒将钢筋两端拧紧的钢筋连接方法(图 1)。1-已连接的钢筋;2-直螺纹套筒;3-正在拧入的钢筋镦粗直螺纹钢筋接头的特点:钢筋端部经冷镦后不仅直径增大,使套丝后丝 扣底部横截面积不小于钢筋原截面积,而且由于冷镦后钢材强度的提高,致使接 头部位有很高的强度,断裂均发生母材,达到 SA 级接头性能的要求。这种接头的螺纹精度高,接头质量稳定性好,操作简便,连接速度快,价格 适中。一、机具设备1. 钢筋液压冷傲机,是钢筋端头傲粗用的一种专用设备。其型号有:HJC2 型(虫 18~40)、HJC250 型(企 20~40)、GZD40、CDJ-50 型等。2. 钢筋直螺纹套丝机,是将已镦粗或未镦粗的钢筋端头切削成直螺纹的一 种专用设备。其型号有:GZL-40、HZS-40、GTS-50 型等。3. 扭力扳手、量规(通规、止规)等。二、镦粗直螺纹套筒1. 材质要求:对 HRB335 级钢筋,采纳 45 号优质碳素钢;对 HRB4 级钢 筋,采纳 45 号经调质处理,或用性能不低于 HRB4 钢筋性能的其他钢种。2. 规格型号及尺寸:(1)同径连接套筒,分右旋和左右旋两种(图 2),其尺寸见表 1 和表 2。3图 1 钢筋直螺纹套筒连接图 2 同径连接套筒(a)右旋;(b)左右旋同径右旋连接筒表 1型号与标记Mt! 乂 t (mm)Lr (mm.)墩号与标记Mdx tD (mm)L (mm)A20S-G24X2.536wA32S-O36x35272A22S-G26X2.54055A36SHJ40X3S&80A25S-G29xlr5A40S-G44 K 365WA23S-G32x346砧同径左右旋连接套筒表 2型号与标记x(D (mm)L (mm)I (mmjh (mm)A20SLR-G24X2.53#55243A22SLR-G26x2.5426D8A25SLR-G29X2.5456629gA288T-R'GJ2xJ4631toA32SLR-G36x3548Q3510A36SLR-G40 x 360863fi1044X3679643l(J(2)异径连接套筒,见表 3。斯 图型号与标记MdjX tb0iLAS20^2M24X2.55松2657AS22-25M29>2-5M26X2,55^452963ASS25-28M32X3M29X2,5S对 83167"/AAS28-J2M36XJ6喧 543576AS32-36M40X3M36X36枷38»21七…__.F—AS36-4。M44x3M40x364392(3)可调节连接套筒,见表 4。3.质量要求(1)连接套筒表面无裂纹,螺牙饱满,无其他缺陷。(2)牙形规检查合格,用直螺纹塞规检查其尺寸精度。连接套筒两端头的孔,必须用塑料盖封上,以保持内部干净,干燥防锈。钢筋加工与检验1.钢筋下料时,应采纳砂轮切割机,切的端面应与轴线垂直,不得有马 蹄形或挠曲。2.钢筋下料后,在液压...

1、当您付费下载文档后,您只拥有了使用权限,并不意味着购买了版权,文档只能用于自身使用,不得用于其他商业用途(如 [转卖]进行直接盈利或[编辑后售卖]进行间接盈利)。
2、本站所有内容均由合作方或网友上传,本站不对文档的完整性、权威性及其观点立场正确性做任何保证或承诺!文档内容仅供研究参考,付费前请自行鉴别。
3、如文档内容存在违规,或者侵犯商业秘密、侵犯著作权等,请点击“违规举报”。

碎片内容

钢筋镦粗直螺纹套筒连接施工方法

您可能关注的文档

确认删除?
VIP
微信客服
  • 扫码咨询
会员Q群
  • 会员专属群点击这里加入QQ群
客服邮箱
回到顶部