电脑桌面
添加小米粒文库到电脑桌面
安装后可以在桌面快捷访问

钢管柱制作安装方案

钢管柱制作安装方案_第1页
1/16
钢管柱制作安装方案_第2页
2/16
钢管柱制作安装方案_第3页
3/16
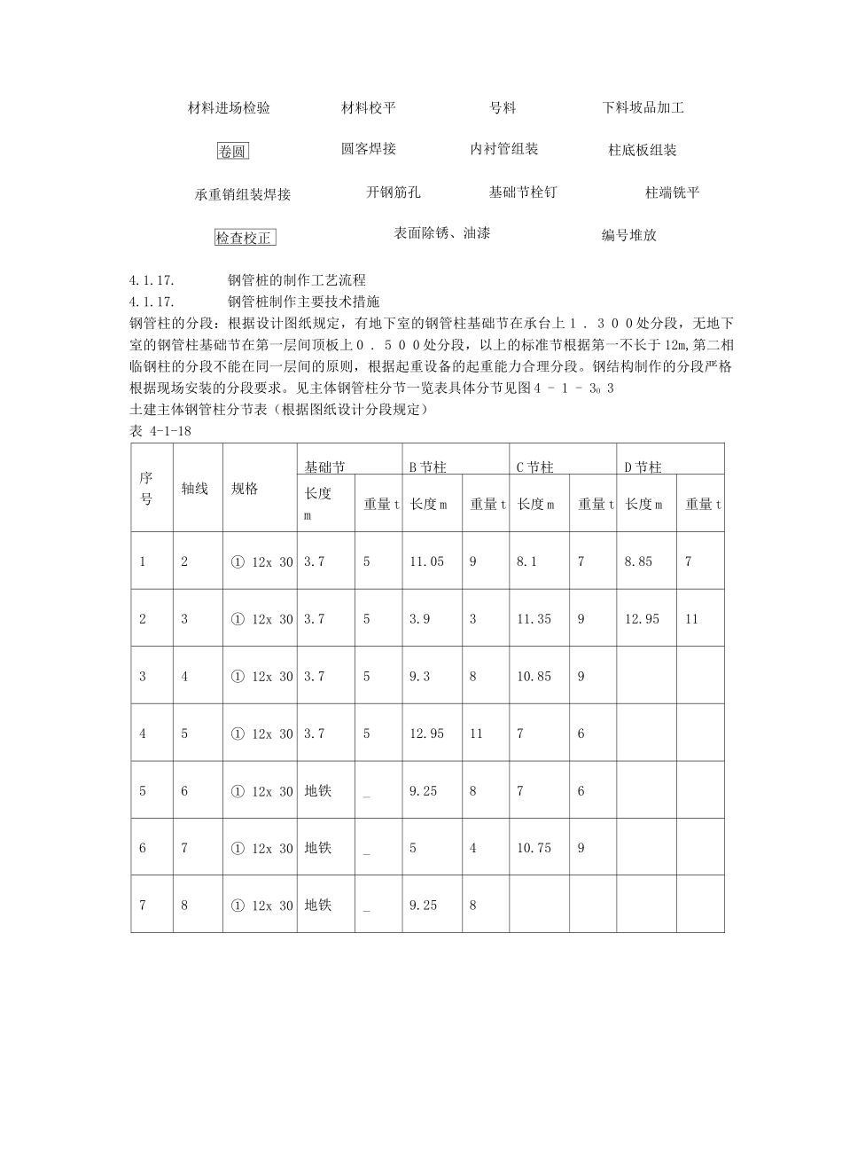
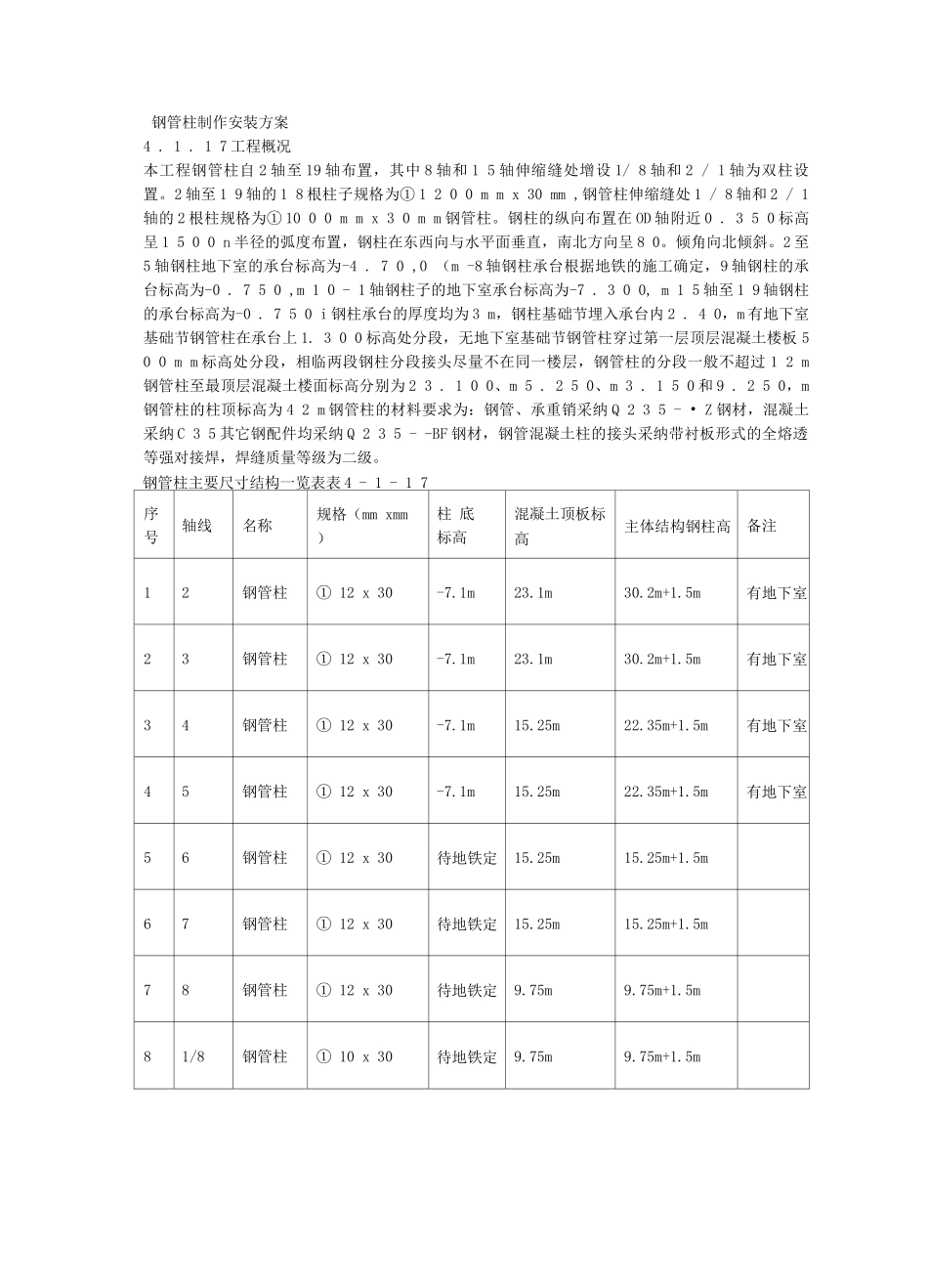
钢管柱制作安装方案4 . 1 . 1 7 工程概况本工程钢管柱自 2 轴至 19 轴布置,其中 8 轴和 1 5 轴伸缩缝处增设 1/ 8 轴和 2 / 1 轴为双柱设置。2 轴至 1 9 轴的 1 8 根柱子规格为① 1 2 0 0 m m x 30 mm ,钢管柱伸缩缝处 1 / 8 轴和 2 / 1轴的 2 根柱规格为① 10 0 0 m m x 3 0 m m 钢管柱。钢柱的纵向布置在 OD 轴附近 0 . 3 5 0 标高呈 1 5 0 0 n 半径的弧度布置,钢柱在东西向与水平面垂直,南北方向呈 8 0。倾角向北倾斜。2 至5 轴钢柱地下室的承台标高为-4 . 7 0 ,0 (m -8 轴钢柱承台根据地铁的施工确定,9 轴钢柱的承台标高为-0 . 7 5 0 ,m 1 0 - 1 轴钢柱子的地下室承台标高为-7 . 3 0 0, m 1 5 轴至 1 9 轴钢柱的承台标高为-0 . 7 5 0 i 钢柱承台的厚度均为 3 m,钢柱基础节埋入承台内 2 . 4 0,m 有地下室基础节钢管柱在承台上 1. 3 0 0 标高处分段,无地下室基础节钢管柱穿过第一层顶层混凝土楼板 5 0 0 m m 标高处分段,相临两段钢柱分段接头尽量不在同一楼层,钢管柱的分段一般不超过 1 2 m钢管柱至最顶层混凝土楼面标高分别为 2 3 . 1 0 0、m 5 . 2 5 0、m 3 . 1 5 0 和 9 . 2 5 0,m钢管柱的柱顶标高为 4 2 m 钢管柱的材料要求为:钢管、承重销采纳 Q 2 3 5 - • Z 钢材,混凝土采纳 C 3 5 其它钢配件均采纳 Q 2 3 5 - -BF 钢材,钢管混凝土柱的接头采纳带衬板形式的全熔透等强对接焊,焊缝质量等级为二级。钢管柱主要尺寸结构一览表表 4 - 1 - 1 7序号轴线名称规格(mm xmm )柱 底标高混凝土顶板标高主体结构钢柱高备注12钢管柱① 12 x 30-7.1m23.1m30.2m+1.5m有地下室23钢管柱① 12 x 30-7.1m23.1m30.2m+1.5m有地下室34钢管柱① 12 x 30-7.1m15.25m22.35m+1.5m有地下室45钢管柱① 12 x 30-7.1m15.25m22.35m+1.5m有地下室56钢管柱① 12 x 30待地铁定15.25m15.25m+1.5m67钢管柱① 12 x 30待地铁定15.25m15.25m+1.5m78钢管柱① 12 x 30待地铁定9.75m9.75m+1.5m81/8钢管柱① 10 x 30待地铁定9.75m9.75m+1.5m99钢管柱① 12 x 30-3.15m9.75m12.9m+1.5m1010钢管柱① 12 x 30-9.7m13.15m22.85m+1.5m有地下室1111钢管柱① 12 x 30-9.7m13.15m22.85m+1.5m有地下室1212钢管柱① 12 x 30-9.7m13.15m22.85...

1、当您付费下载文档后,您只拥有了使用权限,并不意味着购买了版权,文档只能用于自身使用,不得用于其他商业用途(如 [转卖]进行直接盈利或[编辑后售卖]进行间接盈利)。
2、本站所有内容均由合作方或网友上传,本站不对文档的完整性、权威性及其观点立场正确性做任何保证或承诺!文档内容仅供研究参考,付费前请自行鉴别。
3、如文档内容存在违规,或者侵犯商业秘密、侵犯著作权等,请点击“违规举报”。

碎片内容

钢管柱制作安装方案

确认删除?
VIP
微信客服
  • 扫码咨询
会员Q群
  • 会员专属群点击这里加入QQ群
客服邮箱
回到顶部