电脑桌面
添加小米粒文库到电脑桌面
安装后可以在桌面快捷访问

钢管混凝土施工方案

钢管混凝土施工方案_第1页
1/14
钢管混凝土施工方案_第2页
2/14
钢管混凝土施工方案_第3页
3/14
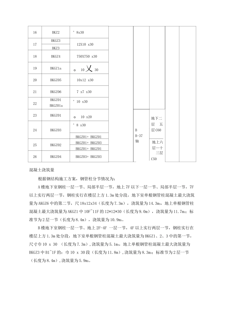
钢管混凝土施工方案钢管柱混凝土概况钢管柱概况本工程 A、B 楼外框由多种钢管柱组成,其主要情况如下表:编号柱代号钢管截(mm)柱混凝土强度等级位置材质1AKGZ1E3 12x12x30A 楼地下二层一七层C60具体位置详见图纸Q345B2AKGZ2S 10x10x303AKGZ3 8x8x304AKGZ4O 12x305AKGZ4a^12x346AKGZ5 9x9x30OI2X347AKGZ6〔^9x30g18x12x348AKGZ7S 9x9x30地上八层—二十层C509AKGZ8^9x3010AKGZ9 6x6x3011AKGZ2a 12x10x3012AKGZ3aS 12x8x3013BKGZ1OI0X2014BKZ1OI0X30B 楼—B-1B-22轴C4015BKGZ2〔^9x20混凝土浇筑量根据钢结构施工方案,钢管柱分节情况为:A 楼地下室钢柱一层一节、局部半层一节,地上 7F 以下一层一节、局部半层一节,7F以上实行两层一节,钢柱实行在楼层上方 1.3m 处分段,地下室单根钢管柱混凝土最大浇筑量为 AKGZ6 中的第二节,尺 18x12x34(长度为 7.3m),浇筑量为 14.3m3,地上单根钢管柱混凝土最大浇筑量为 AKGZ1 中 10F~11F 的 12*12*30(长度为 9.0m),浇筑量为 11.7m3;标准节为 2 层一节(长度为 8.4m),浇筑量为 10.9m3。B 楼地下室钢柱一层一节、地上 2F-4F 一层一节,4F 以上实行两层一节,钢柱实行在楼层上方 1.3m 处分段,地下室单根钢管柱混凝土最大浇筑量为 BKGZ1、2、3 中的第一节,尺寸巾 10 x 30 (长度为 7.3m),浇筑量为 5.1m3,地上单根钢管柱混凝土最大浇筑量为BKGZ3 中 B1~1F 的:巾 10 x 30 段(长度为 11.8m),浇筑量为 8.3m3;标准节为 2 层一节(长度为 8.4m),浇筑量为 5.9m3。16BKZ2°8x3017BKGZ3 12X10 x30BKZ318BKGZ4 750X750 x3019BKGZ1a。10乂 3020BKGZ05 10x12 x3021BKGZ06 7 x7 x3022BKGZ01BKGZ01a°10 x3023BKGZ01。10 x2024BKGZ03°8 x30BKGZ01+ BKGZ0125BKGZ02BKGZ01+ BKGZ03BKGZ01+ BKGZ0126BKGZ04BKGZ03+ BKGZ03BB-37层 C60轴地上六层—十三层C50地下二层五钢管柱施工部署地下室阶段根据工程现场实际场地情况,本工程地下室阶段钢管柱混凝土施工拟采纳汽车泵并辅以塔吊吊运浇筑,分别在场地 A 座塔楼西和 B 座塔楼周边位置放置汽车泵。布置图如下:一胃!*|凰A 座地下室阶段示意图B 座地下室阶段示意图地上阶段根据本工程泵管位置及混凝土输送泵台数,考虑将钢管柱分为 I、11、111、IV、V、VI六个施工段进行施工。施工顺序按途中所示。地下室钢管柱混凝土在钢管柱柱顶层梁板结构施工完成后浇筑,采纳汽车泵进行浇...

1、当您付费下载文档后,您只拥有了使用权限,并不意味着购买了版权,文档只能用于自身使用,不得用于其他商业用途(如 [转卖]进行直接盈利或[编辑后售卖]进行间接盈利)。
2、本站所有内容均由合作方或网友上传,本站不对文档的完整性、权威性及其观点立场正确性做任何保证或承诺!文档内容仅供研究参考,付费前请自行鉴别。
3、如文档内容存在违规,或者侵犯商业秘密、侵犯著作权等,请点击“违规举报”。

碎片内容

钢管混凝土施工方案

确认删除?
VIP
微信客服
  • 扫码咨询
会员Q群
  • 会员专属群点击这里加入QQ群
客服邮箱
回到顶部