电脑桌面
添加小米粒文库到电脑桌面
安装后可以在桌面快捷访问

铝扣板吊顶施工方案

铝扣板吊顶施工方案_第1页
1/5
铝扣板吊顶施工方案_第2页
2/5
铝扣板吊顶施工方案_第3页
3/5
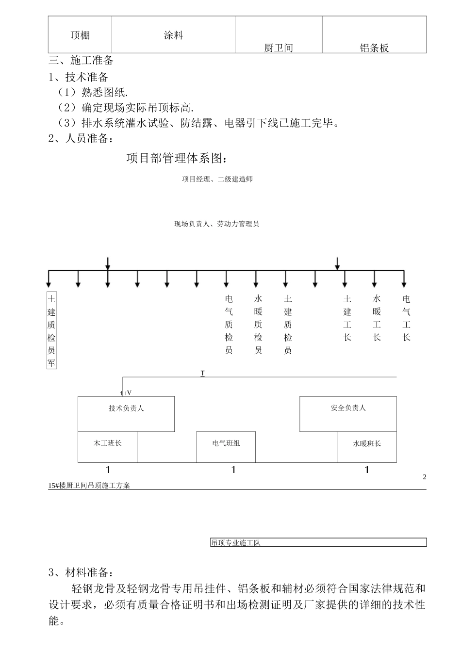
15#楼厨卫间吊顶施工方案一、编制依据1、建筑装饰工程质量验收法律规范(GB50210 -21)2、08BJ1-1 工程做法图集3、15#楼建筑施工图纸二、工程概况建筑设计概况项目内容项目内容建筑总面积21685。63m2地上面积20255.94 m2地下配套用房平常为自行车库、战时为 5级人员掩蔽所地下面积1489。69m2建筑形式住宅建筑特点多层住宅地下层数1 层地下层高 m5.4m 其中夹层 2.1m地上层数14 层标准层高 m2。8m±0。标高48。1m建筑总高(m)40。4m(女儿墙顶)室内外高差0.30m基底标高(m)-6.2m 局部一 6.65m外墙保温做法80mm 厚矿棉复合板面层涂料外门窗三防门、塑钢内门三防门、防火门、夹板门防水聚乙烯丙纶复合防水卷材地下室 0.8mm 两层、屋面 0.7mm两层、消防水池内壁 0。6 mm厨卫间聚乙烯丙纶卷材 0。6mm 两层做法装修外墙涂料饰面内墙涂料饰面厨卫间瓷砖墙面115#楼厨卫间吊顶施工方案地面地下室、管道井水泥地面其它地砖地面顶棚涂料厨卫间铝条板三、施工准备1、技术准备(1)熟悉图纸.(2)确定现场实际吊顶标高.(3)排水系统灌水试验、防结露、电器引下线已施工完毕。2、人员准备:项目部管理体系图:项目经理、二级建造师现场负责人、劳动力管理员T1「V技术负责人安全负责人木工班长电气班组水暖班长111215#楼厨卫间吊顶施工方案吊顶专业施工队3、材料准备:轻钢龙骨及轻钢龙骨专用吊挂件、铝条板和辅材必须符合国家法律规范和设计要求,必须有质量合格证明书和出场检测证明及厂家提供的详细的技术性能。土建质检员军电气质检员水暖质检员土建质检员土建工长水暖工长电气工长4、主要机具:(1)电动机具:冲击电锤、自攻螺丝钻、手提圆盘踞、手提线锯机.(2)手动工具:手锯、钳子、螺丝刀、扳子、钢尺、钢水平尺、线坠。四、工艺流程弹顶棚标高水平线、划龙骨分档线一 固定吊挂杆 一安装边龙骨-| 安装龙骨 | -罩面板安装 | -验收五、操作工艺:1、弹顶棚标高水平线、划龙骨分档线:用水准仪在房间内每个墙(柱)角上抄出+5 水平点,弹出水准线,从水准线量至吊顶设计高度加上金属板的厚度和折边的高度,用粉线沿墙(柱)弹出吊顶中龙骨、边龙骨的下皮线.按吊顶平面图,在混凝土顶板弹出龙骨的位置.龙骨宜平行房间长向安装,间距为 9〜12 为宜。2、固定吊杆、龙骨:采纳内胀螺栓固定吊挂杆件。吊杆采纳中 4 镀锌通丝,吊杆的一端同膨胀螺栓固定。另一端固定 u 型龙骨,丝条长度不小于 1 ,也可以买成品丝杆与吊杆焊接。吊杆...

1、当您付费下载文档后,您只拥有了使用权限,并不意味着购买了版权,文档只能用于自身使用,不得用于其他商业用途(如 [转卖]进行直接盈利或[编辑后售卖]进行间接盈利)。
2、本站所有内容均由合作方或网友上传,本站不对文档的完整性、权威性及其观点立场正确性做任何保证或承诺!文档内容仅供研究参考,付费前请自行鉴别。
3、如文档内容存在违规,或者侵犯商业秘密、侵犯著作权等,请点击“违规举报”。

碎片内容

铝扣板吊顶施工方案

确认删除?
VIP
微信客服
  • 扫码咨询
会员Q群
  • 会员专属群点击这里加入QQ群
客服邮箱
回到顶部