电脑桌面
添加小米粒文库到电脑桌面
安装后可以在桌面快捷访问

锅炉焊接施工方案.2

锅炉焊接施工方案.2_第1页
1/22
锅炉焊接施工方案.2_第2页
2/22
锅炉焊接施工方案.2_第3页
3/22
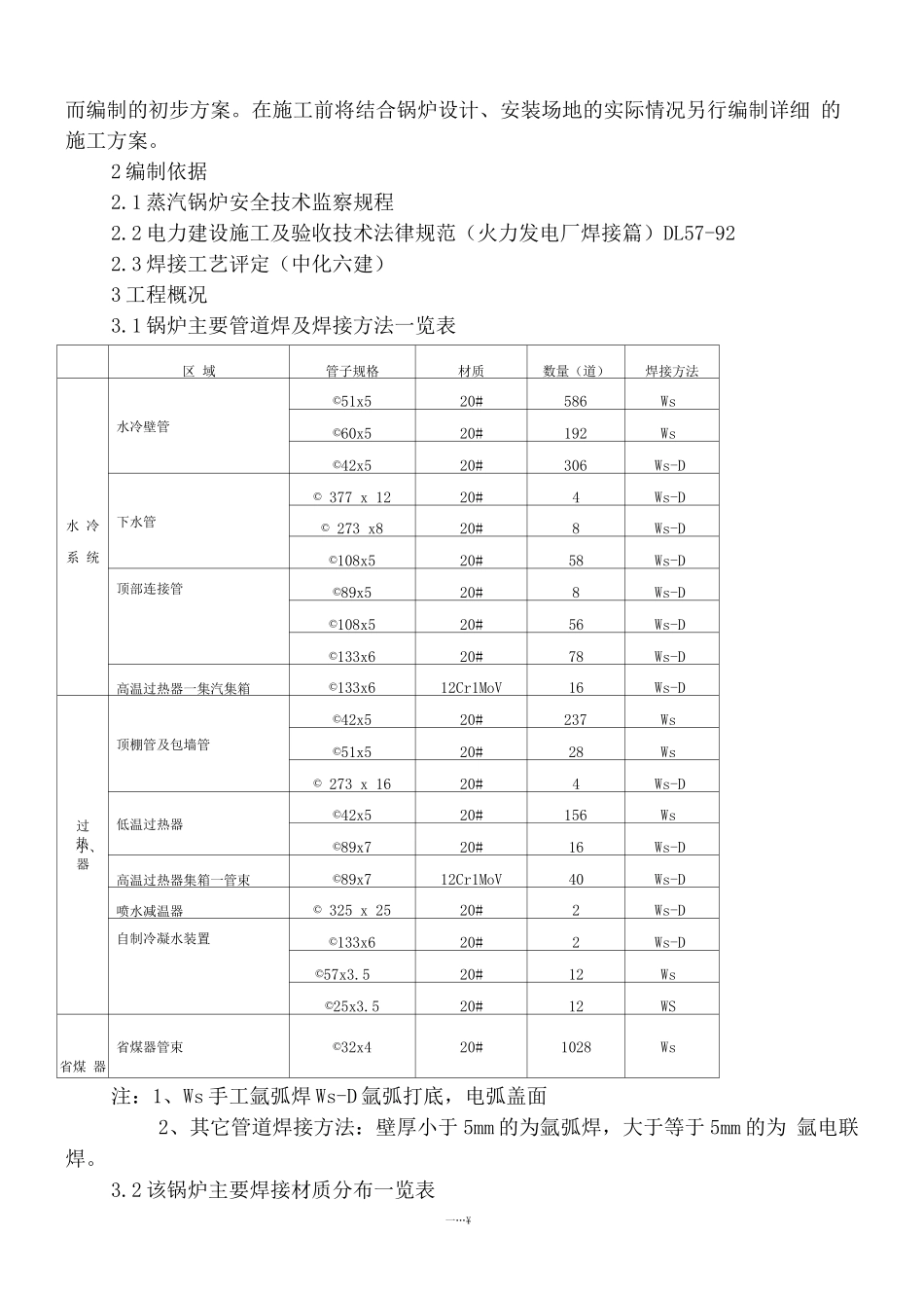
张家港保税区热电厂二期工程锅炉、汽机、电气设备安装工程锅炉焊接施工方案中国化学工程第六建设公司二 二年三月二十七日目 录一、编制说明二、编制依据三、工程概况四、施工准备五、焊接工艺六、焊后热处理七、质量检验八、焊接安全注意事项九、劳动力需用一览表十、焊接质量保证体系十一、锅炉安装焊工配备表十二、施工机具需用量计划表1 编制说明本方案系根据我公司承建中国神马尼龙 66 盐 130t/h 循环流化床锅炉施工经验而编制的初步方案。在施工前将结合锅炉设计、安装场地的实际情况另行编制详细 的施工方案。2 编制依据2.1 蒸汽锅炉安全技术监察规程2.2 电力建设施工及验收技术法律规范(火力发电厂焊接篇)DL57-922.3 焊接工艺评定(中化六建)3 工程概况3.1 锅炉主要管道焊及焊接方法一览表区 域管子规格材质数量(道)焊接方法水 冷 系 统水冷壁管©51x520#586Ws©60x520#192Ws©42x520#306Ws-D下水管© 377 x 1220#4Ws-D© 273 x820#8Ws-D©108x520#58Ws-D顶部连接管©89x520#8Ws-D©108x520#56Ws-D©133x620#78Ws-D高温过热器一集汽集箱©133x612Cr1MoV16Ws-D过热 小、器顶棚管及包墙管©42x520#237Ws©51x520#28Ws© 273 x 1620#4Ws-D低温过热器©42x520#156Ws©89x720#16Ws-D高温过热器集箱一管束©89x712Cr1MoV40Ws-D喷水减温器© 325 x 2520#2Ws-D自制冷凝水装置©133x620#2Ws-D©57x3.520#12Ws©25x3.520#12WS省煤 器省煤器管束©32x420#1028Ws注:1、Ws 手工氩弧焊 Ws-D 氩弧打底,电弧盖面2、其它管道焊接方法:壁厚小于 5mm 的为氩弧焊,大于等于 5mm 的为 氩电联焊。3.2 该锅炉主要焊接材质分布一览表一…¥34 施工准备4.1 人员现场应有专职的焊接工程师、焊接质量检查人员、焊接材料保管员、无损检测 人员及焊工,所有人员均应持证上岗。•项目部设焊接工程师,在项目总工的指导下全面负责现场的焊接工作,根据 技术要求对有关人员进行技术交底,深化实际进行技术指导和监督,参加重要管道 和部件的质量验收工作,记录、检查和整理焊接资料。并负责焊接质量的检查,技 术措施的实施负责焊缝外观质量的检查、记录,检查焊工合格证件,掌握其技术状 况,对焊接质量常常不合格者有权停止其焊接工作。•施工队设焊接材料保管员,负责按技术要求进行焊材的验收入库,烘干、发 放、回收等工作,并认真填写焊材烘干记录和焊材发放记录等表格。•焊缝质量的无损检测及热处理工作应...

1、当您付费下载文档后,您只拥有了使用权限,并不意味着购买了版权,文档只能用于自身使用,不得用于其他商业用途(如 [转卖]进行直接盈利或[编辑后售卖]进行间接盈利)。
2、本站所有内容均由合作方或网友上传,本站不对文档的完整性、权威性及其观点立场正确性做任何保证或承诺!文档内容仅供研究参考,付费前请自行鉴别。
3、如文档内容存在违规,或者侵犯商业秘密、侵犯著作权等,请点击“违规举报”。

碎片内容

锅炉焊接施工方案.2

确认删除?
VIP
微信客服
  • 扫码咨询
会员Q群
  • 会员专属群点击这里加入QQ群
客服邮箱
回到顶部