电脑桌面
添加小米粒文库到电脑桌面
安装后可以在桌面快捷访问

非煤矿山矿井隐蔽致灾因素台帐

非煤矿山矿井隐蔽致灾因素台帐_第1页
1/4
非煤矿山矿井隐蔽致灾因素台帐_第2页
2/4
非煤矿山矿井隐蔽致灾因素台帐_第3页
3/4
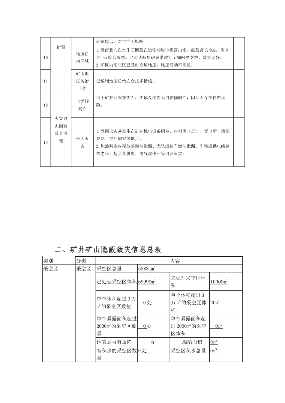
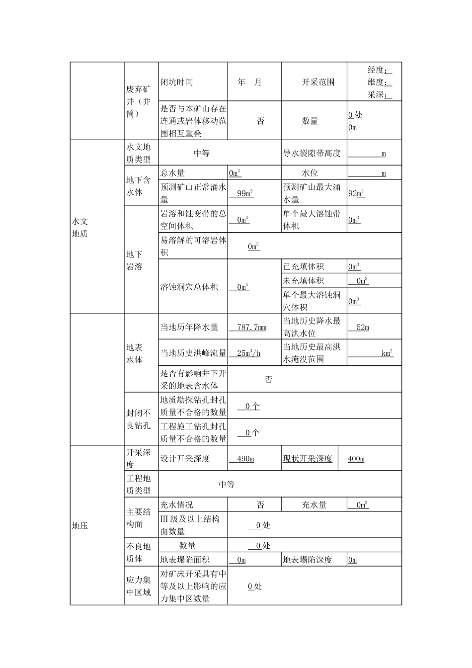
山东鑫汇矿业有限公司矿井隐蔽致灾因素台帐一、矿井隐蔽致灾因素台帐序号隐蔽致灾因素隐蔽致灾排查情况备注1采空区及周边老窑致灾因素普查治理采空区井下采空区总量 15 处,共计 55555m3,采空区无积水,地表无塌陷。井下无遗留采空区、历史上形成的采空区,以及未充填治理完毕的其他采空区。2周边废弃矿井(井筒)矿区周边只在东部有福星铁矿,该矿山为基建矿山,只施工了竖井,最近的井筒距离边界 350m;周边无废弃矿井(井筒)。3已实施的采空区治理工程井下已处理采空区体积 688880m3。经对采空区充填情况进行分析评估认为-280m、-9502 两个矿房正在充填中。井下各采空区严格根据设计进行充填治理,对矿山生产不存在重大安全隐患。4水文地质致灾因素普查治理地下含水体1.寒武纪长清群裂隙含水层分布在矿段的东部一带,岩性主要为白色长石石英砂岩,含水层厚度 57.00m,此含水岩层由于出露地表, 位于上部盖层,与矿体无关系,对矿床开采无影响。2.新元古代土门群二青山组岩溶裂隙含水岩层。该含水岩层为矿床主要含水岩层,分布于矿床的中部,近北西南东方向带状展布, 岩性由页岩、灰岩、石英砂岩等组成,岩层厚度 。13.40~143.45m , 自西向东逐渐增厚。3.F9、F10、F11 断层位于矿床范围内,错断矿体的连续性,断距不大,无与地表水体勾通现象,对矿床开采无较大影响。5地下岩溶未发现岩溶6地表水体矿区范围内最大的地表水体,位于矿区东部,白水牛石断层位于水库东部穿过,断层破裂带内夹有断层泥及角砾岩,为不透水挡水墙。白水牛石断层为不透水的阻水断裂,使矿区东部含水层与地表水体无直接水力联系和沟通现象;大窑水库位于白水牛石断层西部,与岩层有一定的水力联系,但隔水层岩石较完整,裂隙不发育,渗透性弱,阻水作用较好,因此,后大窑水库对含水层影响较小。7封闭不良钻孔根据《山东省矿段深部及外围详查》矿区内钻孔已全部按要求封闭,不存在封闭不良钻孔。8已实施的矿山防治水工程公司建立了防治水队伍,根据安全设施设计在矿区东部设置了防水保安矿柱,矿体距离地表水体较远,不存在重大安全隐患。9地压因素排查主要地质构造1.近东西向枣庄断裂,位于矿区南部,距离矿体较远;2.在矿山巷道揭露的 11 号、10 号断层不明显,9 号断层未见明显的破裂带有少量涌水,对生产基本无影响。近东西向枣庄断裂在矿区南侧距离治理矿体较远,对生产无影响。10地压活动区域1.近南北向白水牛石断裂在运输巷道中揭露出来,破裂...

1、当您付费下载文档后,您只拥有了使用权限,并不意味着购买了版权,文档只能用于自身使用,不得用于其他商业用途(如 [转卖]进行直接盈利或[编辑后售卖]进行间接盈利)。
2、本站所有内容均由合作方或网友上传,本站不对文档的完整性、权威性及其观点立场正确性做任何保证或承诺!文档内容仅供研究参考,付费前请自行鉴别。
3、如文档内容存在违规,或者侵犯商业秘密、侵犯著作权等,请点击“违规举报”。

碎片内容

非煤矿山矿井隐蔽致灾因素台帐

范哲铺+ 关注
实名认证
内容提供者

想你所想,急你所急,你需要的都在店铺里可以找到。

确认删除?
VIP
微信客服
  • 扫码咨询
会员Q群
  • 会员专属群点击这里加入QQ群
客服邮箱
回到顶部