电脑桌面
添加小米粒文库到电脑桌面
安装后可以在桌面快捷访问

预应力实心整间大楼板安装分项工程质量管理

预应力实心整间大楼板安装分项工程质量管理_第1页
1/4
预应力实心整间大楼板安装分项工程质量管理_第2页
2/4
预应力实心整间大楼板安装分项工程质量管理_第3页
3/4
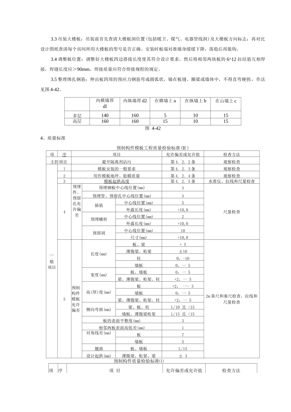
预应力实心整间大楼板安装工程质量管理1、依据标准:《建筑工程施工质量验收统一标准》GB503-21《钢筋混凝土结构工程施工质量验收法律规范》GB50204-22《高层建筑混凝土技术规程》JGJ3 -22《普通混凝土配合比设计规程》JGJ55 - 2025《砌筑砂浆配合比设计规程》JGJ98 - 2025《普通混凝土用砂质量标准及检验方法》JGJ52 - 92《普通混凝土用碎石和卵石质量标准及检验方法》JGJ53 - 92《混凝土外加剂应用技术法律规范》GBJ119 -882、施工准备2.1 材料及主要机具:大楼板:无裂纹、翘曲等缺陷。应有构件出厂合格证。水泥:标号为 425 号硅酸盐水泥、普通硅酸盐水泥、矿渣硅酸盐水泥。应有出厂合格证,按规定做复试。砂:中砂。主要工具:钢筋板子、撬棍、套管、钢管支撑、1mmx1mm 木方等。2.2 作业条件:按现场施工平面图要求将堆放场地修理平整夯实,第一块大板下面放置通长垫木,每块板间垫短垫木。当大楼板板宽 < 3170mm 时,垫木长 4mm,板宽为 3770mm 时,垫木长 5mm。垫木厚>50mm,垫木平行板长边放置。见图 4-41。垫木要上下对齐,垫平垫实,不得有一角脱空现象。每垛堆放最多为 9 块。大楼板运输时在车上堆放情况也应与此相同。检查大楼板是否有出厂合格证。然后对大楼板外观质量进行检查,凡不符合质量要求的不得使用,如大楼板板面或凸键有裂纹或损坏的,均不得使用。检查墙体轴线及标高,对比吊装图核对大楼板型号、规格。查清大楼板上洞方向与图纸是否相同。修理现浇混凝土墙体高度,墙体高度应低于板底标高 10〜20mm,如混凝土墙体高度低时,应补混凝土找平;如混凝土墙体高出板底标高时应剔凿,以保证楼板上表面标高符合要求。墙体轴线偏移过多,应进行调整,以保证大楼板搭墙长度符合要求。3、操作工艺3.1 工艺流程:抹砂浆找平层或硬架支模 T 吊装大楼板 T 调整板位置 T 整理绑扎钢筋。3.2 抹砂浆找平层或硬架支模:安装大楼板之前,根据墙体混凝土标高在墙顶抹找平层,找平层水泥砂浆配合比为 1 3。如采纳硬架支模时,墙顶混凝土标高应下降 1〜2cm。3.3 吊装大楼板:吊装前首先查清大楼板洞位置(包括暖卫、煤气、电器管线洞)及大楼板方向标志;再对比设计图纸查清每个房间所用大楼板的型号是否正确。安装时板端对准墙身缓缓下降,落稳后再脱钩。3.4 调整板位置:调整好大楼板四边搭接长度使其符合设计要求,然后将相邻两块板的 6^12 拉结筋互相焊接,焊缝长度应>90mm,焊接质量应符合焊接...

1、当您付费下载文档后,您只拥有了使用权限,并不意味着购买了版权,文档只能用于自身使用,不得用于其他商业用途(如 [转卖]进行直接盈利或[编辑后售卖]进行间接盈利)。
2、本站所有内容均由合作方或网友上传,本站不对文档的完整性、权威性及其观点立场正确性做任何保证或承诺!文档内容仅供研究参考,付费前请自行鉴别。
3、如文档内容存在违规,或者侵犯商业秘密、侵犯著作权等,请点击“违规举报”。

碎片内容

预应力实心整间大楼板安装分项工程质量管理

您可能关注的文档

确认删除?
VIP
微信客服
  • 扫码咨询
会员Q群
  • 会员专属群点击这里加入QQ群
客服邮箱
回到顶部