电脑桌面
添加小米粒文库到电脑桌面
安装后可以在桌面快捷访问

110kVGIS耐压试验作业指导说明书

110kVGIS耐压试验作业指导说明书_第1页
1/8
110kVGIS耐压试验作业指导说明书_第2页
2/8
110kVGIS耐压试验作业指导说明书_第3页
3/8
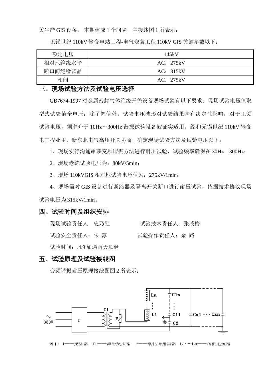
无锡世纪 110kV 输变电工程变电站电气安装工程 GIS 沟通耐压试验作业指导书 江苏中中电力工程4 月无锡世纪 110kV 输变电-变电站电气安装工程GIS 沟通耐压试验作业指导书一、适用范围 本作业指导书适适用于无锡世纪 110kV 输变电站工程-电气安装工程 110kV 部分 GIS 沟通耐压试验。二、引用文件IEC 60517-19 《Gas-insulated metal-enclosed switchgear for rated voltages of 72,5 kV and above》GB7674-1997 《72.5 k V及以上气体绝缘金属封闭开关设备》GB311.1-1997 《高压输变电设备绝缘配合》GB311.2-7-1997 《高电压试验技术》DL/T 618-1997 《气体绝缘金属封闭开关设备现场交接试验规程》《电气装置安装工程电气设备交接试验标准》 GB 50150-、GIS 技术协议、制造厂相关文件。QGDW-10-J206- 《输变电设备交接和状态检修试验规程》 三、工程概况 图 1:无锡世纪 110kV 输变电站工程-电气安装工程 GIS 主接线图 无锡世纪 110kV 输变电站工程-电气安装工程 110kV 实行新东北电气(沈阳)高压开进线出线关生产 GIS 设备, 本期建成 1 个间隔,主接线图 1 所表示:无锡世纪 110kV 输变电站工程-电气安装工程 110kV GIS 关键参数以下:额定电压145kV相对地绝缘水平AC:275kV断口间绝缘试品AC:315kV相间AC:275kV三、现场试验方法及试验电压选择GB7674-1997 对金属密封气体绝缘开关设备现场试验有以下要求:现场试验电压值取型式试验值全电压;除了幅值外,试验电压波形对试验结果含有决定性影响;对于工频试验电压,频率介于 10Hz~300Hz 谐振试验设备被证实适用。经和无锡世纪 110kV 输变电工程业主、新东北电气高压开关协商,确定现场试验方法及试验电压以下:1、现场实行沟通串联变频谐振方法进行耐压试验,试验频率确保在 30Hz-300Hz;2、现场老练试验电压为:80kV/5min;3、现场 110kVGIS 相对地试验电压值为:275kV/1min;4、现场需对 GIS 设备进行断路器及隔离开关断口进行耐压试验,依据技术协议现场试验电压为 315kV/1min。四、试验时间及组织安排现场试验责任人:史乃胜 试验技术责任人:张茨梅 试验安全责任人:朱 淳 试验操作责任人:余 路试验时间:.4.9 如遇雨天顺延 五、试验原理及试验接线图变频谐振耐压原理接线图图 2 所表示:图 2:沟通变频谐振耐压试验原理图图中:f——变频器 T1——激磁变压器 F——氧化锌避雷器 L1·····L...

1、当您付费下载文档后,您只拥有了使用权限,并不意味着购买了版权,文档只能用于自身使用,不得用于其他商业用途(如 [转卖]进行直接盈利或[编辑后售卖]进行间接盈利)。
2、本站所有内容均由合作方或网友上传,本站不对文档的完整性、权威性及其观点立场正确性做任何保证或承诺!文档内容仅供研究参考,付费前请自行鉴别。
3、如文档内容存在违规,或者侵犯商业秘密、侵犯著作权等,请点击“违规举报”。

碎片内容

110kVGIS耐压试验作业指导说明书

您可能关注的文档

确认删除?
VIP
微信客服
  • 扫码咨询
会员Q群
  • 会员专属群点击这里加入QQ群
客服邮箱
回到顶部