电脑桌面
添加小米粒文库到电脑桌面
安装后可以在桌面快捷访问

220kVGIS主回路设备交流耐压试验方案

220kVGIS主回路设备交流耐压试验方案_第1页
1/6
220kVGIS主回路设备交流耐压试验方案_第2页
2/6
220kVGIS主回路设备交流耐压试验方案_第3页
3/6
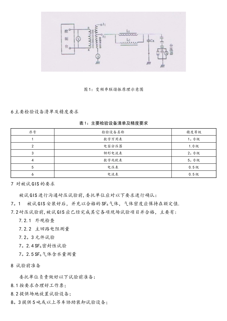
220kV GIS 主回路设备沟通耐压试验方案编制: 审核: 批准: 实施日期: 220kV GIS 主回路设备沟通耐压试验方案1 试验目的检验 220kV GIS 设备运行后,内部绝缘强度是否满足运行标准的要求。2 试品规格额定电压:220kV出厂日期:生产厂家: 3 试验依据3.1GB50150-2025 《电气装置安装工程电气设备交接试验标准》3。2DL/T596—1996《电力设备预防性试验规程》3.3DL/T555-2025 《气体绝缘金属封闭开关设备现场耐压及绝缘试验导则》3。4厂家技术条件及要求4 试验程序 4。1 GIS 设备主回路耐压电压值老练电压试验值 沟通耐压试验值:Uf = 出厂试验耐压值80% 4。2 GIS 设备主回路耐压程序图 注:1.GIS 主回路耐压设备不包括避雷器、电磁式电压互感器,避雷器、电磁式电压互感器与 GIS 连接必须拆除; 2。根据国家现行标准,只对 GIS 设备执行主回路沟通耐压试验。5 试验原理以及设备采纳 CHXB-F—1560KVA/390 变频串联谐振高压试验装置进行耐压试验,原理示意图见下图1。 图 1:变频串联谐振原理示意图6 主要检验设备清单及精度要求表 1:主要检验设备清单及精度要求序号检验设备名称精度等级1数字万用表1。0 级2电容分压器1.0 级3钳形电流表2。0 级4数字兆欧表5。0 级5电压表0.5 级6电流表0.5 级7 对被试 GIS 的要求被试 GIS 进行沟通耐压试验前,委托单位应对以下要求进行确认:7。1被试 GIS 安装好后,并充以合格的 SF6气体,气体密度应保持在额定值.7.2耐压试验前,被试 GIS 应已经完成其它各项现场试验项目并合格,主要有:7.2.1 外观检查7.2.2 主回路电阻测量7.2。3 元件试验7。2.4 SF6密封性试验7。2.5 SF6气体含水量测量8 试验前准备委托单位负责做好以下试验前准备:8.1 按要求办理好工作票;8.2 提供场地放置试验设备;8。3 提供 5 吨或以上吊车协助装卸试验设备;8.4 提供 380V/150A 三相四线电源并放至试验场地;8.5 负责解开所有线路与对应 GIS 间隔出线套管之间的高压引线,线路侧接地;8。6 将被试 GIS 所有间隔的电流互感器(CT)的二次回路短路并接地;8。7 按试验程序的要求,将被试 GIS 的开关状态操作到满足老练电压试验和耐压试验的状态。9 试验步骤 9。1 将试验设备安装在 220kVGIS 高压管套管旁,调试好设备。9。2 会同委托单位、监理、厂家对第 8 条的准备工作进行检查确认,并满试验要求。9。3 检查和确认按试验的要求将 GIS 有关断路...

1、当您付费下载文档后,您只拥有了使用权限,并不意味着购买了版权,文档只能用于自身使用,不得用于其他商业用途(如 [转卖]进行直接盈利或[编辑后售卖]进行间接盈利)。
2、本站所有内容均由合作方或网友上传,本站不对文档的完整性、权威性及其观点立场正确性做任何保证或承诺!文档内容仅供研究参考,付费前请自行鉴别。
3、如文档内容存在违规,或者侵犯商业秘密、侵犯著作权等,请点击“违规举报”。

碎片内容

220kVGIS主回路设备交流耐压试验方案

您可能关注的文档

确认删除?
VIP
微信客服
  • 扫码咨询
会员Q群
  • 会员专属群点击这里加入QQ群
客服邮箱
回到顶部