电脑桌面
添加小米粒文库到电脑桌面
安装后可以在桌面快捷访问

4防腐检验批质量检查验收记录表

4防腐检验批质量检查验收记录表_第1页
1/8
4防腐检验批质量检查验收记录表_第2页
2/8
4防腐检验批质量检查验收记录表_第3页
3/8
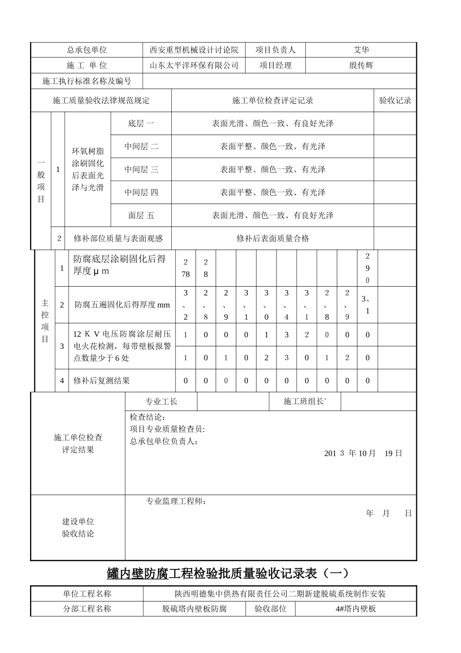
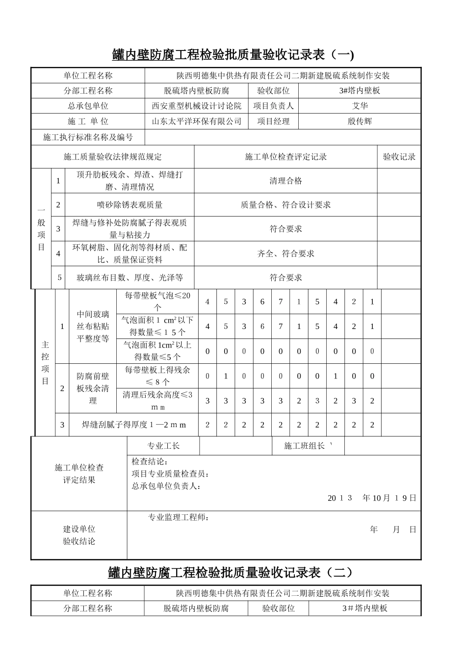
罐内壁防腐工程检验批质量验收记录表(一)单位工程名称陕西明德集中供热有限责任公司二期新建脱硫系统制作安装分部工程名称脱硫塔内壁板防腐验收部位3#塔内壁板总承包单位西安重型机械设计讨论院项目负责人艾华施 工 单 位山东太平洋环保有限公司项目经理殷传辉施工执行标准名称及编号施工质量验收法律规范规定施工单位检查评定记录验收记录一般项目1顶升肋板残余、焊渣、焊缝打磨、清理情况清理合格2喷砂除锈表观质量质量合格、符合设计要求3焊缝与修补处防腐腻子得表观质量与粘接力符合要求4环氧树脂、固化剂等得材质、配比、质量保证资料齐全、符合要求5玻璃丝布目数、厚度、光泽等符合要求主控项目1中间玻璃丝布粘贴平整度等每带壁板气泡≤20个4536715421气泡面积1 cm2以下得数量≤1 5 个4536715421气泡面积 1cm2以上得数量≤5 个00000000002防腐前壁板残余清理每带壁板上得残余≤8个0100000100清理后残余高度≤3m m33333232323焊缝刮腻子得厚度1—2 m m2222222222施工单位检查评定结果专业工长施工班组长`检查结论:项目专业质量检查员: 总承包单位负责人: 20 13 年 10 月 1 9 日建设单位验收结论专业监理工程师: 年 月 日罐内壁防腐工程检验批质量验收记录表(二)单位工程名称陕西明德集中供热有限责任公司二期新建脱硫系统制作安装分部工程名称脱硫塔内壁板防腐验收部位3#塔内壁板总承包单位西安重型机械设计讨论院项目负责人艾华施 工 单 位山东太平洋环保有限公司项目经理殷传辉施工执行标准名称及编号施工质量验收法律规范规定施工单位检查评定记录验收记录一般项目1环氧树脂涂刷固化后表面光泽与光滑底层 一表面光滑、颜色一致、有良好光泽中间层 二表面平整、颜色一致、有光泽中间层 三表面平整、颜色一致、有光泽中间层 四表面平整、颜色一致、有光泽面层 五表面光滑、颜色一致、有良好光泽2修补部位质量与表面观感修补后表面质量合格主控项目1防腐底层涂刷固化后得厚度 μ m278282902防腐五遍固化后得厚度 mm3、22、82、93、13、03、43、12、82、93、1312 K V 电压防腐涂层耐压电火花检测,每带壁板报警点数量少于 6 处100013200010102301204修补后复测结果0000000000施工单位检查评定结果专业工长施工班组长`检查结论:项目专业质量检查员: 总承包单位负责人: 201 3 年 10 月 19 日建设单位验收结论专业监理工程师: 年...

1、当您付费下载文档后,您只拥有了使用权限,并不意味着购买了版权,文档只能用于自身使用,不得用于其他商业用途(如 [转卖]进行直接盈利或[编辑后售卖]进行间接盈利)。
2、本站所有内容均由合作方或网友上传,本站不对文档的完整性、权威性及其观点立场正确性做任何保证或承诺!文档内容仅供研究参考,付费前请自行鉴别。
3、如文档内容存在违规,或者侵犯商业秘密、侵犯著作权等,请点击“违规举报”。

碎片内容

4防腐检验批质量检查验收记录表

确认删除?
VIP
微信客服
  • 扫码咨询
会员Q群
  • 会员专属群点击这里加入QQ群
客服邮箱
回到顶部