电脑桌面
添加小米粒文库到电脑桌面
安装后可以在桌面快捷访问

PLC断开延时定时器教案

PLC断开延时定时器教案_第1页
1/5
PLC断开延时定时器教案_第2页
2/5
PLC断开延时定时器教案_第3页
3/5
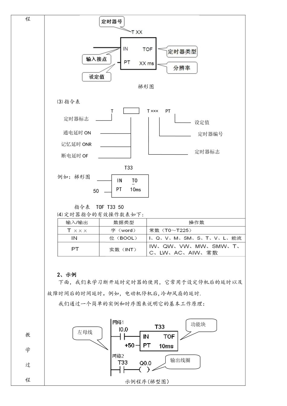
PLC 断电延时定时器(TOF)指令及使用教案授课内容西门子 S7-200 系列 PLC 断电延时定时器(TOF)指令及使用教学目的使学生熟练掌握西门子 S7-200 系列 PLC 中断电延时定时器指令及使用.教学重点及难点断电延时定时器指令及使用教学方法讲授式教学法教具投影仪、多媒体教学教学过程一、定时器概述1.前言在自动化控制系统中,按时间控制是最常用的逻辑控制形式。定时器是 PLC中的最重要的硬件编程元件,它用于实现或监控时间序列.定时器是根据预先设定的定时值,按一定的时间单位进行计时的 PLC 内部装置,在运行过程中当定时器的输入条件满足时,当前值从 0 开始按一定的单位增加。当定时器的当前值到达设定值时,定时器发生动作,从而满足各种定时逻辑控制的需要。2、定时器的结构S7—200 PLC 为提供了三种类型共 256 个(编号为 T0~T255)的定时器:接通延时定时器(TON)有记忆接通延时定时器(TONR)断开延时定时器(TOF)存储结构:定时器的第 0 到第 11 位存放 BCD 码格式的定时值,三位 BCD 码表示的范围是 0~999.第 12,13 位存放二进制格式的时基。3、定时器分辨率精度等级对于每一种定时器,又根据定时器的分辨率(时基)的不同,分为: 1 ms、10 ms 和 100 ms 三个精度等级。不同的公司产品精度等级划分有所不同.4、定时器的定时时间S7-200 PLC 中的定时时间由时基和定时值两部分组成,定时时间等于时基与定时值的乘积.时基的选择原则是:根据定时时间选择能满足定时范围要求的最小时基。5、定时器的定时时间 T 的计算 T=PT×S式中:T --- 为实际定时时间PT —— 为设定值S —- 为分辨率例如:TON 指令使用 T35(为 10 ms 的定时器),设定值为 100,则实际定时时间为:??4.18X15X10000100100111870721三位BCD码范围(0-999)时基1 s无关:当定时器启动时这两位被忽略教学过程教学过 T=100 X 10=1 000 ms6、定时器的编号用定时器的名称和它的常数编号(最大为 255)来表示,即 T×××.如:T40。 定时器的编号包含两方面的变量信息:定时器位和定时器当前值。定时器位即定时器触点,与其他继电器的输出相似.当定时器的当前值达到设定值 PT 时,定时器的触点动作。定时器当前值即定时器当前所累计的时间值,它用 16 位符号整数来表示,最大计数值为 32767.7、分辨率精度等级和定时器编号对应关系见表定时器类型 分辨率/ms最大当前值/s定时器编号 TONR132。767T0,T6410...

1、当您付费下载文档后,您只拥有了使用权限,并不意味着购买了版权,文档只能用于自身使用,不得用于其他商业用途(如 [转卖]进行直接盈利或[编辑后售卖]进行间接盈利)。
2、本站所有内容均由合作方或网友上传,本站不对文档的完整性、权威性及其观点立场正确性做任何保证或承诺!文档内容仅供研究参考,付费前请自行鉴别。
3、如文档内容存在违规,或者侵犯商业秘密、侵犯著作权等,请点击“违规举报”。

碎片内容

PLC断开延时定时器教案

您可能关注的文档

确认删除?
VIP
微信客服
  • 扫码咨询
会员Q群
  • 会员专属群点击这里加入QQ群
客服邮箱
回到顶部