电脑桌面
添加小米粒文库到电脑桌面
安装后可以在桌面快捷访问

SHGPI066VCP连续电镀作业指导书

SHGPI066VCP连续电镀作业指导书_第1页
1/20
SHGPI066VCP连续电镀作业指导书_第2页
2/20
SHGPI066VCP连续电镀作业指导书_第3页
3/20
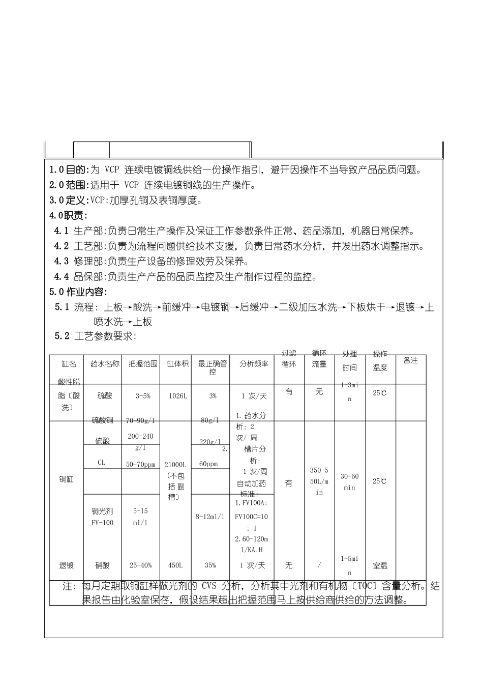
页 码 版 本AllA.0修改内容首次公布生效日期2025-12-16文件修改记录受控文件保管者记录序号1分发单位生产部总页数:共20 页编制:审核:批准:1.0 目的:为 VCP 连续电镀铜线供给一份操作指引,避开因操作不当导致产品品质问题。2.0 范围:适用于 VCP 连续电镀铜线的生产操作。3.0 定义:VCP:加厚孔铜及表铜厚度。4.0职责:4.1 生产部:负责日常生产操作及保证工作参数条件正常、药品添加,机器日常保养。4.2 工艺部:负责为流程问题供给技术支援,负责日常药水分析,并发出药水调整指示。4.3 修理部:负责生产设备的修理效劳及保养。4.4 品保部:负责生产产品的品质监控及生产制作过程的监控。5.0 作业内容:5.1 流程:上板→酸洗→前缓冲→电镀铜→后缓冲→二级加压水洗→下板烘干→退镀→上喷水洗→上板5.2 工艺参数要求:过滤循环循环流量处理操作备注时间温度1-3mi有无n25℃硫酸铜硫酸CL铜缸70-90g/l200-240g/l50-70ppm21000L(不包括 副槽〕80g/l 220g/l 60ppm1. 药水分析:2 次/ 周2.槽片分析:1 次/周自动加药有标准:1.FV100A:350-550L/m in30-60min25℃铜光剂FV-1005-15ml/l8-12ml/lFV100C=10:1 2.60-120ml/KA.H1-5mi退镀硝酸25-40%450L35%1 次/天无/室温n注:每月定期取铜缸样做光剂的 CVS 分析,分析其中光剂和有机物〔TOC〕含量分析。结果报告由化验室保存,假设结果超出把握范围马上按供给商供给的方法调整。缸名酸性脱药水名称把握范围缸体积最正确管控分析频率脂〔酸硫酸3-5%1026L3%1 次/天洗〕1. TOC 含量标准:TOC≤5000ppm2. CVS/TOC 外发分不合格时处理方法:a. TOC 超标时马上安排碳处理,碳处理前如连续使用需对生产板做热冲击测试,如孔铜特别马上停顿生产。b. CVS 分析光剂不合格时,首先依据分析结果对药水进展调整。同时进展 HULL CELL 测试和热冲击测试,两种测试都无特别时可连续生产,如有特别,须对此期间生产板进展隔离评估。5.3 设备力气工程范围数量功率备注生产板最大尺寸622mm*547mm///生产板最小尺寸355mm*406mm///生产板最大厚度3.2mm///生产板最小厚度0.2mm///最快输送速度1.1m/min//最慢输送速度0.3m/min//均匀性要求延展性要求深镀力气≤5%电流密度 40ASF,孔铜 25um≥20%/// 0.25mm 孔径,纵横比 6.4:1 的通孔,电镀参数:25ASF×50min,深力气≧85%。5.5 单轨式垂直连续电镀铜设备开机前留意事项:5.5.1 合在电箱面板上电源总开关〔扳到 ON 位置〕,启动上料...

1、当您付费下载文档后,您只拥有了使用权限,并不意味着购买了版权,文档只能用于自身使用,不得用于其他商业用途(如 [转卖]进行直接盈利或[编辑后售卖]进行间接盈利)。
2、本站所有内容均由合作方或网友上传,本站不对文档的完整性、权威性及其观点立场正确性做任何保证或承诺!文档内容仅供研究参考,付费前请自行鉴别。
3、如文档内容存在违规,或者侵犯商业秘密、侵犯著作权等,请点击“违规举报”。

碎片内容

SHGPI066VCP连续电镀作业指导书

津创媒+ 关注
实名认证
内容提供者

欢迎交流文创,小店资料希望满足您的需要。

确认删除?
VIP
微信客服
  • 扫码咨询
会员Q群
  • 会员专属群点击这里加入QQ群
客服邮箱
回到顶部