电脑桌面
添加小米粒文库到电脑桌面
安装后可以在桌面快捷访问

SL634-2025《堤防工程施工质量验收评定标准》

SL634-2025《堤防工程施工质量验收评定标准》_第1页
1/29
SL634-2025《堤防工程施工质量验收评定标准》_第2页
2/29
SL634-2025《堤防工程施工质量验收评定标准》_第3页
3/29
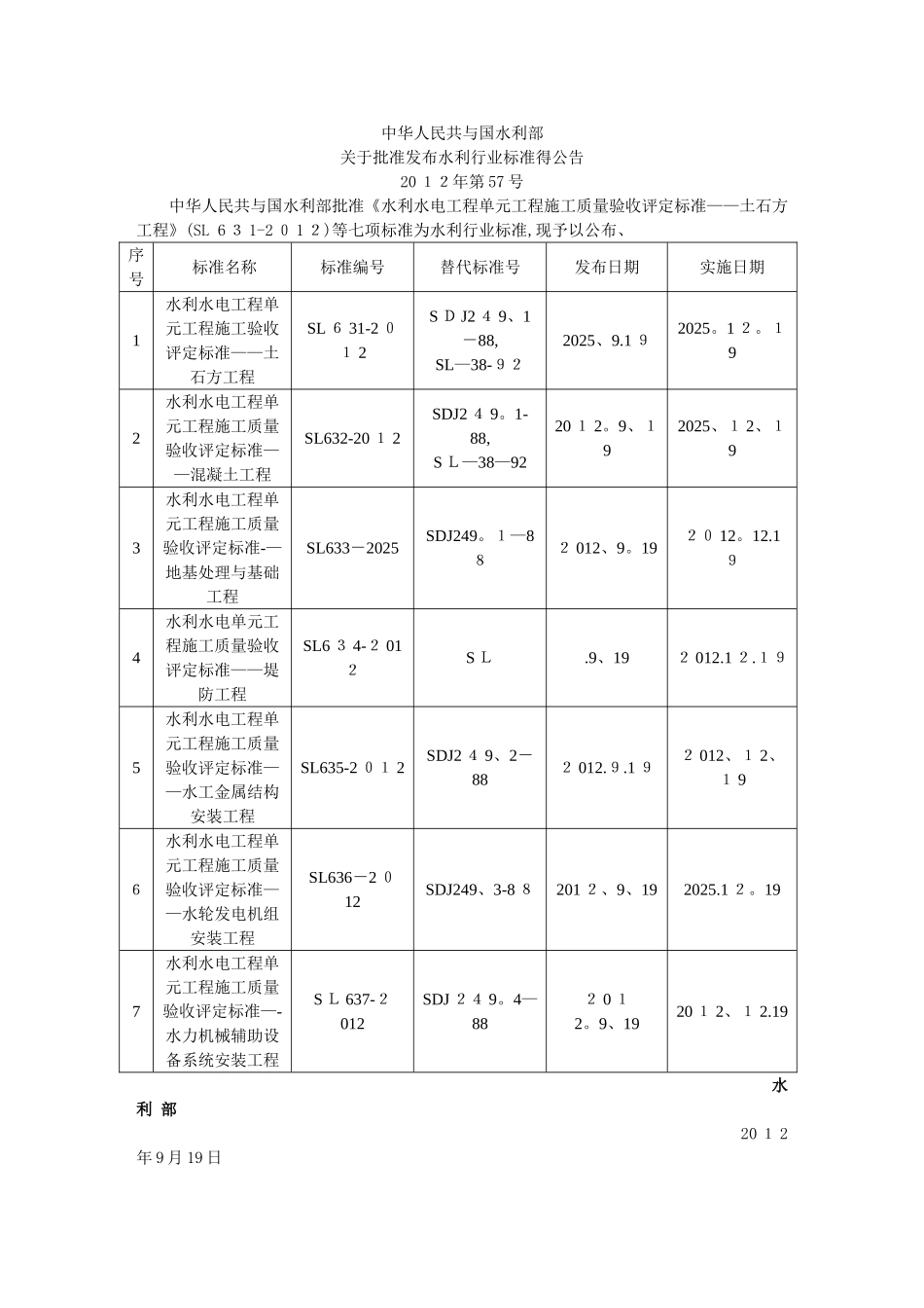
ICS 27、 140 SLP 55 中华人民共与国水利行业标准SL 6 34-20 1 2替代 S L 239-199 9水利水电工程单元工程施工质量验收评定标准-—堤防工程I n sp e ction an d a s s e ssment stand a rd for separ a te d itemp r oj e ct co ns t r u c tion qual i ty o f water con s ervancyand h y d r o e l ectric eng i nee r i ng- Levee wor k s201 2—09-1 9 发布 20 1 2-12-19实施 中华人民共与国水利部 发布中华人民共与国水利部关于批准发布水利行业标准得公告20 12年第 57 号中华人民共与国水利部批准《水利水电工程单元工程施工质量验收评定标准——土石方工程》(SL 6 3 1-2 0 1 2)等七项标准为水利行业标准,现予以公布、序号 标准名称标准编号替代标准号发布日期实施日期1水利水电工程单元工程施工验收评定标准——土石方工程SL 6 31-2 01 2S D J2 4 9、1-88,SL—38-922025、9.1 92025。1 2。192水利水电工程单元工程施工质量验收评定标准——混凝土工程SL632-20 1 2SDJ2 4 9。1-88,S L—38—9220 1 2。9、192025、1 2、193水利水电工程单元工程施工质量验收评定标准-—地基处理与基础工程SL633-2025SDJ249。1—882 012、9。1920 12。12.194水利水电单元工程施工质量验收评定标准——堤防工程SL6 3 4-2 012S L.9、192 012.1 2.195水利水电工程单元工程施工质量验收评定标准——水工金属结构安装工程SL635-2 01 2SDJ2 4 9、2-882 012.9.1 92 012、1 2、1 96水利水电工程单元工程施工质量验收评定标准——水轮发电机组安装工程SL636-2 012SDJ249、3-8 8201 2、9、192025.1 2。197水利水电工程单元工程施工质量验收评定标准—-水力机械辅助设备系统安装工程S L 637-2012SDJ 24 9。4—882 0 12。9、1920 1 2、1 2.19 水 利 部 20 1 2年 9 月 19 日 前 言 根据水利部2 004 年水利行业标准制修订计划,根据《水利技术标准编写规定》(S L1—2025)得要求,修订《堤防工程施工质量评定与验收规程》(试行)(S L 239—1999),修订后得标准名称为《水利水电工程单元工程施工质量验收评定标准——堤防工程》。 本标准共 1 1章3节 76 条1个附录,主要技术内容包括:...

1、当您付费下载文档后,您只拥有了使用权限,并不意味着购买了版权,文档只能用于自身使用,不得用于其他商业用途(如 [转卖]进行直接盈利或[编辑后售卖]进行间接盈利)。
2、本站所有内容均由合作方或网友上传,本站不对文档的完整性、权威性及其观点立场正确性做任何保证或承诺!文档内容仅供研究参考,付费前请自行鉴别。
3、如文档内容存在违规,或者侵犯商业秘密、侵犯著作权等,请点击“违规举报”。

碎片内容

SL634-2025《堤防工程施工质量验收评定标准》

确认删除?
VIP
微信客服
  • 扫码咨询
会员Q群
  • 会员专属群点击这里加入QQ群
客服邮箱
回到顶部