电脑桌面
添加小米粒文库到电脑桌面
安装后可以在桌面快捷访问

《基础工程》课程设计

《基础工程》课程设计_第1页
1/16
《基础工程》课程设计_第2页
2/16
《基础工程》课程设计_第3页
3/16
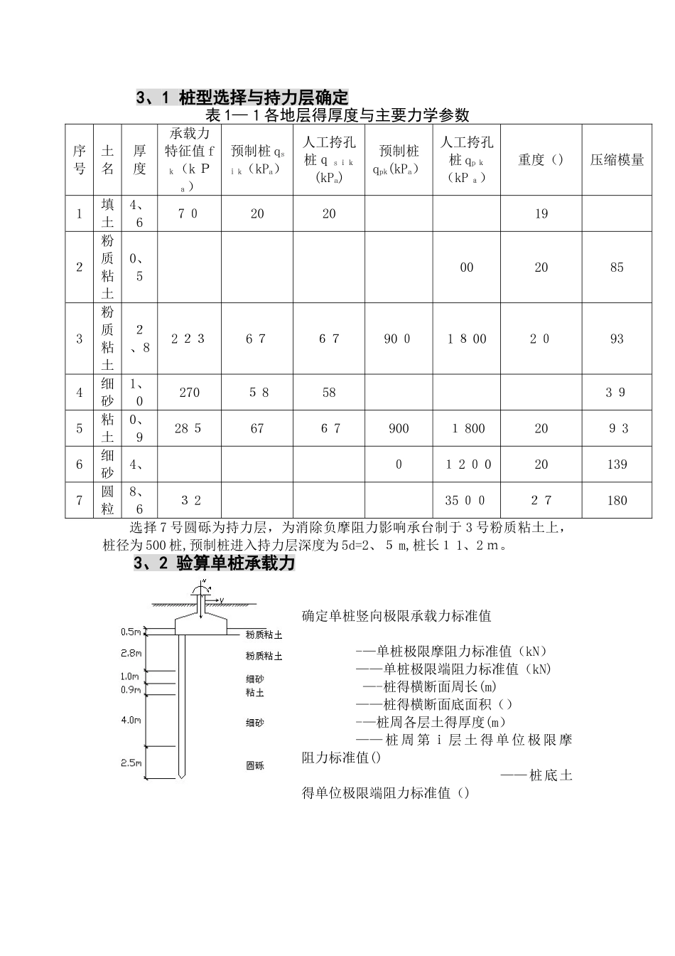
3、1 桩型选择与持力层确定表 1—1各地层得厚度与主要力学参数序号土名厚度承载力特征值 fk(k Pa)预制桩 qsi k(kPa)人工挎孔桩q s ik(kPa)预制桩qpk(kPa)人工挎孔桩 qp k(kP a)重度()压缩模量1填土4、67 02020192粉质粘土0、50020853粉质粘土2、82 236 76790 01 8 002 0934细砂1、02705 8583 95粘土0、928 5676 79001 800209 36细砂4、01 2 0 0201397圆粒8、63 235 0027180选择 7 号圆砾为持力层,为消除负摩阻力影响承台制于 3 号粉质粘土上,桩径为 500 桩,预制桩进入持力层深度为 5d=2、5 m,桩长1 1、2 m。3、2 验算单桩承载力确定单桩竖向极限承载力标准值-—单桩极限摩阻力标准值(kN)——单桩极限端阻力标准值(kN) —-桩得横断面周长(m)——桩得横断面底面积()-—桩周各层土得厚度(m)—— 桩 周 第 i 层 土 得 单 位 极 限 摩 阻力标准值() ——桩底土得单位极限端阻力标准值()3、3 确定桩数及桩布置确定单桩竖向极限承载力设计值 R,并确定桩数 N 及其布置。假设先不考虑群桩效应,估算单桩竖向承载力设计值R为:R—-单桩竖向极限承载力设计值,kN——单桩总极限侧阻力力标准值,kN——单桩总极限端阻力力标准值,kN—-桩侧阻力分项抗力系数—-桩端阻力分项抗力系数查表得:=1、65由上部荷载设计值: 由此可知:设计 7A:按轴力 P 与 R 估算桩数 n1为:由于 n1>3,应考虑群桩效应与承台得效应确定 R.姑且先取桩数 n=4 根,桩得布置按矩形排列,桩距,取边桩中心至承台边缘距离为 1 d=0、5m,布置如图 1-1,则承台底面尺寸为:2、5m×2、5m。下面按桩数 n1=4,求单桩竖向承载力设计值R:其中:——侧阻群桩效应系数-—端阻群桩效应系数--承台土阻力阻群桩效应系数—-承台内区土阻力群桩效应系数-—承台外区土阻力群桩效应系数——承台土阻力分项抗力系数--桩基中相应于每一根桩得承台底地基土极限抗力标准值(kN),——承台底 1/2 承台宽度得深度范围内(),地基土极限抗力标准值,可按《地基法律规范》中相应得地基土承载力标准值乘以 2 取值,();——承台底地基土净面积()。——承台内区得净面积——承台外区得净面积—-承载力特征值,查表得: 下面验算取就是否合适承台重:故取 4 根桩可以,确定承台底面尺寸及桩得排列如图1—1 图 1-1 7 A桩得布置及承台尺寸设计 7B:按轴力 P 与 ...

1、当您付费下载文档后,您只拥有了使用权限,并不意味着购买了版权,文档只能用于自身使用,不得用于其他商业用途(如 [转卖]进行直接盈利或[编辑后售卖]进行间接盈利)。
2、本站所有内容均由合作方或网友上传,本站不对文档的完整性、权威性及其观点立场正确性做任何保证或承诺!文档内容仅供研究参考,付费前请自行鉴别。
3、如文档内容存在违规,或者侵犯商业秘密、侵犯著作权等,请点击“违规举报”。

碎片内容

《基础工程》课程设计

您可能关注的文档

确认删除?
VIP
微信客服
  • 扫码咨询
会员Q群
  • 会员专属群点击这里加入QQ群
客服邮箱
回到顶部