电脑桌面
添加小米粒文库到电脑桌面
安装后可以在桌面快捷访问

《数控加工工艺》阶段测试2

《数控加工工艺》阶段测试2_第1页
1/2
《数控加工工艺》阶段测试2_第2页
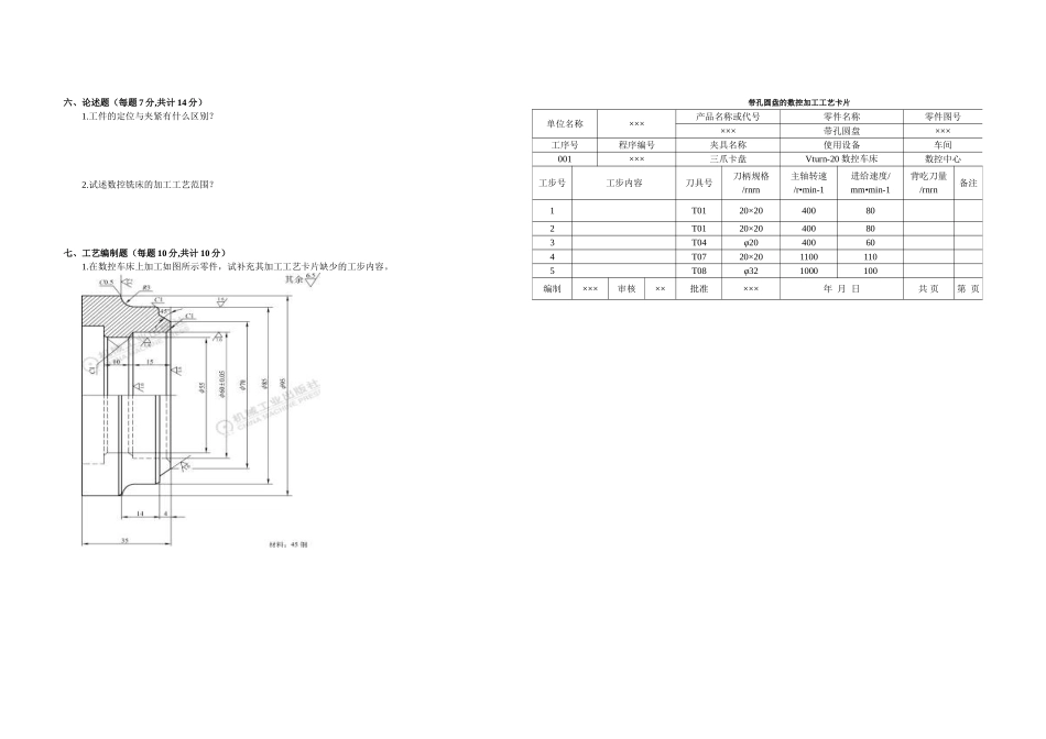
2/2
阶段测试 2一、填空题(每空 1 分,共计 20 分)1.产生加工误差的原因有:工艺系统几何误差、工艺系统受力变形、工艺系统受热变形、加工方法的原始误差和 误差。2.FMS 指 。3.当金属切削刀具的刃倾角为负值时,切屑排出时流向工件的 表面。4.对刀具材料的基本要求是 、 、 、 、 。5.数控铣床和加工中心加工零件时,要求零件中的毛坯的加工余量一定要 且 。6.采纳恰当布置的六个支承点来消除工件六个自由度的方法,称为 原理。7.切削加工时,工件材料抵抗刀具切削所产生的阻力称为 。8.常用的硬质合金按成分与性能特点,可分为 、 和 三大类。9.在 过程只采纳的基准叫工艺基准。10.切削液的作用包括 、 、 和 作用。二、选择题(每题 2 分,共计 30 分)1.工件坐标系与机床坐标系的相对位置关系是( )A、对应的坐标轴平行方向不一致 B、对应的坐标轴平行正方向一致 C、对应的坐标轴不平行方向不一致2.精加工时加工余量较小,为了提高生产率,应选择( )大些。A、进给量 B、切削深度 C、切削速度 D、主轴转速3.精基准是用( )作为定位基准面。A、未加工表面 B、复杂表面 C、切削量小的 D、加工后的表面。4.数控机床有不同的运动形式,需要考虑工件与刀具相对运动关系及坐标方向,编写程序时采纳( )的原则编写程序。A、刀具固定不动,工件移动 B、工件固定不动,刀具移动C、分析机床运动关系后根据实际情况决定 D、A 或 B5.数控铣削加工在工件表面会留下驻刀痕迹的进、退刀方式是( )A、沿曲面的切矢方向 B、垂直 C、沿圆弧段6.用定位元件将工件的( )自由度都限制了则该工件在空间的位置就完全确定了。A、6 个 B、5 个 C、4 个7.在加工内圆弧面时,刀具半径的选择应该是( )圆弧半径。A、大于 B、小于 C、等于 D、大于或等于8.定位基准在粗基准和精基准两种,选择定位基准应力求基准重合原则,即( )统一。A、设计基准,粗基准和精基准 B、沿工件轮廓切面切入C、设计基准,工艺基准和编程原点 D、设计基准,精基准和编程原点9.数控机床中由控制介质、数控装置、机床和( )组成。A、伺服系统 B、液压系统 C、配合机构 D、传动系统10.切削用量中,对刀具磨损影响最大的是( )。A、切削深度 B、进给量 C、切削速度11.千分尺的分度值是( )。A、0.1 mm B、0.01 mm C、0.001 mm D、0.000 1 mm12.数控机床加工过程中,发现刀具突然损坏,应首先实行的措施是( ...

1、当您付费下载文档后,您只拥有了使用权限,并不意味着购买了版权,文档只能用于自身使用,不得用于其他商业用途(如 [转卖]进行直接盈利或[编辑后售卖]进行间接盈利)。
2、本站所有内容均由合作方或网友上传,本站不对文档的完整性、权威性及其观点立场正确性做任何保证或承诺!文档内容仅供研究参考,付费前请自行鉴别。
3、如文档内容存在违规,或者侵犯商业秘密、侵犯著作权等,请点击“违规举报”。

碎片内容

《数控加工工艺》阶段测试2

一二三四传媒+ 关注
实名认证
内容提供者

大量资料供您选择,没有合适的可以联系小二。

确认删除?
VIP
微信客服
  • 扫码咨询
会员Q群
  • 会员专属群点击这里加入QQ群
客服邮箱
回到顶部