电脑桌面
添加小米粒文库到电脑桌面
安装后可以在桌面快捷访问

二、客户投诉管理制度

二、客户投诉管理制度_第1页
1/27
二、客户投诉管理制度_第2页
2/27
二、客户投诉管理制度_第3页
3/27
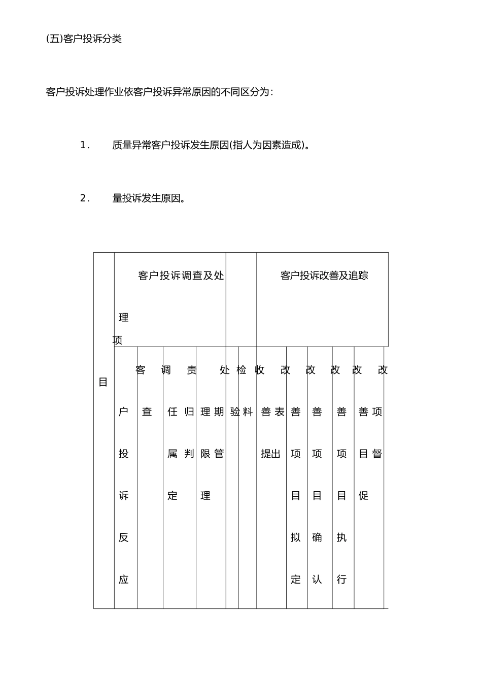
二、客户投诉管理制度□ 客户投诉管理办法(一)目的为求迅速处理客户投诉案件,维护公司信誉,促进质量改善与售后服务,制定本办法。(二)范围包括客户投诉表单编号原则,客户投诉的调查处理、追踪改善、成品退货、处理期限,核决权限及处理逾期反应等项目。(三)适用时机凡本公司 PCB 产品遇客户反应质量异常的申诉(以下简称“客户投诉”)时,依本施行办法的规定办理(如未造成损失时业务部或有关单位前往处理时,应填报“异常处理单”反应有关单位改善)。(四)处理程序客户投诉处理流程,如下表。(五)客户投诉分类客户投诉处理作业依客户投诉异常原因的不同区分为:1.质量异常客户投诉发生原因(指人为因素造成)。2.量投诉发生原因。项目客户投诉调查及处理客户投诉改善及追踪客户投诉反应调查责任 归属 判定处理 期限 管理检验收料改善 表提出改善项目拟定改善项目确认改善项目执行改善 项目 督促主办部门业务部门制造部质量管理部总经 理室 生产 管理组总经 理室 生产 管理组品检科仓储单位总经 理室 生产 管理组制造部总经理室生产管理组有关部门总经 理室 生产 管理组(六)处理部门(七)处理职责各部门客户投诉案件的处理职责1.业务部门(1)详查客户投诉产品的订单编号、料号、数量、交运日期。(2)了解客户投诉要求及客户投诉理由的确认。(3)协助客户解决疑难或提供必要的参考资料。(4)迅速传达处理结果。2.质量管理部(1)管理客户投诉案件的调查、提报与责任人员的拟定。(2)发生原因及处理、改善对策的检查、执行、督促、防之提报。(3)客户投诉质量的检验确认。3.总经理室生产管理组(1)客户投诉案件的登记,处理时效管理及逾期反应。(2)客户投诉内容的审核、调查、提报。(3)客户投诉立会的联系。(4)处理方式的拟定及责任归属的判定。(5)客户投诉改善方案的提出、洽办、执行成果的督促及效果确认。(6)协助有关部门与客户接洽客户投诉的调查及妥善处理。(7)客户投诉处理中客户投诉反应的意见提报有关部门追踪改善。4.制造部门(1)针对客户投诉内容详细调查,并拟定处理对策及执行检查。(2)提报生产单位、班别、生产人员及生产日期。(八)客户投诉处理表编号原则1.客户投诉处理的编号原则。年度(××)月份(××)流水编号(××)2.编号周期以年度月份为原则。(九)客户反应调查及处理1.业务部人员于接到客户反应产品异常时,应即查明该异常(编号、料号、交运日期、数量、不良数量)、客户要求,并填具“客户抱怨处理表”(表 14.6.3)...

1、当您付费下载文档后,您只拥有了使用权限,并不意味着购买了版权,文档只能用于自身使用,不得用于其他商业用途(如 [转卖]进行直接盈利或[编辑后售卖]进行间接盈利)。
2、本站所有内容均由合作方或网友上传,本站不对文档的完整性、权威性及其观点立场正确性做任何保证或承诺!文档内容仅供研究参考,付费前请自行鉴别。
3、如文档内容存在违规,或者侵犯商业秘密、侵犯著作权等,请点击“违规举报”。

碎片内容

二、客户投诉管理制度

确认删除?
VIP
微信客服
  • 扫码咨询
会员Q群
  • 会员专属群点击这里加入QQ群
客服邮箱
回到顶部