电脑桌面
添加小米粒文库到电脑桌面
安装后可以在桌面快捷访问

交换系统设备安装检验批质量验收记录VIP专享

交换系统设备安装检验批质量验收记录_第1页
1/4
交换系统设备安装检验批质量验收记录_第2页
2/4
交换系统设备安装检验批质量验收记录_第3页
3/4
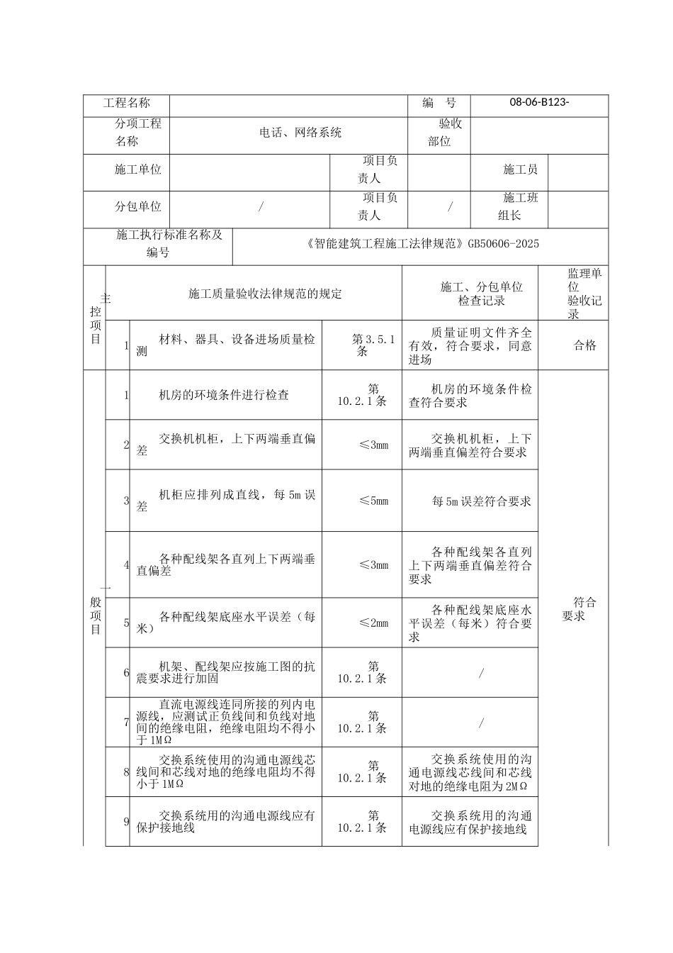
表 B.123 交换系统设备检验批质量验收记录工程名称 编 号08-06-B123- 分项工程名称电话、网络系统验收部位 施工单位 项目负责人 施工员 分包单位/项目负责人/施工班组长 施工执行标准名称及编号《智能建筑工程施工法律规范》GB50606-2025主控项目施工质量验收法律规范的规定施工、分包单位检查记录监理单位验收记录1材料、器具、设备进场质量检测第 3.5.1条质量证明文件齐全有效,符合要求,同意进场合格一般项目1机房的环境条件进行检查第10.2.1 条机房的环境条件检查符合要求符合要求2交换机机柜,上下两端垂直偏差≤3mm交换机机柜,上下两端垂直偏差符合要求3机柜应排列成直线,每 5m 误差≤5mm每 5m 误差符合要求4各种配线架各直列上下两端垂直偏差≤3mm 各种配线架各直列上下两端垂直偏差符合要求5各种配线架底座水平误差(每米)≤2mm 各种配线架底座水平误差(每米)符合要求6机架、配线架应按施工图的抗震要求进行加固第10.2.1 条/7直流电源线连同所接的列内电源线,应测试正负线间和负线对地间的绝缘电阻,绝缘电阻均不得小于 1MΩ第10.2.1 条/8交换系统使用的沟通电源线芯线间和芯线对地的绝缘电阻均不得小于 1MΩ第10.2.1 条交换系统使用的沟通电源线芯线间和芯线对地的绝缘电阻为 2MΩ9交换系统用的沟通电源线应有保护接地线第10.2.1 条交换系统用的沟通电源线应有保护接地线表 B.123 交换系统设备检验批质量验收记录续表一般项目施工质量验收法律规范的规定施工、分包单位检查记录监理单位 验收记录10交换机设备通电前检查各种电路板数量、规格、接线及机架的安装位置、标识第10.2.1 条各种电路板数量、规格、接线及机架的安装位置、标识符合要求符合要求11各机架所有的熔断器规格应符合要求,检查各功能单元电源开关应处于关闭状态第10.2.1 条各机架所有的熔断器规格应符合要求,检查各功能单元电源开关处于关闭状态12设备的各种选择开关应置于初始位置第10.2.1 条设备的各种选择开关置于初始位置13设备的供电电源线,接地线规格应符合要求,并端接应正确、牢固第10.2.1 条设备的供电电源线,接 地 线 规 格 应 符 合 要求,端接正确、牢固14应测量机房主电源输入电压,确定正常后,方可进行通电测试第10.2.1 条已测量机房主电源输入电压,电压正常,进行通电测试15设备、线缆标识应清楚、明确第10.3.2 条设备、 线缆标识清楚、明确16交换系统安装各种业务板及业务板电缆,信号线和电源...

1、当您付费下载文档后,您只拥有了使用权限,并不意味着购买了版权,文档只能用于自身使用,不得用于其他商业用途(如 [转卖]进行直接盈利或[编辑后售卖]进行间接盈利)。
2、本站所有内容均由合作方或网友上传,本站不对文档的完整性、权威性及其观点立场正确性做任何保证或承诺!文档内容仅供研究参考,付费前请自行鉴别。
3、如文档内容存在违规,或者侵犯商业秘密、侵犯著作权等,请点击“违规举报”。

碎片内容

交换系统设备安装检验批质量验收记录

确认删除?
VIP
微信客服
  • 扫码咨询
会员Q群
  • 会员专属群点击这里加入QQ群
客服邮箱
回到顶部