电脑桌面
添加小米粒文库到电脑桌面
安装后可以在桌面快捷访问

以信息化关键技术促进企业生产作业流程再造

以信息化关键技术促进企业生产作业流程再造_第1页
1/7
以信息化关键技术促进企业生产作业流程再造_第2页
2/7
以信息化关键技术促进企业生产作业流程再造_第3页
3/7
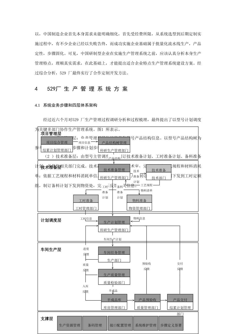
以 信 息 化 技 术 促 进 企 业 生 产 步骤 再 造——529 厂 生 产 管 理 系 统 研 发 和 实 施孙 连 胜 林 晓 青航天五院529 厂摘要: 本文针对529 厂卫星研制生产管理过程特点,经过具体调研分析,梳理出了529 厂生产管理主业务步骤,在此基础上,提出了529 厂生产管理系统四层体系架构和基于统一产品结构树信息集成方案,经过系统开发,最终建立了适于529 厂生产管理系统。现在,该系统已在529 厂初步实施应用,在提升信息利用率、优化工作步骤、提升管理细度、促进部门协同、提升工作效率等方面初见成效。关键词: 卫星研制 生产管理系统 统一产品结构树1 序 言在企业管理中生产管理是关键,也是难点所在。生产部门依据生产计划,交付时间紧迫程度,选择适宜生产工艺及生产步骤,进行生产作业控制,有效生产计划是进行顺利生产前提。因为生产管理是企业尤其是工厂管理中很关键而又复杂步骤,生产管理优劣直接关系到企业运作经营效果,是企业资源管理关键,合理地建立生产管理系统含有重大意义。529 厂作为中国空间飞行器制造关键单位,负担着卫星、飞船结构件生产和部装工作。星船产品特别性决定了其研制将是一个研制和小批量混流生产类型。因为该类型生产管理复杂性,现在还没有适合中国企业软件产品。,529 厂结合本企业特点,开启了生产管理技术及其系统研发工作,以期愈加科学合理地管理型号生产,为型号调度和上层决议提供立即、可靠信息和技术支持,并利用信息化手段促进企业生产管理步骤再造。该项目历时两年,在经过具体需求分析调研,多家软件供给商调研和方案对比论证,系统具体方案论证,系统开发,软件调试完善,系统试运行等工作,现在该系统已在529 厂初步实施应用。2 529厂 生 产 管 理 工 作 步 骤 情 况 分 析在实施该系统前,529 厂在生产管理过程中关键存在以下多个方面问题:(1 )生产管理工作信息介质关键以纸质为主,从使用、存放、跟踪、查询等方面,无法适应生产现场信息爆炸式管理。(2 )生产管理工作步骤串行步骤较多,这一点在生产前技术准备步骤尤为突出。假如经过合适控制手段,使部分步骤得以并行处理,将有效提升工作效率。(3 )在制订计划和决议手段方面:缺乏有效辅助工具将型号计划步骤、型号进度、车间能力等信息关联起来,进行全方面综合考虑并制订计划。(4 )在猎取信息和协调方法方面:关键经过到车间查看、调度会和电话沟通等传统...

1、当您付费下载文档后,您只拥有了使用权限,并不意味着购买了版权,文档只能用于自身使用,不得用于其他商业用途(如 [转卖]进行直接盈利或[编辑后售卖]进行间接盈利)。
2、本站所有内容均由合作方或网友上传,本站不对文档的完整性、权威性及其观点立场正确性做任何保证或承诺!文档内容仅供研究参考,付费前请自行鉴别。
3、如文档内容存在违规,或者侵犯商业秘密、侵犯著作权等,请点击“违规举报”。

碎片内容

以信息化关键技术促进企业生产作业流程再造

确认删除?
VIP
微信客服
  • 扫码咨询
会员Q群
  • 会员专属群点击这里加入QQ群
客服邮箱
回到顶部