电脑桌面
添加小米粒文库到电脑桌面
安装后可以在桌面快捷访问

企业安全生产预警系统技术标准

企业安全生产预警系统技术标准_第1页
1/7
企业安全生产预警系统技术标准_第2页
2/7
企业安全生产预警系统技术标准_第3页
3/7
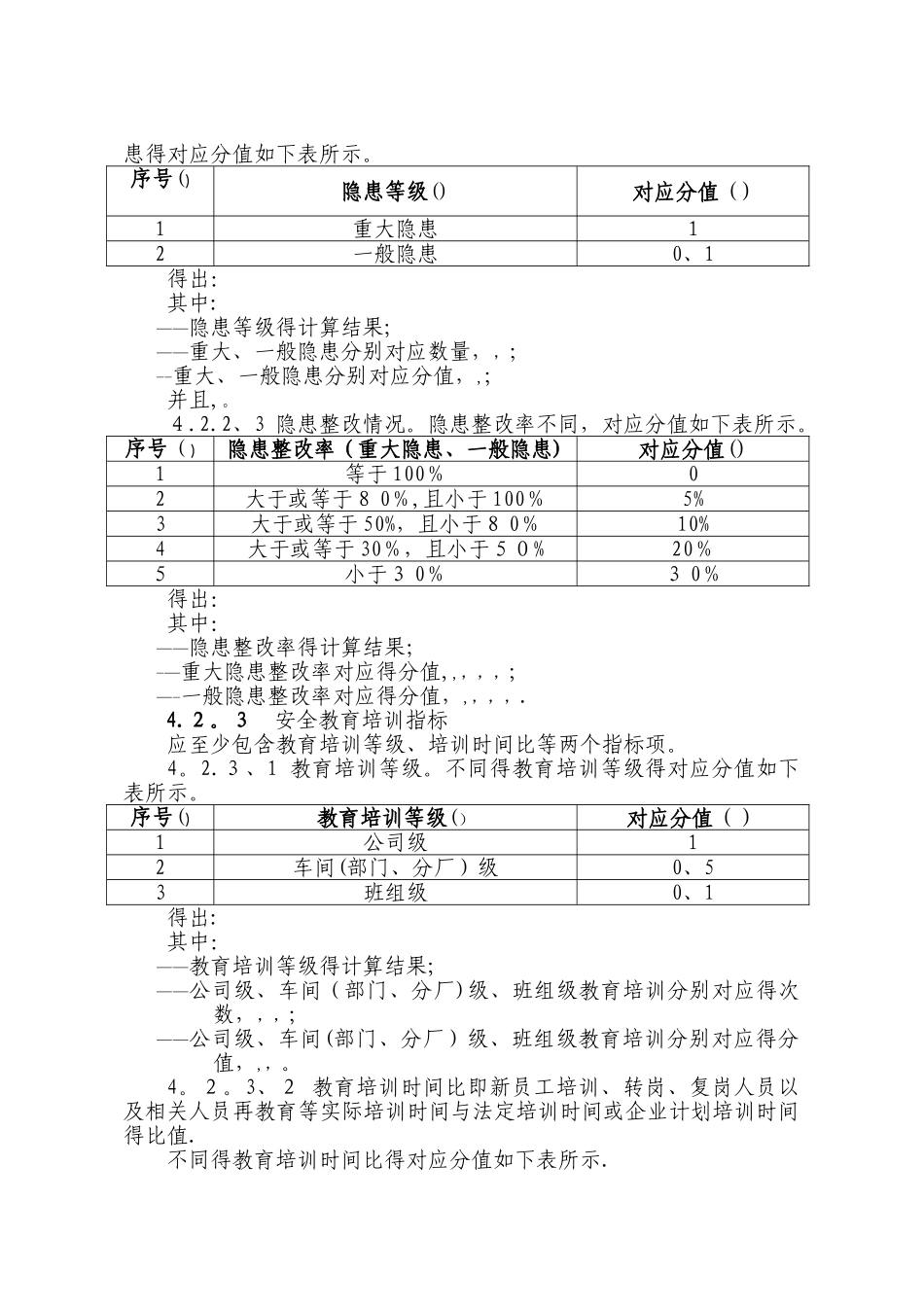
冶金等工贸行业企业安全生产预警系统技术标准(试行)1 范围本标准对冶金等工贸行业企业(以下简称企业)安全生产预警系统得建设原则、核心内容及建设过程作出规定.本标准适用于企业安全生产预警系统得建设,其她行业可参照执行。2 术语与定义本标准采纳下列术语与定义。2、1 企业安全生产预警系统企业安全生产预警系统就是指在全面辨识反映企业安全生产状态得指标得基础上,通过隐患排查、风险管理及仪器仪表监控等安全方法及工具,提前发现、分析与推断影响安全生产状态、可能导致事故发生得信息,定量化表示企业生产安全状态,及时发布安全生产预警信息,提醒企业负责人及全体员工注意,使企业及时、有针对性地实行预防措施控制事态进展,最大限度地降低事故发生概率及后果严重程度,从而形成具有预警能力得安全生产系统。2、2 安全生产预警指数安全生产预警指数就是指将反映企业生产及事故特征影响指标,通过数据统计、建模、计算、分析,定量化表示生产安全状态,反映企业某一时间生产安全状态得数值。3 基本要求3、1 概述3.1.1 企业应结合自身特点,参照本标准得要求,建立并运行企业安全生产预警系统.3.1.2 企业安全生产预警系统应包括:——预警指标选择;——预警指标量化;——预警指标权重确定;——预警模型建立;-—预警指数图生成;-—预警报告发布;——预警信息系统建立。3、2 建立原则3.2。1 企业应结合安全生产标准化建设、隐患排查治理体系建设等工作,充分发挥安全生产预警系统对安全生产管理决策得支持作用。3.2.2 企业应发动全员参加安全生产预警工作,将安全预警工作与日常安全生产管理工作有机结合。3。2。3 企业每年应至少对预警系统得运行情况总结一次,对预警指标得选取以及预警指数模型进行优化,使之更加符合企业得生产安全状态;当企业预警系统与安全生产实际运行情况出现偏差时,应及时调整预警系统相关指标,并重新调整预警指数模型.4 预警系统建立4、1 预警指标选取原则企业应建立适应于本企业安全生产状况得预警指标体系,并满足: —-预警指标应能够描述与表征出某一段时间企业生产安全各个方面得状况及变化趋势,由动态与静态指标相结合;——应具有科学性、系统性、动态性、可量化、独立性及可对比性等原则。4、2 预警指标确定及量化4.2.1 企业应选取符合本企业安全生产管理特点得预警指标:—-从人、物、环境、管理、事故等5个因素进行预警指标初筛;——选取得预警指标应至少包含:事故隐患、...

1、当您付费下载文档后,您只拥有了使用权限,并不意味着购买了版权,文档只能用于自身使用,不得用于其他商业用途(如 [转卖]进行直接盈利或[编辑后售卖]进行间接盈利)。
2、本站所有内容均由合作方或网友上传,本站不对文档的完整性、权威性及其观点立场正确性做任何保证或承诺!文档内容仅供研究参考,付费前请自行鉴别。
3、如文档内容存在违规,或者侵犯商业秘密、侵犯著作权等,请点击“违规举报”。

碎片内容

企业安全生产预警系统技术标准

范哲铺+ 关注
实名认证
内容提供者

想你所想,急你所急,你需要的都在店铺里可以找到。

确认删除?
VIP
微信客服
  • 扫码咨询
会员Q群
  • 会员专属群点击这里加入QQ群
客服邮箱
回到顶部