电脑桌面
添加小米粒文库到电脑桌面
安装后可以在桌面快捷访问

优秀钢结构厂房施工组织设计方案技术标43

优秀钢结构厂房施工组织设计方案技术标43_第1页
1/83
优秀钢结构厂房施工组织设计方案技术标43_第2页
2/83
优秀钢结构厂房施工组织设计方案技术标43_第3页
3/83
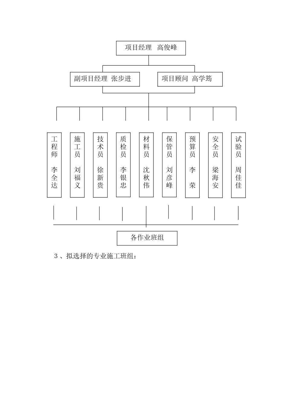
一、 工程概况:㈠、图纸设计基本内容:秦皇岛市下岗职工再就业孵化基地工程,位于秦皇岛市北方工业园,是秦皇岛市为下岗职工提供就业的新建项目;厂区南临 205 国道,西侧为海阳路,东侧是秦皇岛火车站。秦皇岛市下岗职工再就业孵化基地工程 B 标段,建筑面积 18972M2。由 6 个独立的厂房组成,都是混凝土框架+门式刚架结构。一层是混凝土框架结构,混凝土的顶面标高为 5.96 米,二层是门式刚架结构高度为 米,厂房的跨度 18 米。其中 2、3、4#厂房的建筑面积相同,共用 4#厂房的图纸作为施工图,厂房长 80 米;7、8、9#厂房的建筑面积相同,以 9#厂房的图纸作为施工的依据,厂房长 60 米。车间两侧设计为辅助办公和生活用房,是四层框架结构。基础形式为独立基础,中间以基础梁连接。在基础梁上,+0.000m 以下,采纳 MU10 页岩砖 M7.5 混合砂浆砌筑砌体。基础、基础梁的混凝土标号 C30。一层混凝土框架柱的混凝土强度等级 C25,辅助用房的梁板混凝土等级 C20,厂房部分梁板混凝土的强度等级 C25。二层钢结构材料为 Q235,连接方式采纳焊接和高强螺栓连接。墙体材料的选择:厂房部分选用白色夹芯板,辅助办公用房的围护结构选用陶粒混凝土空心砌块。㈡、工程工期、质量目标 ⒈ 工程质量目标:合格。 ⒉ 工程工期目标:2025.7.8~2025.11.30。日历工期:145 天。㈢、场地条件 施工现场的地势较平坦,交通便利,“三通一平”工作已经有业主准备完成,满足材料进场的要求。二、施工部署 ㈠、施工进度安排 秦皇岛市下岗职工再就业孵化基地工程总日历工期为 146 天,工期非常紧张。本工程主要施工内容为钢筋混凝土基础、框架结构梁板柱、钢结构制作、钢结构吊装、檩条安装、夹芯板安装、室内地面、水暖电安装等。其中,钢结构制作、安装是本工程工期控制的关键之处。计划进场后同时开始钢结构制作和基础施工,力争早日具备吊装条件,确保总体工期的实现。 ㈡、人员安排、机构设置 1、秦皇岛市下岗职工再就业孵化基地 B 标段平面面积大,结构不是很复杂主要是工期短,施工现场狭窄,为保证该工程的工期、质量、效益,加强该项目的组织领导,经总公司批准,决定派高俊峰同志任本工程项目经理,张步进同志任副项目经理,并选聘有专业管理素养的管理人员组成项目经理部。 2、项目经理部组织机构3、拟选择的专业施工班组:项目经理 高俊峰 副项目经理 张步进项目顾问 高学筠工程师李全达施工员刘福义技...

1、当您付费下载文档后,您只拥有了使用权限,并不意味着购买了版权,文档只能用于自身使用,不得用于其他商业用途(如 [转卖]进行直接盈利或[编辑后售卖]进行间接盈利)。
2、本站所有内容均由合作方或网友上传,本站不对文档的完整性、权威性及其观点立场正确性做任何保证或承诺!文档内容仅供研究参考,付费前请自行鉴别。
3、如文档内容存在违规,或者侵犯商业秘密、侵犯著作权等,请点击“违规举报”。

碎片内容

优秀钢结构厂房施工组织设计方案技术标43

MY shop+ 关注
实名认证
内容提供者

欢迎挑选适合自己的材料。

确认删除?
VIP
微信客服
  • 扫码咨询
会员Q群
  • 会员专属群点击这里加入QQ群
客服邮箱
回到顶部